| Автор | Сообщение |
|
svyazist12
|
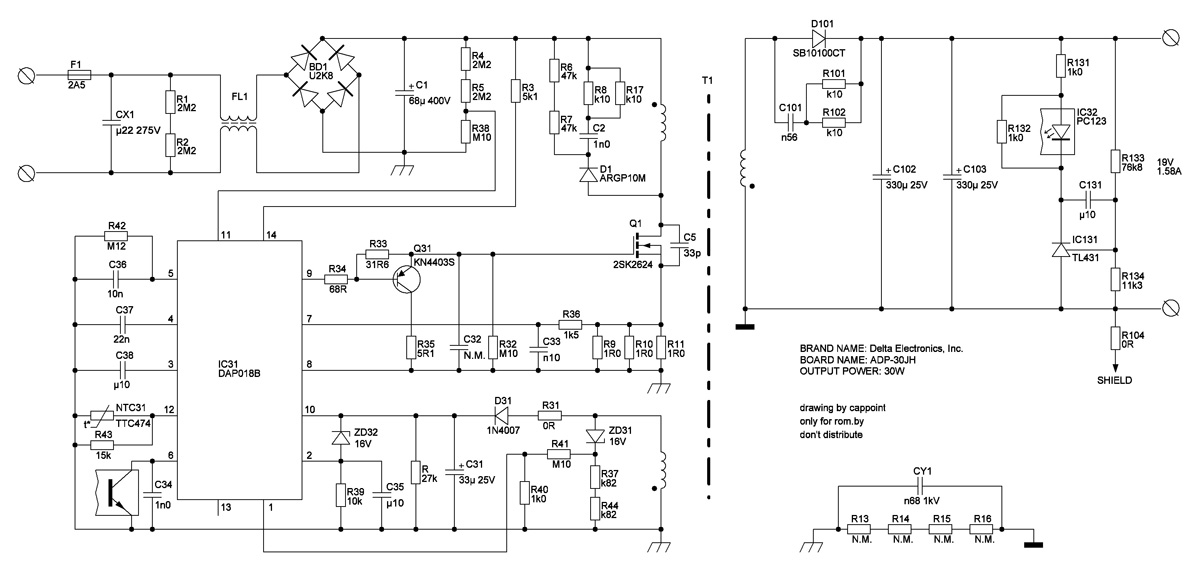
Здравствуйте. Помогите распознать детали (обведены красным). Блок питания ноутбука ASUS. ADP-45BW 19 вольт, 2,37 А. Спасибо.
| 2.jpg |
| Описание: |
|
| Размер файла: |
285.88 КБ |
| Просмотрено: |
513 раз(а) |

|
1.jpg 180.66 КБ Скачано: 433 раз(а)
3.jpg 190.89 КБ Скачано: 402 раз(а)
|
|
foxter-x
Передовик
Сообщения: 1503
|
| svyazist12 писал: | | Помогите распознать детали (обведены красным). |
Токовый датчик. Похоже 3 резистора по 1 Ом.Только вот что-то мне подсказывает, что только ими дело не обойдется. И хорошо бы свою тему создавать, а не в чужой задавать вопрос. |
|
|
svyazist12
|
| Спасибо за ответ. То, что вылетело, я понаходил. Создавать тему по такой мелочи не хотелось. Куплен новый БП. Этот оставили в подарок. Попробую восстановить. |
|
|
JohnK
|
| Т.к. это не настольный комп, тема переезжает в свой раздел. |
|
|
svyazist12
|
| Может есть у кого возможность сделать фото платы со стороны SMD? |
|
foxter-x
Передовик
Сообщения: 1503
|
| Так у тебя на фото вроде все и так понятно. |
|
|
svyazist12
|
|
foxter-x
Передовик
Сообщения: 1503
|
| svyazist12 писал: | | Если я правильно понимаю, восстанавливать дорожки надо по этой схеме. |
Да. |
|
|
svyazist12
|
| Тему можно закрывать. БП восстановлен. |
|