| Автор | Сообщение |
|
NSMSKOPIN
|
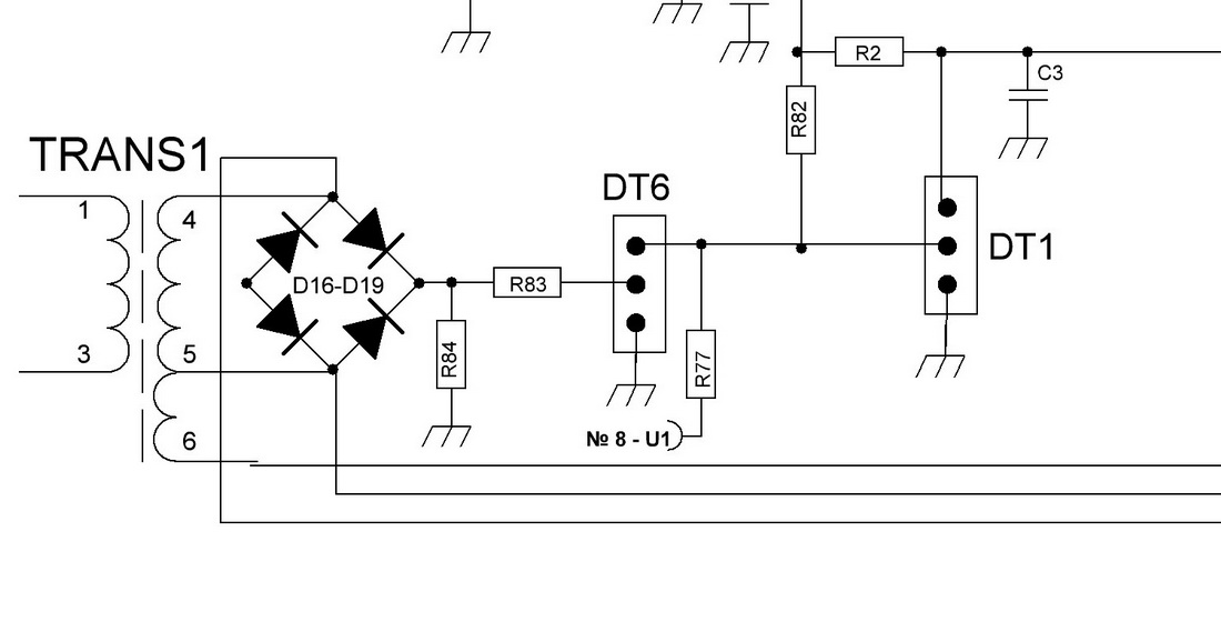
Здравствуйте. Котел Navien Ace , плата управления KDC-231-2M, выдаёт ошибку 09. После замены платы всё работает. На плате есть радиоэлементы обозначающие как DT . Не могу найти на них информацию. При прорисовке схемы, похожи на составные транзисторы , помогите опознать.
Navien сх. NSMSKOPIN.jpg 65.31 КБ Скачано: 2230 раз(а)
|
|
anatol22
Завсегдатай
Сообщения: 410
|
| Полное название котла. Почитай инструкцию по 09. Надписи на DT , фото ... |
|
grinko
Завсегдатай
Сообщения: 569
|
| То что на картинке очень похоже на КРЕН |
|
|
NSMSKOPIN
|
Navien Ace название котла, надписи на DT выкладываю, уверен что это не КРЕН
ДОБАВЛЕНО 19/10/2013 12:12
DT на плате


|
|
Знакомый с монитора
Завсегдатай
Сообщения: 469
|
DT - digital transistor
Наверное это |
|
|
NSMSKOPIN
|
| Знакомый с монитора писал: | DT - digital transistor
Наверное это |
вполне возможно, но другие транзисторы на плате обозначили Q |
|
anatol22
Завсегдатай
Сообщения: 410
|
|
|
NSMSKOPIN
|
| anatol22, спасибо! транзисторы KRC106, KRC104,KRC102. |
|
|
NSMSKOPIN
|
| Даташитом на микроконтроллер S3P84E9XZZ-AQ99 фирмы SAMSUNG поделитесь |
|
Знакомый с монитора
Завсегдатай
Сообщения: 469
|
| "Даташит на микроконтроллер" вряд ли поможет |
|
|
NSMSKOPIN
|
| Знакомый с монитора писал: | | "Даташит на микроконтроллер" вряд ли поможет |
В данном случае в ремонте,может и нет, но срисованная с печатки схема,с ним будет понятней. |
|
anatol22
Завсегдатай
Сообщения: 410
|
|
grinko
Завсегдатай
Сообщения: 569
|
NSMSKOPIN, Глянь в личке схемки, но там цифровые Q называются...
ДОБАВЛЕНО 20/10/2013 01:00
Очень похоже на то что ты рисовал  |
|
|
NSMSKOPIN
|
|
grinko
Завсегдатай
Сообщения: 569
|
| С котла и надо было срисовывать, а на картинке все раземы подисаны, не вижу сложностей. |
|
|
NSMSKOPIN
|
| grinko Непонятно как, и чем эмитировать датчики: протока, давления воздуха APS, вытяжку ..и т.д.. |
|
|
NSMSKOPIN
|
| Ошибку 09 вылечил, заменой LM2904. Но теперь ошибка 03, отсутствует сигнал пламени во время розжига. Но если на котле меняешь фазировку (на ноль фазу, на фазу ноль), котёл работает отлично. Подтолкните, в каком направлении идти…??? |
|
xarl
Модератор
Сообщения: 21874
|
|
|
NSMSKOPIN
|
| в данном направлении и иду... но не хватает практики ... и дельного совета |
|
Trosha
Завсегдатай
Сообщения: 448
|
|