| Автор | Сообщение |
|
kirlito
|
Здравствуйте форумчане. Решил я немного тряхнуть стариной - апгрэйдить имеющуюся в собственном авто магнитолу. В сети ее называют Update list, производства VDO (в этом я не уверен). Еще встречал VDO 8200, но эти четыре цифры начало каталожного номера рено. Короче х.з. (простите). Устанавливалась на модели рено 2002-2012 годов выпуска. Так вот дооснастил я ее блютуз гарнитурой типа ADP2 (кажись). Подключил аналоговый выход гарнитуры ко входу AUX вышеназванной магнитолы. Все работает отлично, но есть одно но - только в режиме AUX. Скажем слушаю я FM или CD, и при поступлении звонка, соответственно ни чего не услышу, пока не переключусь в режим AUX. Вот и решил заморочиться, что бы при поступлении звонка, аппарат при любом из трех режимов мьютировал звук и выводил в динамики звук гарнитуры.
Так как схем я не нашел (по причине отсутствия фирмы и модели на этикетках и панели приборов), то вскрыл аппарат, и увидел аудиопроцессор SAA7709H ( http://archive.espec.ws/files/7709_Hardware_User_Manual_n1b_40.pdf ), изучив ее даташит так и не понял
как активируется аналоговый вход магнитолы под названием PHONE?
Кто более знаком с данным процем подскажите, каков алгоритм действий (может по шине I2C, а может автоматически, при появлении сигнала на ножке PHONE), чтоб добиться прохода звукового сигнала от входа PHONE до аудио выхода процессора?
PS1 у магнитолы (не у процессора) есть логический вход PHONE, и при посадке его на массу звук мьютируется и все. В магнитоле не предусмотрен вход для каких-либо доп. сигналов звука, и я так понимаю этот вход для работы внешних гарнитур свободные руки со своими динамиками.
PS2 входы PHONE и PHONE GND процессора замкнуты посредством резистора 10к в данной магнитоле, т.е. ни какого отношения к PS1 не имеет. |
|
n max
Модератор
Сообщения: 17599
|
| В даташите указано,что переключение входов осуществляется по шине.Т.е. пишите прогу под микроконтроллер который по команде от вашей звонилки подаёт команду по шине аудиопроцу магнитолы и тот переключает вход . |
|
jurij+
Фанат форума
Сообщения: 30586
|
Ваш аппарат называется,что то типа RENRDW ХХХ
На разъеме есть вывод phone mute.
А вот что он делает,только блокирует звук,или вкл. входы,это проверять вам.
 |
|
|
kirlito
|
Про вход phone mute писал выше, звук мьютируется, и все...
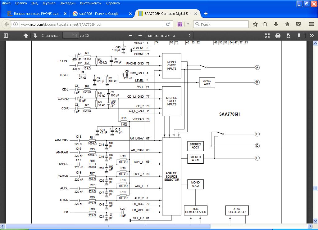
Вот смотрю внутреннюю структуру saa7706, потому что 7709 такого в даташите нет, и там сигнал phone и navi идет в обход всех "мультиплексоров" возможно, как я думаю и при появлении сигнала он пройдет на выход, без каких-либо команд по I2C. Но это лично мое мнение. Единственное на пути есть ключ, кто им управляет?
7706.JPG 104.88 КБ Скачано: 336 раз(а)
|
|
jurij+
Фанат форума
Сообщения: 30586
|
| Значит простых решений нет. |
|
n max
Модератор
Сообщения: 17599
|
| Между вых приёмника и входом аудиопрца ставиться ключ типа 4052,который может по команде переключать вход аудиопроца на ваш линейный вход.Как то делал такой колхоз для магнитол без линейного входа любителям смотреть двд в машине.Для включения входа использовал детектор сигнала звука или ненужную кнопку в магнитоле залипание делал через триггер |
|
jurij+
Фанат форума
Сообщения: 30586
|
| n max, Не в данном случае. |
|