| Автор | Сообщение |
m.ix
Master Mixa
Сообщения: 1972+
|
Как это даааавно было
 |
|
Strike
Фанат форума
Сообщения: 3812
|
А сколько он ( индикатор) потребляет по -12в?
Может десяток мА, если стремно - сунуть резистор вместо преда ом в 20-30, и пользоваться. |
|
|
Kasbek
|
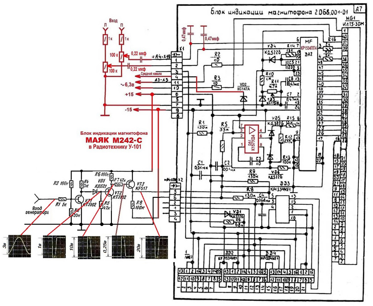
А у меня блок от Маяка 242. Подключил к У-101, работает, но не могу задействовать как-нибудь счетчик: сегменты от цифр высвечиваются беспорядочно.
 |
|
|
Kasbek
|
| Видимо, надо вход счетчика (5-й контакт) подавать отрицательные импульсы. А у меня получились положительные. |
|
FreddikMerfi
Автокран Ивановец
Сообщения: 4088
|
| Kasbek, так поставь инвертор (микросхемку) или один транзистор типа кт315 или подобный. На базу через резистор 3-5 кОм импульсы. Эммитер на минус. Коллектор через 1-3 кОм на плюс питания. Сигнал с коллектора на счетное устройство. Каскад на транзисторе с общим эммитером переворачивает (инвертирует) сигнал. Это будет совсем по простому! Если я конечно ничего не напутал. |
|
|
Kasbek
|
Попробовать так?

|
|
|
CatSW
|
Можно проще - там дальше по схеме подтяжка к +15в стоит - а значит любой НПН в виде ОК или Нканальный полевик на -15в. Управляющие цепи по вкусу)
По факту счётчик считает не импульсы, а либо фронты, либо спады - так что полярность тут не важна от слова совсем. Хотя по даташиту они заявляют про импульсы отрицательной полярности). У них вообще логика отрицательная - т.е. логической "1" соответствует низкий уровень напряжения относительно общего провода, логическому "0" - высокий уровень.
В результате нам нужна схема (да хоть оптрон) который будет при открытии замыкать счётный вход на -15в и отпускать при закрытии (+15 вольт за счёт резистора подтяжки). Не усложняйте)) |
|
|
Kasbek
|
А я намудрил, а не работает:
| majak-242_1.jpg |
| Описание: |
|
| Размер файла: |
638.11 КБ |
| Просмотрено: |
479 раз(а) |

|
|
|
|
CatSW
|
| Глупый вопрос - но я его должен спросить )) У схемы +-15 вольт питания, но у М85 и М86 питание 30 вольт - от крайних точек. Вы форму импульсов смотрели относительно -15 вольт надеюсь, а не от земли? |
|
|
Kasbek
|
|
|
CatSW
|
Вот и ответ - микросхемы не поняли изменения уровня - исходя из Ваших условий для их работы уровень на 5м входе должен меняться от -15 до +15.
Самое простое - отсоедините 5й вывод разъёма Х2 и замерьте напряжение на нём. Желательно между 5м на Х2 и -15в !
По результатам мы быстро пристроим одну оптопару и всё )
(По идее оно должно быть +15 В благодаря R9 - но надо убедиться). |
|
|
Kasbek
|
|
|
CatSW
|
| Просто сейчас сам изучаю эти индикаторы (приятно детство вспомнить) - накупил их немного на аукционах, скачал всю доступную информацию по микросхемам, и когда появляется свободное время копаюсь с ними) Кстати, эти микросхемы счётчиков до сих пор есть в продаже новые, я себе пяток купил, благо стоят совсем недорого) |
|
|
Kasbek
|
| Надо и себе купить. Жаль только, что пересылка дорого. |
|
|
CatSW
|
| Письмом можно отправить думаю, не должно оно дорого стоить. |
|
|
Kasbek
|
| На днях выслали 6 микросхем серии К176 из Москвы - почта взяла 260 р. |
|
|
CatSW
|
| Ну да... Пара пачек сигарет )) |
|
|
Kasbek
|
| Я не курю. 1 кг сарделек «Выселковских». |
|
Sergej
Передовик
Сообщения: 2684
|
| Kasbek писал: | | На днях выслали 6 микросхем серии К176 из Москвы - почта взяла 260 р. | А 561-й серии не было? 176-я .... Не буду ругаться. |
|
|
CatSW
|
| То же резануло глаза. С какой радостью я перепрыгивал на 561ю - словами не передать, питание 3-15, и статики почти не боится, и общая надёжность на порядок получше. А так - полный аналог. |
|