| Автор | Сообщение |
Strike
Фанат форума
Сообщения: 3812
|
Всем привет.
Есть задача , с помощью ик пульта управлять сенсорной кнопкой .
Например на таком приемнике..
Но к сожалению для ик приемника (от тв) необходим промодулированный сигнал, ок 30кГц.
И ТВ пульты посылают пакеты импульсов.
Что можно сделать , чтобы одно нажатие на пульте - соответствовало одному зажиганию С/Д.?.
Длительность ок. 0,05- 0,2 сек.
Может есть какие простые схемки на логике... |
|
I.Cherry
Фанат форума
Сообщения: 4953
|
| Цитата: | | Что можно сделать , чтобы оно нажатие на пульте - соответствовало одному зажиганию С/Д | первое что в голову сбрело - см. рис.
возможно, что требуется коректировка.

|
|
Strike
Фанат форума
Сообщения: 3812
|
I.Cherry,Нет не пойдет, если будет мигать первый диод, то и второй также..
Тут скорее нужно не в приемника копаться... |
|
m.ix
Master Mixa
Сообщения: 1972+
|
пространно
На первом логическом элементе (ЛЭ) собираем схему поддержки единицы во время прихода пачек импульсов.
На втором собираем либо триггер либо своего рода датчик приходящего импульса, который при при ходе как раз будет выдавать один короткий импульс.
Просто заглянуть в книжки по логическим элементам, там подобные примеры рассмотрены на простях ЛЭ |
|
Strike
Фанат форума
Сообщения: 3812
|
| Думал об этом. посмотрим.. Пока попробую генератор слепить.... |
|
-20 dB
Фанат форума
Сообщения: 7674
|
| Strike писал: | | Как сформировать один пакет импульсов.? |
Strike, как-то разнится название темы и постановка задачи в посте. Если постановка задачи в первом посте верна - совсем не понимаю, зачем это надо... есть вариант на четырёх деталях - транзистор, разряжающий конденсатор при каждом импульсе, резистор, через который тот конденсатор заряжается, и триггер Шмитта, который на этом конденсаторе контролирует напряжение (собст-но, можно обойтись стандартным таймером на 555 с перезапуском импульсом положительной полярности и временем задержки чуть больше промежутка между пачками импульсов одной посылки). Однако (поскольку смысла всё равно не понял, и воспринимаю вопрос как повод к мозговому штурму), мы не ищем лёгких путей, и попробую решить задачу, обозначенную в заголовке - как более сложную (тем более, что вторая задача при этом решается сама).
Итак, выделяем ВСЮ первую пачку импульсов (команду) при каждом нажатии кнопки. Исходя из предположения, что импульсы на выходе фотоприёмника неинвертированные, а таймаут (перерыв между нажатиями клавиш) хоть чуть-чуть, да больше, чем время между пачками в одной серии посылок, слегка прикинул блок-схемку (внизу). И эпюрки (ещё ниже). Итак..
После прихода первого же импульса (флага) первой после нажатия кнопки посылки, запускается одновибратор t1, формируя импульс обратной полярности с длиной выходного импульса, в 2-3 раза большим периода импульсов в пачке. При этом, каждый следующий импульс сбрасывает этот одновибратор в начальное положение (повторный запуск). Таким образом, в состояние лог.1 этот одновибратор вернётся только по истечении времени t1 после прихода последнего импульса первой посылки. Таким образом, на выходе одновибратора t1 получаем последовательность импульсов, длиной чуть больше одной посылки. Инвертированный выходной сигнал с выхода t1 поступает на вход элемента 3И, разрешая прохождение сигнала посылки с фотоприёмника, поданного на другой вход того же элемента.
Первый же фронт импульса вернувшегося в сост. лог.1 одновибратора t1 запускает аналогичный одновибратор t2 , время импульса которого чуть больше или равно Tинф+tо. Таким же образом, фронт каждого импульса на выходе t1 сбрасывает период ожидания t2, т.е, в состояние логической единицы этот таймер перейдёт только выждав время t2 после окончания последней посылки в группе, или, проще говоря - когда в последовательности будет пропуск хотя бы одной посылки. По возвращении t2 в сост. лог. 1 устройство возвращается в исходное состояние, и готово к повторному нажатию кнопки. Сигнал логического 0 с выхода этого одновибратора блокирует прохождение всех посылок, кроме первой, на выход элемента 3И.
Ну, вот и всё. Кроме того, что элемент 3И для работы по ЭТОМУ алгоритму можно заменить элементом 2И, не подавая на него сигнал с таймера t1. А оставил я этот сигнал для реализации всех возможных сигналов. Так, если требуется форма сигнала на второй снизу эпюре, верхний вывод элемента 3И следует отцепить от выхода ФП и подать на него лог.1 (ну, или проще - применить 2И, отказавшись от верхнего вывода вообще). Если выкинуть из схемы вообще всё, оставив только таймер t2, подключенный к выходу ФП, то получим импульс, равный по длительности нажатию на кнопку пульта (о чём я и писал в самом начале). Для полной реализации схемы (не считая выходного каскада, который тут таки наверняка должон быть) потребуются 2 корпуса 561-й серии (например, ЛН1 и ЛА9) и опционально, для построения надёжных одновибраторов - два КТ3102 или подобных (ну, хоть что-то в Самоделкине должно же быть с разборки старья? . )
ЗЫ: в принципе, вместо одновибратора t1 можно использовать и одновибратор с временем импульса, несколько превышающим длину пачки импульсов команды, без перезапуска. Но такой вариант применим только с каким-либо конкретным пультом с одинаковой "битностью" команд (неприменим, например, для пульта RMT-V198D от видеомагнитофона SONY SLV-717, имеющего "комплексные" команды, задающие последовательность сразу нескольких действий. Длина посылки такой команды - фактически, посылка нескольких команд одним пакетом - в 2-3 раза превышает длину посылки обычной одиночной команды). Применив таймер с перезапуском и со временем импульса, чуть больше одного такта команды, я пытался добиться универсальности девайса - совместимости с большинством пультов ДУ.
Так как поставленное условие воспринимаю именно как логическую задачку, по двум причинам сам не проверяю решение в Workbench'е и аналогичных "конструкторах" - во первых, теряется интерес, во-вторых - просто в облом ставить на комп. Впрочем, это нисколько не должно мешать критикам при наличии такого ПО проверить мои догадки с помощью этих программ или на макете.
img008.jpg 50.1 КБ Скачано: 2920 раз(а)
|
|
Strike
Фанат форума
Сообщения: 3812
|
Да., немного "сумбурно" поставлена задача..
-20 dB, Ок, спасибо .Вот как раз 4 диаграмма более "подходящая", как предполагаю..
Надо сляпать схемку о опробовать...
В принципе - решено, если у кого будут еще какие идеи - выкладывайте.... |
|
m.ix
Master Mixa
Сообщения: 1972+
|
| -20 dB писал: | | еще какие идеи - выкладывайте | Strike, у тебя книжки по отечественным ИС есть?
Если да то загляни, ничего сложного там нету.
От туда некоторые идею беру. |
|
Strike
Фанат форума
Сообщения: 3812
|
m.ix, Самих микросхем 561 серии нету почти.
Есть электронный справочник, там вроде все есть.. |
|
m.ix
Master Mixa
Сообщения: 1972+
|
| зато полно pfубежных аналогов 1:1 |
|
Strike
Фанат форума
Сообщения: 3812
|
| m.ix,Вкурсе, но у нас и с этим проблема, помнишь я ждал посылку с Москвы?, для сиипрога там были микры, некоторые... |
|
-20 dB
Фанат форума
Сообщения: 7674
|
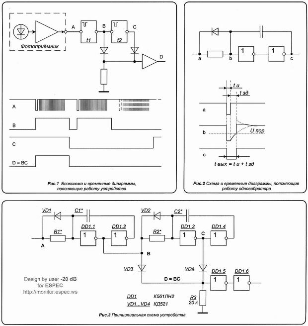
Ну вот, с обновлённым техзаданием слепил схемку. Обошёлся всего одним корпусом 561ЛН2 или подобной (6 инверторов), причём так как на выходе, похоже, однохренственно предполагается транзисторный ключ, повторитель на DD1.5 и DD1.6 можно с успехом выкинуть, заменив остальные инверторы элементами 2И-НЕ или 2ИЛИ-НЕ (т.е применив 1 корпус 561ЛА7 или ЛЕ5, или их аналоги - в разборке этого хлама должно быть как мусора... Хотя почему КАК?).
В общем, слегка поменял концепцию, не меняя логики работы схемы (рис.1):
во-первых, предложенный Strike фотоприёмник оказался инвертирующим, во вторых - убрал избыточность схемы. В третьих, с конкретизацией задания вместо одновибраторов оказалось разумнее применить устройства задержки фронта сигнала (рис.2, объяснять работу, думаю, смысла нет - из временных диаграмм должно быть понятно). В четвёртых, чтобы ради одного элемента не ставить целый корпус ЛА7 или ЛЕ5, заменил сумматор схемой "монтажное ИЛИ" на диодиках.
Времязадающие цепи, если честно, рассчитывать в облом - звёздочек наставил, а осциллограф, надеюсь, есть. Дальше эмпирическим методом - метод тыка рулез...
Итак, результат на поругание критиков:
img009.jpg 48.21 КБ Скачано: 2854 раз(а)
|
|
Strike
Фанат форума
Сообщения: 3812
|
-20 dB, Спасибо, но мне надо "раскурить", эту логику...
С фотоприемника приходят несколько пачек импульсов.
Как начнется первая пачка, в точке А будет 0 , и запустится первый одновибратор (DD1.1 - DD1.2).
Длительность его импульса превышает длительность импульсов в пачке, значит он будет отрабатывать пока не закончится его "цикл".
При котором в точке В будет лог 1, пока не зарядится С1.
В состоянии "покоя" в токе В лог 0, который не дает работать второму одновибратору, значит на выходе схемы 0.
При пуске первого одновибратора, на выходе лог 1, и будет продолжаться пока не не отработает второй одновибратор..
Непонял насчет первого блока, приходящие пачки импульсов не будут его "перезапускать"?
Или они (одновибраторы) уже не "воспринимают" внешнее воздействие пока не отработают своё?
Чего я недопонял?  |
|
-20 dB
Фанат форума
Сообщения: 7674
|
Strike, если это про обновлённую схему - то это не совсем одновибраторы (на картинке 2 в подписи забыл изменить функциональность узла, но в в описании всё таки указал). Это устройства задержки спада отрицательного импульса (положительного перепада). Не знаю, есть ли описание этого узла в справочниках, я эту схемку накидал сходу. График заряда конденсатора (осциллограмма в точке b на рис.2) объясняет работу этого узла.
При поступлении нулевого потенциала конденсатор разряжается через диод и открытый транзистор нижнего плеча выходного каскада предыдущего элемента на корпус, на входе первого инвертора появляется нулевой потенциал, на выходе тоже образуется нулевой потенциал (поскольку два инвертора образуют повторитель), "заземляя" вторую обкладку конденсатора. Конденсатор разряжается, и находится в таком состоянии до окончания отрицательного импульса (до положительного перепада).
С приходом положительного перепада начинается заряд конденсатора через резистор (диод в этом режиме заперт потенциалом встречной полярности). Кривая заряда конденсатора на рисунке показана нижне штриховой линией. Так бы он и заряжался, но... При каком-то уровне Uпор (штриховая горизонтальная линия на графике), равном примерно половине напряжения питания, наступает момент, когда первый инвертор начинает открываться. Вслед за ним начинает переключение и второй инвертор. Процесс имеет лавинообразный характер, поскольку растущий потенциал на втором выводе конденсатора вызывает увеличение напряжения и на его первом выводе, а значит, и на входе первого инвертора. Таким образом, в этот момент узел из двух инверторов представляет собой подобие триггера Шмитта. После установления на выходе лог.1 второй вывод конденсатора через транзистор верхнего плеча выхода второго элемента оказывается подключен к плюсовому поводу питания. Но конденсатор-то уже частично заряжен! Поэтому напряжение на его первом выводе оказывается равным Uпит+Uпор (где Uпор - напряжение, до которого успел зарядиться конденсатор на момент переключения). Точнее, оказалось БЫ равным (верхний штриховой "выброс" на диаграмме). БЫ - потому, что при превышении напряжения на входе лог. элемента открывается верхний защитный диод на входе элемента (см. схемы элементов КМОП в справочниках, а именно в этой схеме допустимо применение и микросхем серии К176, где этот диод предусмотрен не был, благодаря наличию VD1 в схеме), и первая обкладка конденсатора тоже оказывается подключена к +Uпит. Таким образом, кондёр оказывается подключен обеими лапами к одной шине, и разряжается. Устройство готово к новому циклу.
Итак, длительность отрицательного импульса на входе этого устройства при поступлении одиночного отрицательного импульса на вход составляет сумму длительности входного отрицательного импульса и времени зарядки конденсатора до Uпор. Но, если в течение времени зарядки конденсатора до Uпор на вход поступает новый импульс отрицательной полярности, конденсатор разряжается снова, и естественно, процесс заряда прерывается. до окончания нового импульса. А значит, при поступлении на вход ПАЧКИ импульсов отрицательной полярности, если время задержки узла tзд БОЛЬШЕ промежутка между этими импульсами, вся последовательность импульсов на входе превратится в один сплошной импульс, и устройство вернётся в исходное состояние только при превышении перерыва между импульсами сверх tзд, т.е спустя время tзд после прихода последнего импульса пачки. Ес-сно, время задержки первого устройства не должно превышать времени перерыва между командами (а оно в большинстве обнюханных мною пультов составляет от 4-х до 16-и тактов, т.е в 8...32 раза больше промежутков между импульсами одной команды)
Из этого: при задании tзд первого узла хотя бы в полтора больше самого длинного импульса положительной полярности (а учитывая то, что выход фотоприёмника инвертирующий, импульсы положительной полярности это паузы между информационными импульсами отрицательной полярности) в пачке импульсов одиночной команды, на выходе узла формируется ОДИН импульс длиной Tинф+t1 на пояснительной диаграмме к блок-схеме от 29 января (t1 на этой схеме таким образом - это tзд на рис.2 от 30 января). При этом, таки надо учесть, что сигнал мы берём не с того выхода узла, который показан на рис.2, а с инвертирующего - т.е просуммированый импульс пачки мы имеем положительной полярности (диаграмма B на рис.1)
Второе устройство работает АБСОЛЮТНО аналогично. Если мы "сожмём" развёртку осца при исследовании сигнала на выходе первого выхода... УПС! Таки, я лажанулся.
| Strike писал: | Непонял насчет первого блока, приходящие пачки импульсов не будут его "перезапускать"?
Или они (одновибраторы) уже не "воспринимают" внешнее воздействие пока не отработают своё?
Чего я недопонял?  |
С первым-то блоком всё ОК, как описал выше - ЭТОТ одновибратор запускается и перезапускается каждым воздействием, как надо. А вот со вторым... который на DD1.3, DD1.4 и который как раз должен пропустить только первый импульс с выхода первого "одновибратора" и "зарезать" остальные - проблемко. Недодумка недоумка. Тут как раз надо ставить не задержку, а именно одновибратор с запуском положительным перепадом и с рестартом последующими положительными перепадами... Ща постараюсь исправиццо. Ну, голова уже столь же несвежая, как и к моменту публикации предыдущего варианта схемы, поэтому за срочность не ручаюсь.
 |
|
Strike
Фанат форума
Сообщения: 3812
|
Все нормально, спасибо за подробность.
Главное в первом блоке выбрать длительность RC для конкретного пульта.., понятно.
Насчет второго я тоже помозгую, может что придумаю сам, не торопись...
ДОБАВЛЕНО 31/01/2010 02:03
Может сделать первый блок с большой длительностью,.типа детектора с большой емкостью, а второй уже одновибратор, запускающийся при переходе с лог 0 на 1., и все.?
Пока идут пачки- первый удерживает лог 1 для одновибратора, как отжали пульт ( следующее нажатие конечно превысит паузу перед пакетами) уход в 0, и второй блок готов для следующей команды от детектора..
? |
|
-20 dB
Фанат форума
Сообщения: 7674
|
Strike, не обязательно для конкретного. В конце концов, период импульсов в различных пультах не очень-то и отличается - схемку я как раз и пытался разработать так, чтобы она подходила ко всем когда либо виденным мною пультам (может, и есть какие нибудь "извращённые", но мне не попадались). Иначе можно было бы просто поставить одновибратор без перезапуска с запуском по первому импульсу пачки (классическая схема одновибратора на лог. элементах, есть практически в любой статье или книжке по импульсным устройствам на КМОП элементах) и временем "удержания" чуть больше всей пачки. Лично меня такой вариант не устраивает: нет гибкости и универсальности, нет зарядки для ума - теряется интерес к задаче. Задержка первого блока может сколь угодно превышать время паузы между импульсами в пачке - от 1,1tпаузы и до... Главное, чтобы она не превысила длительность паузы между КОМАНДАМИ, т.е между пачками импульсов одного нажатия. Проще говоря - на выходе этого блока должен устойчиво формироваться импульс во время действия промежутка между пачками, а насколько этот импульс будет задержан по времени относительно окончания пачки - не имеет значения.
А второй блок должен: запуститься ПО ОКОНЧАНИИ сформированного первым блоком первого импульса, перезапускаться каждым следующим импульсом с выхода этого блока, и время его задержки должно перекрывать паузу между пачками импульсов одного нажатия, но не превышать паузы между последовательными нажатиями кнопок.
ЗЫ: что-то не думается сегодня с одновибратором вместо второго блочка. Завтра помозгую. |
|
Strike
Фанат форума
Сообщения: 3812
|
Ок, тож сплю почти,..  |
|

|