| Автор | Сообщение |
|
MAXXSEEM
|
| Возможно ли это собрать блок питания, вернее переделать обычный под входное напряжение 12 В ??? Хочу собрать комп в машину... |
|
|
Банда Телепузиков
|
1) берёщь что-то готовое..
2) придётся лепить преобразователь..
берёшь шим, которыц питается от 12 вольт,
расчитываешь транс, первичную и вторичную обмотку..

|
|
-20 dB
Фанат форума
Сообщения: 7674
|
| Банда Телепузиков писал: | | расчитываешь транс, первичную и вторичную обмотку.. |
ИМХО, не всегда так. Если есть обмотка 12 В в исходном БП, и достаточно мощная, транс можно качнуть по ней. Тем более, что цепи +12, по сути, будут питаться уже практически непосредственно от бортовой сети (стабилизацию для них таки предусмотреть надо будет).
Беда в том, что аффтар ну никак не научится создавать темы. Я скоро злиться начну. 7-я тема в Самоделкине, блин, юбилей скоро - и ни слова, какой БП? что за агрегат? какие напряжения требуются? Комп AT? ATX? Ноутбук? "В каждой строчке только точки... Догадайся, мол, сама..."
MAXXSEEM, не думаю, что ты очень рад будешь, если тебе так же тут отвечать будут, как ты спрашиваешь. И на статус свой посмотри. Чай, не "Новичок" уже.
 |
|
elgen
Фанат форума
Сообщения: 15960
|
Взято тут
Из описания:
| Цитата: | Схема блока питания форм-фактора ATX, при использовании автомобильной АКБ
Основу Б/П представляет ШИМ (TL494 или аналоги). Два полевых MOSFET-транзистора коммутируют постоянное напряжение 12В с аккумулятора на импульсный трансформатор TR1. Выходные напряжения снимаются с вторичных обмоток, после выпрямления на полупериодных выпрямителях D3-D12, после чего попадают на общий дроссель DR1 и на индивидуальные L-фильтры DR2-DR6.
Конструктивно Б/П выполнен на односторонней печатной плате размером 85х95мм,
Трансформатор мотается медным одножильным проводом в лаковой изоляции диаметром 1 мм. в 2 нитки, т.е. суммарное сечение составило около 1.5 мм2. Феррит марки М2000НМ1-36 типоразмером 45?27?12. В качестве изоляции обмоток применялась черная тряпичная изолента (лакоткани под рукой, как назло, не оказалось). Порядок намотки следующий: на заизолированный феррит плотно наматывается первичная обмотка двойным проводом в 2 косы по 6 витков в каждой. Конец первой соединяется с началом второй, это соединится с +12В АКБ (точка #3 на рис.2). Свободные концы этой обмотки подсоединятся к транзисторам Q1 и Q2 (точки #1 и #2 на рис.2). Далее наматывается слой изоляции, и укладываются вторичные обмотки. Вторичная обмотка также симметричная, состоит из 2-х половин. Каждая из половин в свою очередь состоит из 2-х отрезков в 8 и 6 витков. Обе половины соединены свободными концами 2-х 6-ти витковых обмоток (земля или точна #4 на рис.2). От стыков 8-ми и 6-ти витковых обмоток снимаются ±5В, сделаны отводы (точки #7 и #8 на рис.2). Со свободных концов снимаем ±12В (точки #5 и #6 на рис.2). Обмотка для +3.3В мотается поверх, после слоя изоляции. Она состоит из 2?7 витков (две половины, 7 витков в каждой), средней частью соединена с землей (точна #4 на рис.2). Свободные концы – к точкам #9 и #10 на рис.2. Все обмотки, естественно, мотаются в одну сторону. Т.к. пропаять такой пучок толстых проводов весьма сложно, выходы обмоток вместе с гибким монтажным проводом обжимались медными гильзами.
Общий дроссель DR1 берется от компьютерного Б/П, DR2-DR6 – оттуда же. Диоды D3 D8, D11 D12, и D5 D6 – в корпусе TO220 также выпаяны из компьютерного блока питания. Остальные диоды выпрямителя – диоды Шотки на ток 5-7 А. Оптопара также извлечена из того же Б/П, можно заменить на любую аналогичную.
Реле – любое на 12В и коммутируемый ток 20-40 А. Я взял реле из автомобильной сигнализации. Диоды D1 и D2 также любые, лишь бы подходили по току.
Диоды, полевые транзисторы и интегральный стабилизатор устанавливаются на радиатор через изолирующие прокладки. Величина тока срабатывания защитного предохранителя подбирается экспериментально, исходя из мощности имеющейся нагрузки. После отладки желательно залить всю схему в компаунд или эпоксидную смолу с целью предотвращения коррозии и механических повреждений Б/П. |
Сам не собирал.
ДОБАВЛЕНО 11/03/2009 13:15
Схемы и печатка увеличиваются нажатием. |
|
|
Степан
|
| MAXXSEEM писал: | | Хочу собрать комп в машину... |
А не проще добавить преобразователь 12-220 ?  |
|
|
Dmitry Dubrovenko
|
| Степан писал: | | А не проще добавить преобразователь 12-220 ? | Оно будет универсальнее, но не проще, а главное - получается куча преобразователей. |
|
m.ix
Master Mixa
Сообщения: 1972+
|
off
| Dmitry Dubrovenko писал: | | а главное - получается куча преобразователей | Сегодня чуть сосмеху не упал.
Когда увидел вскрытый китайски аппарат.
Стоят три транса два из них огромных а один мелкий
Преобразователь должен выдать как минимум полкиловатта. |
|
m.ix
Master Mixa
Сообщения: 1972+
|
MAXXSEEM, Все микрокомпы имеют БП который греется и не хило.
У самого дома мелкий, сам собирал.
В связи с перегревом я поставил кулер на 11000 оборотов.
Да свисти да шумит.
НО ветер выдувает шикарно. в компе у меня 4 кулера
на мосту
на входе
на выходе два один на выход сделал совмещённым с БП он экранирован и в нутринаходится, даже отверстий в наружу корпуса неимеет.
Охлаждение компа всегда стоит на первом месте.
куллер Sanon PMD1204PQBX-A Развивает 14000 проверил на тахометре. Короче ураган.
 |
|
m.ix
Master Mixa
Сообщения: 1972+
|
Добавлю один аспект для дэвайсов в машине.
Это влажность!!!
Все видели запотевшие стёкла в авто.
Электричество и вода несовместимы.
Так что и от конденсата нужно как то избавлятся а он в машине будет на все 1000% |
|
elgen
Фанат форума
Сообщения: 15960
|
| Для того существуют цапонлак, герметики и парафин. |
|
m.ix
Master Mixa
Сообщения: 1972+
|
| elgen писал: | | Для того существуют цапонлак, герметики и парафин | Что бы всю мамки ими обмазать  |
|
sasadf
Передовик
Сообщения: 1817
|
| А почему бы не использовать для питания обыкновенный бесперебойник? |
|
|
Dmitry Dubrovenko
|
Бесперебойник рассчитан на работу от 12V аккумулятора, а в автомобильной сети, официально 13-14V, а на самом деле вообще твориться чёрти-что:
Так что "обычный" бесперебойник может и не сдюжить.
Ну, и само сабой, дополнительное преобразование, габариты, и всё такое. |
|
|
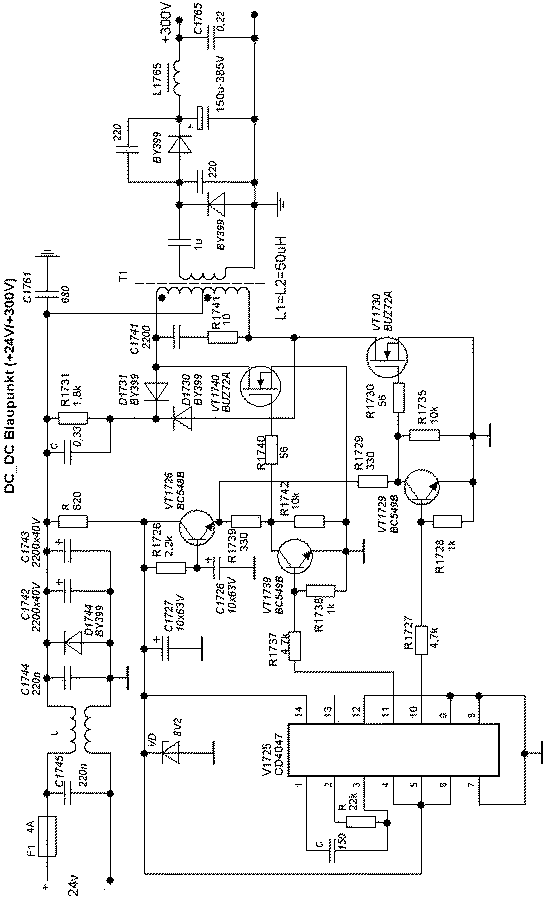
Радомир
|
Немцы проще сделали. Правда тут от 24в, можно и на12 переделать.
DC_DC Blaupunkt.gif 14.5 КБ Скачано: 6897 раз(а)
|
|
-20 dB
Фанат форума
Сообщения: 7674
|
| Радомир, а ссылочка на источник есть? На ТТХ девайса и намоточные данные трансформатора посмотреть охота. |
|
|
Радомир
|
| К сожалению ссылки нет, да и насколько помню схему выкладывали совсем без описания. |
|
|
Степан
|
| Радомир, Ну и чем ЭТО отличается от обычной "китаезы" 12-220 ? |
|
|
Радомир
|
| Ну если "китаёза" выдаёт -300, а не ~220, тогда ни чем. |
|
|
MAXXSEEM
|
Была мысль поставить преобразователь 12-220 но как выяснилось ток нагрузки сумашедший
Степан, А не проще добавить преобразователь 12-220 ? классно
при заглушенном движке музыку не послушаешь аккумулятор кончает моментально |
|
-20 dB
Фанат форума
Сообщения: 7674
|
| MAXXSEEM писал: | | при заглушенном движке музыку не послушаешь аккумулятор кончает моментально |
А что ты хотел? Энергия - штука подлая... Ну, не берётся она из ниоткуда и не исчезает в никуда. Так что если ATX подключать собрался - освобождай багажник под акки. Ты ещё метровую плазменную панель подключи и акустику киловаттную. Хочешь разумный совет - бери ноут типа Asus EEE или нетбук Acer Aspire One, ставь преобразователь или импульсный стабилизатор (11-18)/9 В - и будет тебе ЩАСТЕ! И штатного бортового акка надолго хватит, и мощностей нетбука на все более или менее разумные "дорожные" требования вполне хватит. И музыку послушать, и кино посмотреть, и в сеть сползать.
Кстати, ты так и не ответил на вопрос:| -20 dB писал: | | что за агрегат? какие напряжения требуются? Комп AT? ATX? Ноутбук? | . Задал вопрос и исчез больше чем на неделю - обсуждайте, мол, что хотите и как хотите, а я потом выберу то, что мне надо - если угадаете, а если не угадаете - так хоть посмеюсь над наивностью... Так, что ли? |
|