| Автор | Сообщение |
elektronik 41
Завсегдатай
Сообщения: 504
|
| тимоннн, схема стандартная катушка против еее против эдс работает чистота важна ремонтировал такую есчи че найдем и расчитаем ща бухаю |
|
elektronik 41
Завсегдатай
Сообщения: 504
|
| тимоннн, е ну ты пипиц явно написано катушка L-1 от 200-600мкген только толстым проводом от 0.5ММ ТОЧНО НЕ ПОМНЮ матай или поищи зарядник импортный |
|
NE51S
Завсегдатай
Сообщения: 810
|
| elektronik 41 писал: | | есчи че найдем и расчитаем ща бухаю |
Завязывай, пьяный месяц закончился уже. |
|
|
beber
|
от солнечных панелей заряжать подойдёт
лучше чем параметрический стаб городить |
|
|
Anatoly563
|
| Простое и надёжное ЗУ промышленного изготовления: "КВАНТ" |
|
INSAN
Передовик
Сообщения: 1654
|
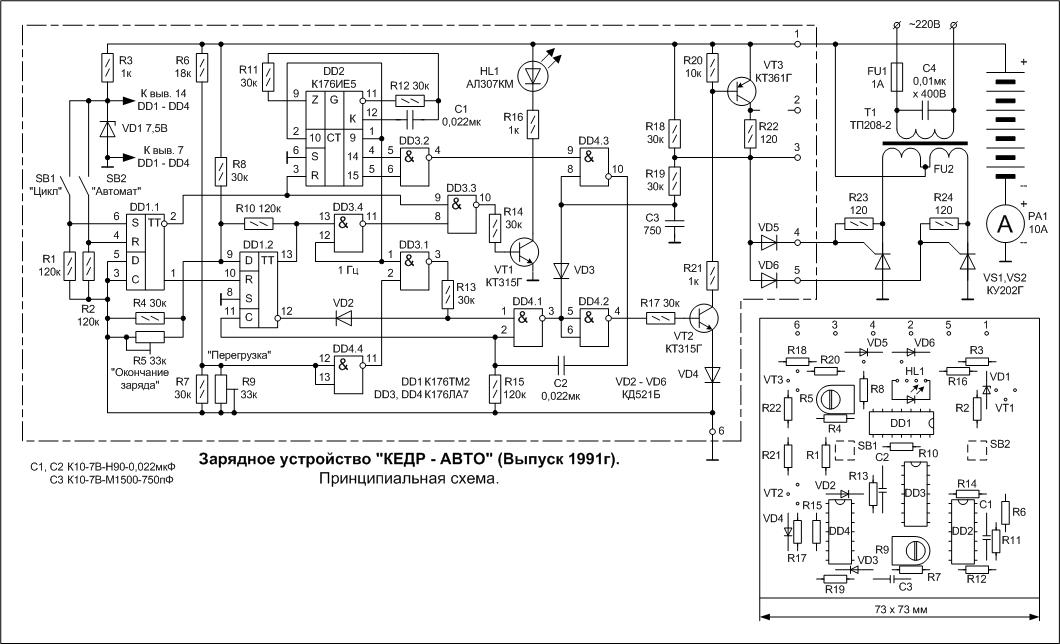
Заряжал акб КЕДР -АВТО 12В, отличное устройство.. буду себе собирать такое ЗУ. В архиве инструкция , схемы и печатки плат
| Схема.JPG |
| Описание: |
|
| Размер файла: |
267.54 КБ |
| Просмотрено: |
2437 раз(а) |

|
kedrM.zip 960.3 КБ Скачано: 1735 раз(а)
кедр_авто-12в.rar 8.71 КБ Скачано: 1709 раз(а)
|
|
oleg1ma
Завсегдатай
Сообщения: 371
|
| INSAN писал: | | буду себе собирать такое ЗУ. | Я собираю такие простенькие, есть все защиты от дураков и также есть авт режим, можно оставлять аккум. на зарядке сколько угодно не боясь что выкипит.Платка размером 40х75мм, на ней все кроме переменника и тиристора. |
|
INSAN
Передовик
Сообщения: 1654
|
| oleg1ma, печатку скинь пожалуйста . И о замене напиши транзисторов на отечественные или другие если заменял их . |
|
oleg1ma
Завсегдатай
Сообщения: 371
|
| INSAN писал: | | oleg1ma, печатку скинь пожалуйста . | Тр-ры можете менять на наши КТ502, КТ503.
простая зарядка.zip 22.08 КБ Скачано: 1920 раз(а)
|
|
elektronik 41
Завсегдатай
Сообщения: 504
|
NE51S после долгих эксперементов на 2х блоках питания резьтата не дал не запускался потом подал с диодного моста без электролитов импульс пошол выиснил что влючается после 6-10 вольт и при замыкании выключателя точне посмотрю если нет акамулятора или обратная полярность не влючается смотрел на стабилитроне наличие 5и6 вольта а как действует защита будет отключатся после 14и5 вольт
на акамулятора
еще поэксперементироввал без акамулятора на лампочке 24в горит и регулируется яркость[/quote]
транзисторы поставил кт 3102 кт 3107
ДОБАВЛЕНО Январь 24 2013
щас отредоктирую схумку потом выложу |
|
elektronik 41
Завсегдатай
Сообщения: 504
|
|
|
andreyvrn
|
| elektronik 41 писал: | NE51S, не открывается что за разрешение Зарядное Устройство (2).spl7
ДОБАВЛЕНО Январь 13 2013
не все это навороты не нужные достаточно 2=3 транистора просто и тиристор задача простая защита и регулировка от 0-до 15в |
Где можно почитать описание про эту схему? |
|
|
Anatoly563
|
Любителям трансформаторных ЗУ для авто настоятельно рекомендую для повторения схему пром. ЗУ родом из Беларуси (стабилизатора импульсного тока, регулируемая "рваная" синусоида 100 Гц) из прошлого века. Изделие проверено практикой, "мин нет". Вместо оптотиристов с успехом работают обыкновенные тиристоры, возможно придётся "корректировать" токи их управления.
Для просмотра предлагаемой схемы набирите в поисковике "Устройство зарядное УЗ-7,5". |
|