| Автор | Сообщение |
ЕМХ
Передовик
Сообщения: 2257
|
|
sofrina
Модератор
Сообщения: 4833
|
| плата -postal2, аппарат на майне CV181H-X, категорически отказывается коннектится в дежурном режиме, в рабочем -без проблем, а вроде как должен и в дежурке? Во всяком случае если память не подводит раньше эти зависшие трупики поднимал и с дежурки, во всяком случае горящий красным индикатор на передней панели говорил об этом |
|
|
fsem
|
|
|
Postal2
|
Последняя версия для LPT-порта с завершённой поддержкой ик-пультов, аналогично usb-версии. Декодеры протоколов и конверторы форматов сторонних файлов - отложено на потом.
Postal2_irtest_01.rar 450.09 КБ Скачано: 1814 раз(а)
|
|
goga_tv
Фанат форума
Сообщения: 4857
|
| Postal2 писал: | | Последняя версия для LPT-порта с завершённой поддержкой ик-пультов, аналогично usb-версии. |
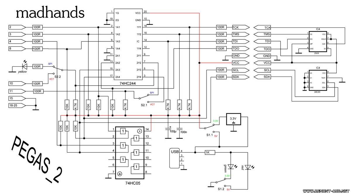
А можно схемку, с подключением ИК приемника.
Для прошивки вог, спи, я использую эту схему. Куда ИК приемник подключать?
6793150.jpg 91.85 КБ Скачано: 1431 раз(а)
|
|
|
Postal2
|
| goga_tv, выход ик-приёмника подключается к sda, а излучающий ик-диод (с резистором 33..100 ом последовательно) - между scl и питанием (параллельно резистору подтяжки). Если работаешь с i2c-eeprom - посмотри даташит на неё и узнаешь, где sda, scl, общий и питание. Выбери в окошке под пульты тот же джиг, что и для i2c-eeprom, и подключай соответственно. |
|
Yuritsh
Фанат форума
Сообщения: 18498
|
Надо будет прикупить.
А пока вот так обхожусь.
 |
|
|
vyn
|
| Готов потестить PIC контролеры, что для этого надо? |
|
|
Postal2
|
| vyn, для тестирования PIC нужно сам PIC хотя бы 1 штука (какие у тебя?), далее нужна логическая схема для управления питанием и Vpp, либо - готовый программатор под LPT из списка для LPT-версии (он же подключается к usb-варианту). Далее нужно питание для программирования PIC (+5 и +13 обычно). Если будешь использовать usb-вариант - нужна последняя прошивка, дам почтой. Если никаких приблуд для прошивки PIC с LPT готовых нет - сейчас немного погодя дам рисунок, но только ключей и общей компоновки на плату, т.к. часть с ключами - общая для usb- и lpt-варианта. То есть, если делать плату - надо предусмотреть оба варианта подключения, к usb-девайсу шлейфиком или прямо в LPT (когда он есть). Как получать напряжения питания - каждый придумает сам. |
|
|
vyn
|
| Есть extrapic, но он на COM порт, есть Postal3, есть BiDiPro (LPT). Из контроллеров в наличии PIC12F629, PIC16F876, PIC16F676 и наверно еще парочка есть других, надо посмотреть. |
|
|
Postal2
|
vyn, почитал про BiDiPro... Смешанное чувство. Я так понял, есть LPT с соответствующей операционной системой. Давай тогда с него начнём. LPT-версия с драйвером есть у тебя или выложить здесь? Проверить можно на Атмелах через STK-200 ("5 проводков"). Схему ключей отрисую на бумаге и фото выложу через сутки. Можно подготовить питания и подключение пиков. Распиновка подключения для Микрочипа под LPT-версию расписана в текстовом файле ниже.
Подключение для usb-варианта расписано вместе с командами протокола (надеюсь, понять можно), прошивка с микрочипом работает только последняя (в ней работает кнопка i2c scan - определяет ответ от i2c-eeprom в панельке).
распиновка_ISP_Microchip_для_LPT.txt 3.5 КБ Скачано: 1381 раз(а)
postalavr_microchip.txt 1.1 КБ Скачано: 971 раз(а)
|
|
|
vyn
|
|
|
Postal2
|
| vyn, посмотрел по ссылке. В принципе схема годная, но там применена редкая логика - выход у которой на высокое напряжение. Я на обычной логике сейчас разрисую. Преобразователь Vpp годный. Но на плате должны быть сразу гнёзда под LPT- и USB-разъём, или хотя бы место под их распайку. Поэтому давай уж унифицируем это дело. Проще повторять - это хорошо, но не в ущерб удобству. |
|
|
vyn
|
| Согласен. Жду схемку. USB для питания? |
|
|
Servismen
|
Доброва времени суток. Пользуюсь Postalom 3 не долго, шьёт очень резво, всё интуитивно понятно. Работаю в "поле", т.е. на "линии" из этого вопрос: а возможно ли организовать автономный режим в Postalom 3. Ну скажем в USB разъём для компа. подключаем USB-Flash 8-32Гб + аналого-цифровой дисплей + простенькая клавиатура + внешний БП. Считываем дамп памяти и сохраняем на USB-Flash. а обратно новый.
ДОБАВЛЕНО 12/04/2015 23:21
Блин горелый !!! Как написать более длинное сообщение в одном посте. |
|
Yuritsh
Фанат форума
Сообщения: 18498
|
| Servismen писал: | | Как написать более длинное сообщение в одном посте. | Слева внизу кнопка "Ответить".
| Servismen писал: | | подключаем USB-Flash 8-32Гб + аналого-цифровой дисплей + простенькая клавиатура + внешний БП | И чем это лучше маленького нетбука? |
|
|
Postal2
|
vyn, схема вот-вот, она как бы есть, но надо красиво сделать. Применяется логика на 6 инверторов любая, всё то же почти как на той схеме, добавляются джамперы для переключения на usb-девайс и высоковольтный ключ вверх с левелшифтером, просто транзистор - ключ вниз, тоже размыкается джампером, он не всегда нужен. Гнездо usb - это посадочное место на плате, если через LPT используется - через него питание, всё верно.
Servismen, автономный режим будет на STM32, он не совсем автономный, просто можно будет к любому сотовому подключить и видеть мсх как файл (эмуляция sdcard + massstorage usb). Однако концепт на Меге настолько силён, что проживёт не один десяток лет ещё. Принцип его работы прозрачен и понятен - это тоже многим нравится. Так и надо было делать ещё давно. |
|
|
Servismen
|
Yuritsh Носить на ремонт маленький ноут. или планшет неудобно, можно уронить. Оставлять в машине особенно зимой не вариант - перемёрзнет.
Кнопку "Ответить" попробую, спасибо. Делаю первые, робкие шаги в интернете.
Postal2 STM32 обязательно посмотрю. |
|
|
Postal2
|
vyn, нарисовал более-менее. Один элемент от 74HC05 получается лишний, схема позволяет использовать 74HC14 например (не открытый выход). Если микросхема с неоткрытым выходом запаяна - тогда надо использовать перемычки J* (размыкать, иначе мсх мешает). Предполагается дип и панелька, поэтому всё равно. Предполагается, что резисторы на входе 74HC05 при неподключенном LPT сделают, чтобы мсх не мешала при работе через usb-девайс. При разводке платы как обычно нужно рассчитывать на "кабельный" разъём LPT, двусторонняя плата входит между рядами штырей. Остальное не знаю как. После проверки на практике схему можно будет красиво перерисовать в какой-нибудь программе. Джамперы J1, J2 - обязательно.
В базе n-p-n левелшифтера на самом деле 100 пик достаточно, но можно подобрать для синхронности второго ключа (который вниз, если нужен, он может быть лишний - для этого джампер J2). Катушку источника Vpp всё-таки лучше в виде чашечки наверно, пределы подстройки можно подобрать, а можно фиксированные сделать и переключать джампером.

pic_adapter_sch.rar 418.65 КБ Скачано: 806 раз(а)
|
|
|
vyn
|
Собрал, готов попользовать  |
|