| Автор | Сообщение |
|
Z.Alex
|
Добрый день!
Прошу помощи в ремонте данного БП. Предыстория:
Через 15 сек после включения, во время загрузки ОС, данный БП выключился с хлопком и запахом. При вскрытии обнаружилось что вентилятор давно заклинило, выходные емкости повздувались и ушли практически в кз, также пробитый ключ D13009 - заменил оба ключа на 2sc2625. Также, сгорела вся обвязка в базах обоих ключей (по прилагаемой схеме D8,R10,C9,R12,R13 и D9,R11,C10,R14,R15). Предохранитель, как всегда, остался цел!
Включил в сеть, посмотрел дежурку: 5V на +5USB и 4,95V на PS-ON
После этого, что мной было сделано:
- проверил диодный мост - ок
- заменены оба ключа и вся их мелочевка.
- заменены все неисправные выходные емкости.
- проверил D2,D4,D9 - исправны, считаю что транзисторы раскачки остались целы.
- проверил оптопару - ок
- проверил диодные сборки D29,D30, D32 - ок
- проверил обвязку, кажется это Q10 по схеме, CEF02N6A (черт меня дернул...), все в ней ок, но после этого...
...Возникло КЗ в дежурке. +5USB просел до 0,5V. Сгорел предположительно D14, стабилитрон (из маркировки на корпусе уцелело лишь VT8 или V8, неразберу, корпус как у PH4148) Помогите опознать, какой аналог можно поставить вместо?
Сейчас выпаял шим и LM339N (всю его плату с обвязкой вместе).
Что посоветуете?
Дополню: Шим при диагностике показывает около 5В на всех выводах - сдох. Стабилитрон 6,2В - есть аналог на 0,5Ватт подойдет?
Быстро сделал замер - на D26 сейчас 25V. Это ведь много верно?
+++sirtec_hpc-420-302df_126.pdf 178.11 КБ Скачано: 792 раз(а)
|
|
n max
Модератор
Сообщения: 17598
|
| на д26 это много+микросхему шим уже можно выкинуть.Заменить оптрон +431,и резики в базе Q9 и его самого до кучи |
|
|
Z.Alex
|
1) +431 - это что вы имели ввиду?
2) там стоит 817 оптрон я могу и аналог поставить?
3) Сейчас нет его перед глазами, какой аналог Q9 можно поставить из доступных? Например такой есть: 2N2222 - TO-92: Тип: NPN: UКЭ(макс): 75 В: IК(макс): 600 мА: Pрасс: 1.8 Вт. PN2222A
4) Стабилитрон 6,2В - есть аналог на 0,5Ватт подойдет?
5) Самый главный вопрос - какой теперь порядок? Ставим все и включаем? Или включаем сначала без шима и платы с LM339N? Нам на D26 какое напряжение нужно получить? |
|
n max
Модератор
Сообщения: 17598
|
1 431 это трёх ножка которая подключена к оптрону-без неё и будет 25в на выходе.
2 можно и аналог главное что бы был транзисторный 4n35 тоже подойдёт
3 можно поставить даже наш кт315 или кт502,кт815 тут непринципиально главное что бы структура совпадала
4 стабилитрон стоит для защитных целей и на работу блока не влияет так что и без него будет работать.
5 Вместо предохранителя ставим лампочку
ДОБАВЛЕНО 23/06/2015 20:25
что бы не было баха микросхемы можно пока не устанавливать на д26 должно быть 5 вольт |
|
|
Z.Alex
|
1) но на схеме ее нет и в реале тоже. Там, где в других схемах стоит TL431 в этой схеме два выхода на шим - 13, 14 выводы. Единственное что подключено к оптрону это Q9 STC945 (оказался исправным) я его заменил на 2n2222 - было те же 25V. Не успел быстро выключить - взорвался C38 (в реале 47uF 50V). Резисторы в базе Q9 исправны поэтому их не менял. У меня КЗ или я делаю ошибку что включаю без нагрузки с разорванной схемой? (Шим и LM339N - при этом не ставил)
А не лучше ли 2n2222, что я поставил, заменить на более близкий аналог оригинального например 2sc945?
2) ОК, но там все еще 25V, если я поставлю он сгорит?
5) А смысл, ведь предохранитель не сгорает, ток не тот. Здесь проблема в маломощной дежурке, в которой я, увы, не силен.
Итог - на Д26 - 25V.
Может в сторону Q10 нужно копать - это CEF02N6A? |
|
gnom69
Передовик
Сообщения: 2067
|
| Z.Alex, Дак у тебя база стабилитроном подпёрта , а через транзистор обратная связь, как он мог пыхнуть... |
|
|
Z.Alex
|
Что вы этим хотите сказать?
Стабилитрон D14 сгорел, стабилитрон в базе Q9 отсутствует вовсе т.к. здесь схема не совпадает. Я могу по-быстрому накидать схему обвязки Q9 если это важно, но я выпаял ее всю и тестируется она нормально. |
|
gnom69
Передовик
Сообщения: 2067
|
| По идее , R58-59 - 54 в обрыве... |
|
|
Z.Alex
|
gnom69,
Ок, буду искать...
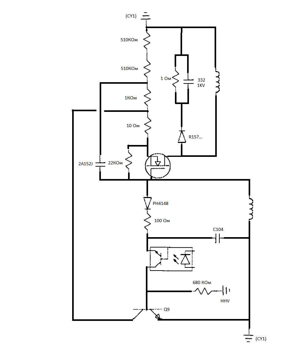
Во вложении правильная схема дежурки.
В схеме ошибку допустил в обозначениях нуля, ну да ладно...
Правильная дежурка S490 - SH560 .png 58.55 КБ Скачано: 638 раз(а)
|
|
n max
Модератор
Сообщения: 17598
|
| Да схема какая то хитрая,431 стабилизатор спрятали в шим,значить шим нужен иначе оптрон будет всё время закрыт и первичная часть будет разгонять напряжение до 25вольт.Надо искать новый шим старый от 25 вольт питания наверное склеил ласты |
|
|
Z.Alex
|
Установил новый шим - напряжение VCC на шиме 5V но быстро проседает. При выключении слышен свист. Сильно греется LM399N - эту плату можно пока целиком не ставить?
Дополнено: Скорее всего КЗ где-то дальше. Я не хочу его лишний раз включать, что бы не выпалить новый шим. Придется завтра перебирать всю его мелкую обвязку.
Есть у вас идеи на этот счет? Что может убивать шим 6105? |
|
n max
Модератор
Сообщения: 17598
|
| Смотрите обвязку в первичке тпи,кандёр и диод лучше путём замены.Заодно на вторичке посмотреть частоту генерации до диода должна быть более 20кГц и форма импульсов должна быть прямоугольной.Как то приходилось подбирать кандёр в первичке производитель ошибся на порядок,в результате дежурка кушала 200 ма вместо 20- 40 без нагрузки.Блок в принципе работал но грелся мощный транзюк |
|
|
Z.Alex
|
тпи - это как расшифровывается? Дело в том, что первичка по силовой части у меня вся новая, а первичку дежурки я сегодня всю перебрал и даже схему сообществу нарисовал.
" частоту генерации до диода" - ну можно на шиме посмотреть - op1 op2 (кажется, сейчас нет перед глазами), а можно после транзисторов раскачки. Но это все только после того, как я устраню КЗ. Или вы имели ввиду дежурку?
" и форма импульсов должна быть прямоугольной" - не просто прямоугольной, а, как-бы, в противофазе друг другу, что бы шим, например, не сделал "сквозняк" на входные ключи. У меня есть двухлучевой ослик для этих целей, я обязательно проверю.
"Блок в принципе работал но грелся мощный транзюк" - я такое встречал в Codegen'ах, были платы в которых перегрев резисторов это обычное дело... со всеми вытекающими... У меня другая проблема, дежурка работала нормально и ничего в ней не грелось. У меня есть S490 исправный я туда поглядываю. Как я уже писал, проблема возникла во время диагностики первички дежурки. Обычно у меня нет таких сложностей в ремонте, хотя я и не часто их ремонтирую, но на сейчас, для себя я вижу только один выход - тупо перебирать всю обвязку шима с мелочевкой что идет на силовую вторичку (+12, +5 ...).
У меня транзисторы раскачки как-то странно звонятся - сопротивление переходов 1-3 - 30 Ом и, кажется, было 2-3 - 200 Ом. Завтра посмотрю что там стоит, попробую заменить на аналоги. |
|
n max
Модератор
Сообщения: 17598
|
Я всё это писал применительно к источнику дежурного питания,там частота преобразования задаётся элементами схемы блокинг генератора -это из теории,с силовой частью проще там всё шим задаёт и проблем с частотой возникать не должно |
|
Radist Morze
Завсегдатай
Сообщения: 427
|
| Z.Alex, чтобы не было бахов, и чтобы вообще не бояться что-нибудь спалить, нужно запитывать блок через развязывающий трансформатор (безопасно), а на выходе цеплять нагрузку. Я себе сделал блок нагрузок, и никакими лампочками никогда не пользуюсь. для проверки работоспособности ключей и снятия осциллограмм можно подключать через понижающий транс со вторичкой вольт на 50. Пишут, что достаточно 30, но я попробовал с трансом от маленького телека (31 по диагонали), не получилось. либо транс слабоват, либо напряжения нехватает... но другого нет, поэтому пользуюсь нагрузкой. Схема есть здесь на форуме, в тырнете можно найти с усовершенствованной разводкой. У меня тоже где-то есть, если нужно - могу выложить. |
|
|
Z.Alex
|
Проверил все что идет от шима к силовой части - все ок
Нашел в дежурке кондер с большим ESR (1uF, 50V, ESR - 26Ом), заменил на аналог - результата нет.
В силовой части дежурки заменил Q9, PH4148 на новые - результата нет
Итого имеем: при кратковременном включении сгорает R37 и стабилитрон. Есть подозрение, что шим снова мертв (в следующий раз отпишусь по нему).
От 25V транс сгореть не может - его не рассматриваю, остаются транзисторы раскачки. Какие сюда аналоги можно поставить?
Может имеет смысл не рискуя шимом допаять сюда 431 транзистор и запускать дежурку с него, а шим вообще не ставить?
Планирую подключать от донора внешнее питание на шим, ибо не могу я его отладить!!! Там уже детали заканчиваются, осталась только стайка резюков R67, R68....
Radist Morze,
У меня есть ТС-180. Хочу снять с него по первичной обмотке 100V как раз для задач диагностики первички силовой части. Если не разберусь с этим блоком, то придется его подключать. А что, разве дежурка заведется если на блок подать 50V?
А вот за схему нагрузки для блока был бы благодарен, это актуальная задача. |
|
n max
Модератор
Сообщения: 17598
|
штатно дежурка должна 5 вольт держать без нагрузки ибо в реальном режиме работы материнки к ней подключен только мульт и часть юга и эта вся кухня максимум 100мА кушает.Я в такие блоки чтобы не вылетали больше в дежурку ставил микру TOP224-227 и подключал её по схеме как в даташите и выкидывал нафиг эти транзисторы собранные по хрен знает какой схеме китайскими радиолюбителями.
ДОБАВЛЕНО 26/06/2015 20:00
Благо стоимость этой микры соизмерима со стоимостью силового транзюка+такие глюки как 25 вольт на выходе отпадают напрочь.Про 431 вместо микры идея то неплохая только придётся делитель подбирать для получения 5 вольт на выходе. |
|
|
Z.Alex
|
TOP224 это идея хорошая, но - у меня вылетело 2 шима, я в любом случае, должен узнать почему. Я перебрал силовую часть дежурки, в ней нет проблем.
Я пока не понимаю физику процесса: Без шима - 25V; ставим новую оптопару + шим - получаем VCC 5V но оно быстро проседает до 3х вольт с разогревом R54; при следующем включении R37 и стабилитрон сгорают, забыл сказать, D26 тоже теперь пробит.
В общем буду думать... |
|
Radist Morze
Завсегдатай
Сообщения: 427
|
|
n max
Модератор
Сообщения: 17598
|
Да дежурка этого блока состоит из десятка деталей проще схему на бумажке нарисовать и подумать быстрее будет чем по инету ползать  |
|