ESpec - мир электроники для профессионалов


Не стартует дежурка Powerman s450t7-0

  Список форумов » Настольные компьютеры

Следующая тема · Предыдущая тема
АвторСообщение
mik111 
Заглянувший
Сообщения: 8
 
Сообщение #1 От 19/05/2017 14:36 цитата  

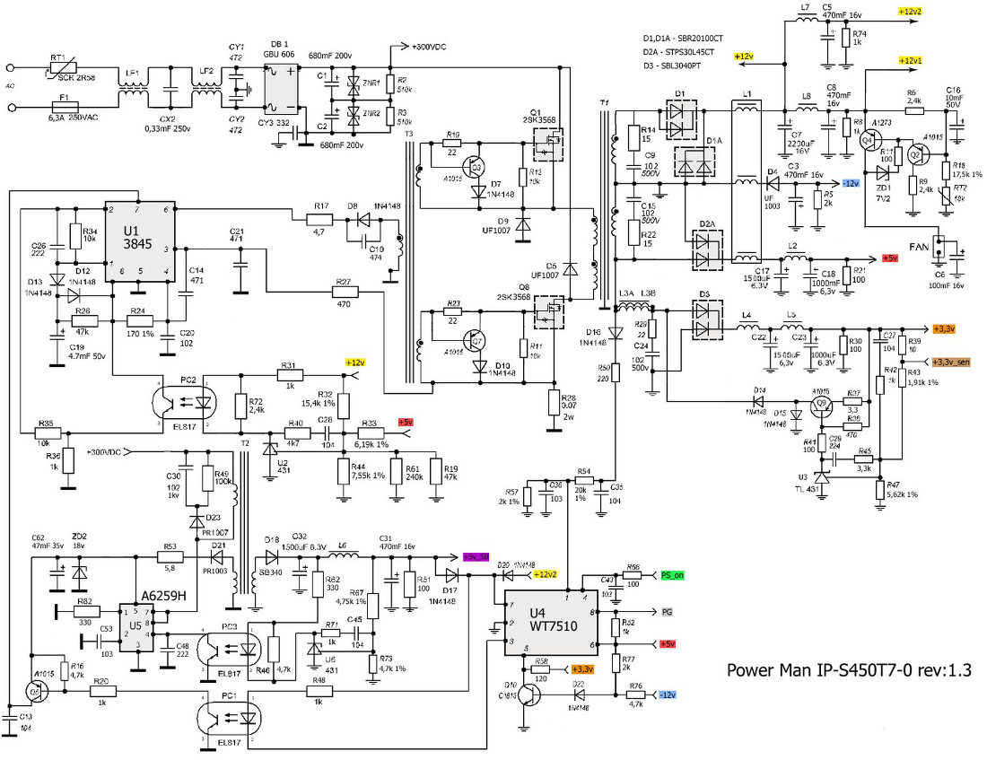
Построена на A6259H. шим менял. На ногах кроме 5,7,8 по нолям. на 5 ноге 13,2в. на 7,8 ногах 320в. постоянки. Заметил, что при включении, на 7,8 ноге кратковременно появляется переменка около 120в и пропадает. на вторичной обмотке транса при этом 0. Практически вся обвязка проверена методом замены. d21,d23,c30,pc3,zd2 все литы и керамика. обмотки транс (Не выпаивая) не в обрыве и не кз. так же по дежурке за трансом кз не обнаружено. помогите с идеями.

  Powerman.jpg  188.8 КБ  Скачано: 1018 раз(а)
павлик 22 
Сам себе на уме
Сообщения: 1137
павлик 22
 
Сообщение #2 От 19/05/2017 16:59 цитата  

R53 и U6 живые?
Lenchik 
Фанат форума
Сообщения: 7937
Lenchik
 
Сообщение #3 От 19/05/2017 17:46 цитата  

mik111, Трансформатор дежурного режима часто выходит из строя.
mik111 
Заглянувший
Сообщения: 8
 
Сообщение #4 От 19/05/2017 19:34 цитата  

павлик 22 писал:
R53 и U6 живые?


r53 живой ну а питание же есть на 5 ноге. а u6 как? до вторички ничего не успевает дойти.

по трансу. а как проверить если нет кз и не обрыв. сопротивление 3 и 1,2ом

может кто подскажет алгоритм запуска шим. на каком элементе режимы проверить. пока вариант впаяться и проверить ток при запуске на r82
Lenchik 
Фанат форума
Сообщения: 7937
Lenchik
 
Сообщение #5 От 19/05/2017 19:56 цитата  

Нужно другой, хотя бы похожий трансформатор подключить. Короткозамкнутые витки конечно можно вымерять, но нужен прибор умеющий добротность индуктивностей мерять.
mik111 
Заглянувший
Сообщения: 8
 
Сообщение #6 От 19/05/2017 20:07 цитата  

Lenchik писал:
Нужно другой, хотя бы похожий трансформатор подключить. Короткозамкнутые витки конечно можно вымерять, но нужен прибор умеющий добротность индуктивностей мерять.


то есть предположение что в рабочем режиме пробивает изоляцию? померить ток нельзя на первичке подпаявшись последовательно к обмотке?
еще вариант, а megой можно же добротность померить или нет? попробую если ничего не придумается.
Lenchik 
Фанат форума
Сообщения: 7937
Lenchik
 
Сообщение #7 От 19/05/2017 20:12 цитата  

Не изоляцию пробивает, а витки спеклись у первичной обмотки.

Это именно особенность компьютерных БП. Конденсаторы сетевого фильтра имеют большую емкость и при пробое ключевого транзистора дежурки этого заряда хватает что бы расплавить первичную обмотку.
HardRom 
Завсегдатай
Сообщения: 399
HardRom
 
Сообщение #8 От 19/05/2017 21:31 цитата  

На выв.5 A6259H минимальное рабочее 13,2В, для данной микросхемы напряжение. Как вела себя предыдущая A6259H? Напряжение на катоде D21 есть, но на катоде D18 нет. Подпаяйте к аноду D18 диод и проверьте, есть ли на втором выводе напряжение. Проверьте D18, выпаяв один ввод.
mik111 
Заглянувший
Сообщения: 8
 
Сообщение #9 От 22/05/2017 10:30 цитата  

HardRom писал:
Подпаяйте к аноду D18 диод и проверьте, есть ли на втором выводе напряжение.

уже прозванивал этот диод ранее. нет напряжения. диод звонится исправным. но поставил другой. и еще вопрос. почему то не вижу переменное напряжение на обмотке трансформатора, куда подключен D21. но после него ведь есть 13,2в постоянки. меряю один щуп на анод D21, второй на землю. что не так? пробовал 2 разных мультиметра.
HardRom 
Завсегдатай
Сообщения: 399
HardRom
 
Сообщение #10 От 23/05/2017 10:53 цитата  

Возможно, A6259H не выходит в рабочий режим, по какой либо причине и 13,2В формируется внутренним питанием, но не цепью обратной связи трансформатора. Нужно разорвать цепи между R51-D17 и С62-R16, т.е. исключить перегрузку дежурного напряжения и искать причину отсутствия 5В на выходе. Действительно, это могут быть как элементы цепи A6259H, так и элементы управления на выходе. Не исключено, что и сам трансформатор. Тестер вряд ли измеряет импульсы длительностью 5 микросекунд с частотой 100 кГц. Осциллограф серьезно облегчил бы работу.
mik111 
Заглянувший
Сообщения: 8
 
Сообщение #11 От 23/05/2017 13:35 цитата  

HardRom спасибо. только вот выяснил методом отпайки катода D21, что питание 13,2в сохраняется на 5 ноге. и как раз ваше сообщение. приходится действовать на ощупь. так как не нашел подробного алгоритма запуска шим и реализации защит. есть только небольшие описания только на 2a0565. но в нем нет информации, что сама шим генерит 13,2в. только отслеживает выше и ниже питание и блокируется. а зачем шимке 13,2в держать.
HardRom 
Завсегдатай
Сообщения: 399
HardRom
 
Сообщение #12 От 23/05/2017 15:42 цитата  

Для первоначального запуска. Блок-схема в datasheet на STR-A6259H.
mik111 
Заглянувший
Сообщения: 8
 
Сообщение #13 От 24/05/2017 12:54 цитата  

HardRom писал:
Нужно разорвать цепи.
Не помогло. Нет старта. И на ноге 5 стало 7,4в. Так как шим менял, то остается транс. Транса нет на замену. Пока блок остается без ремонта. Всем спасибо.
digger2013 
Участник
Сообщения: 167
digger2013
 
Сообщение #14 От 26/05/2017 06:05 цитата  

первичку трансформатора можно проверить если включить ее в контур LC и запустить генератор. Если не генерит то КЗ межвитковое. Чтобы мерять индуктивность надо знать сколько должно быть. И в выпаянном состоянии.
HardRom 
Завсегдатай
Сообщения: 399
HardRom
 
Сообщение #15 От 26/05/2017 11:06 цитата  

Обратноходовый преобразователь напряжения, это не генератор с колебательным контуром. Значение индуктивности первичной обмотки не столь критично, в отличие от короткозамкнутого витка. Наоборот, автоколебания возникающие в контуре при закрытии силового ключа A6259H, пытаются подавить цепью D23, C30, R49 (снабер), чтобы возникающее высокое напряжение, не пробило ключ. Частота, на которой работает преобразователь, на порядок меньше частоты автоколебаний, возникающих в первичной обмотке импульсного трансформатора.
mik111 
Заглянувший
Сообщения: 8
 
Сообщение #16 От 26/05/2017 13:33 цитата  

транс для интереса посмотрел (генератор через кондер на первичку, осцил на вторичку), синусойда ровная. трансформация идет, на первичке около 10 вольт, на вторичке около 2 вольт. можно ли считать что транс жив. напомню, шим проверна, рабочая. вопрос все таки по алгоритму работы шим.
HardRom 
Завсегдатай
Сообщения: 399
HardRom
 
Сообщение #17 От 26/05/2017 14:07 цитата  

Да, скорее всего рабочий. Проверьте так же обмотку обратной связи, желательно на частоте 100кгц.
mik111 
Заглянувший
Сообщения: 8
 
Сообщение #18 От 31/05/2017 09:29 цитата  

пока не удалось запустить.
Ivanov007 
Заглянувший
Сообщения: 6
 
Сообщение #19 От 12/11/2020 14:07 цитата  

Починил несколько таких бп все было просто конденсаторы и т.д.
НО ВОТ ОДИН БП -- (точно такая схема только ШИМ дежурки EM8569A) не могу починить.

Подскажите пожалуйста где копать?
Из горелого нашел в обрыве R53 - чистенький без следов перегрева.
Сразу поменял все конденсаторы поблизости.
Включил, а на 5 ноге шима напряжение скачет с периодом 1 секунда 10 - 14в. включается и перезапускается.
Стабилитрон менял.
Поменял всё, перемотал транс.
Поменял ШИМ на такой как в схеме только с буквой А.
Все равно скачет.
Путем разных махинаций (до перемотки транса) добился, что чип запустился, но когда стал запускать БП, опять дежурка вернулась в режим перезапуска.
После перемотки транса (первичка=81внутри + 49 снаружи, +5в дежурка = 9витков, питание ШИМ=26 витков) уже не запускалось. Парочку витков добавил в питание ШИМ.

Убрал оптопару. Все равно перезапускается.
Подтянул 4 ногу к Vcc. Все равно перезапускается.
Убрал R53, т.е. вырубил питание. Все равно перезапускается.

Похоже ШИМ высасывает питание из 7,8 ноги, запускает ШИМ, а питание на 5 ноге не появляется.
Может конденсатор уменьшить?
HardRom 
Завсегдатай
Сообщения: 399
HardRom
 
Сообщение #20 От 16/11/2020 11:43 цитата  

Если сгорел R53, то скорее всего сгорели D21, ZD2 и возможно U5. Необходимо проверить рабочие ли Q5, U1, D18 и обмотка трансформатора c выводом к D21. ZD2 должен быть на 18V. Так же нужно разобраться насколько корректна замена STR-A6259H на EM8569A.
Все остальное, а именно: замена всех конденсаторов, перемотка трансформатора без проверки на обрыв и КЗ и в особенности запуск дежурки без оптопары и подключение 4 выв. U5 к VCC - дилетантство.

Перейти: 
Следующая тема · Предыдущая тема
Показать/скрыть Ваши права в разделе

Интересное от ESpec


Другие темы раздела Настольные компьютеры



Rambler's Top100 Рейтинг@Mail.ru liveinternet.ru