| Автор | Сообщение |
Витькан
Завсегдатай
Сообщения: 610
|
NefiltrOFF, Ну так ты первичную цепь поднял? Q1, Q2 заменил и всю обвязку? Трансформатор Т2 целый? Q3, Q3 - целые? Дежурное напряжение +5В есть? Напряжение на TL494 есть?
а? |
|
|
NefiltrOFF
|
Витькан,
Сударь, вы похоже пьяный))
На 1 странице мной все написано. А вообще, с этим блоком получилось все печально, он работал, напряжения выдавал все положенные. Но как только дал комбинированную нагрузку на 200 Ватт примерно со свистом вырубился и больше не включается.
Подозрения пали на трансформаторы, но как их проверить не знаю... |
|
tutu7
Завсегдатай
Сообщения: 721
|
NefiltrOFF, Но как только дал комбинированную нагрузку на 200 Ватт примерно со свистом вырубился и больше не включается.
Как понять комбинированную нагрузку?
И еще вопрос:лампа вместо предохранителя подключена,и какой мощности? |
|
Витькан
Завсегдатай
Сообщения: 610
|
| NefiltrOFF писал: | Витькан,
Сударь, вы похоже пьяный)) |
Неужели я оскорбил ВАС, спросив о состоянии первичных цепей и дежурки, что ВЫ даже строите гипотезы о моем состоянии... Видимо, больно уколол Вас... Буду аккуратнее...
Материалы на первой странице начал изучать и быстро забросил... Там все сводится примерно к следующим фразам:
"Не ругайте сильно...я начинающий))"
"Ничего не могу понять, раньше думал, что напруга малая из-за того что кондюки емкость потеряли."
"Нафига он тогда радиатор с нерабочим транзистором впаял?? Блин и так аккуратно было впаяно, с флюсом там все паял аккуратист."
"Подсмотрел в местном магазе аналог KSE13007, по параметрам вроде пойдет на замену. Главное дешевый....всего 25 рублей стоит."
"БП запустился, нагрузку в виде штатного вентилятора и лампочки 12В 20Ватт держит. Единственно там на выходе похоже дроссель какой-то свистит сильно.
Планирую дать нагрузку побольше, к примеру, на лампы галогенннные 50Ватт."
Согласно сочинению на первой странице тебе удалось купить дешевые транзисторы и ты вроде бы собрал блок питания, который даже запускается на холостом ходу...
Вот расскажи ка по подробней, как же ты его нагружал "комбинированной" нагрузкой 200Вт, что он снова сгорел? |
|
|
NefiltrOFF
|
[quote="Витькан"]| NefiltrOFF писал: | Витькан,
Вот расскажи ка по подробней, как же ты его нагружал "комбинированной" нагрузкой 200Вт, что он снова сгорел? |
Ну раз вы так настаиваете....вообще он у меня в чулане в коридоре давно уже пылится))
Он не сгорел, он цыкнул и ушел в защиту со свистом и больше из нее выходить не хочет
Насколько помню дежурка там есть и до ШИМ доходит 13 вольт.
А дальше....(я в этом деле уже прошаренный), если подходить со всей серьезностью к делу...то дальше надо осциллографом смотреть импульсы в базах С945 и 13007.
А осциллографа у меня нету
Насколько помню, сначала подцеплял на 12v 50 Ваттную галогенку, блок работал. А потом к MOLEX-у подцепил "комбинированную"...там на 5v 35 Ватт, на 12v 50 Ватт....обе галогенки. |
|
Витькан
Завсегдатай
Сообщения: 610
|
Конечно, без осциллографа, в такого рода деятельности, как без рук. Но в здесь в большинстве вопросов - достаточно обычного мультиметра.
1. На что хочу обратить внимание, что сам блок питания - это двухтактный полумостовой преобразователь напряжения. После выпрямителя стоят два электролита соединенных последовательно, на каждом электролите должно быть 220*1,41/2=155В - это на холостом ходу. Под нагрузкой меньше... Транзисторы Q01 и Q02 поочередно коммутируют каждый конденсатор на первичную обмотку трансформатора. Поэтому напряжение на вторичке обладает формой двуполярных прямоугольников.
2. Обрати внимание, что в блоке питания, есть серьезный косяк (недостаток). У него отсутствует защита по току в первичной цепи. Например, у однотактных прямоходовых блоков питания, построенных на UC3843 - проблем с защитой по первичной цепи нет...
3. Вторичные цепи ты смотрел? то что весит на вторичной обмотке силового транса? Диоды Шоттки смотрел? Кондеры на выходе менял?
4. У блока походу отсутствуют защиты по току и на выходе БП... Вообщем днище какое-то...
5. По поводу комбинированной нагрузки... Скорее всего ты либо нагрузил блок питания неравномерно, либо большие пульсации напряжения полезли в обратную связь по напряжению... Вообщем нужно было нагружать его постепенно и смотреть напряжения на всех выходных линиях... |
|
|
yarik1981
|
Делал сегодня такой блок, кроме сгоревшей микросхемы KA7500 иза усыхания кондера в первичке дежурки,4.7mкф, был дохлый транзистор С1815 по выходам KA7500, 8 и 11 ,И дохлый транзистор в первичке 13007
ДОБАВЛЕНО 13/09/2022 19:14
рабочий режим KA7500
1pin- +2,4v
2pin- +2,5v
3pin- +2,4v
4pin- 0,1v
5pin +1,6v
6pin- +3,66v
7pin- 0v
8pin- +1,9v
9,10pin- 0v
11pin- +1,9v
12pin- +30v
13,14,15pin- +5v
16pin- 0v |
|
|
Vova24131
|
| Емкость больше заявленой по моему тоже не хороший признак) |
|
|
Kasbek
|
У меня БП Winard 700RWA, на который все плюются, работал с материнкой ам3+ и видеокартой Gigabyte GeForce GTX 1050 GIGABYTE GTX N1050 G1 Gaming 2G без проблем. Но когда я поменял материнку на сокет 1200, он не запустился. Выгорела полностью дежурка.
Схема блока похожа на.SHIDO 250w.
Заменил С3150 и все сгоревшие детали в обвязке, правда С3150 не нашлось, воткнул С5027, включил дежурку через лампу - напряжение 4,5 В, должно быть 5, а на 12-ноге TL494 8,6 V, допустимо 7-40 В.
Включил PowerON через лампу 75 Вт - блок запустился. Напряжение 12,28 В и 5 В.
Почему может быть заниженным напряжение дежурки и питания ШИМ? |
|
n max
Модератор
Сообщения: 17623
|
Кандеры на выходе подустали,ну и оптрон заменить в профилактических целях.
Это 4.5 без нагрузки? |
|
|
Kasbek
|
| Я перепутал фиолетовый и зелёный провода, когда мерил. Всё напряжения в норме. |
|
Витькан
Завсегдатай
Сообщения: 610
|
| Kasbek писал: | | Я перепутал фиолетовый и зелёный провода, когда мерил. Всё напряжения в норме. |
Интересный подход. Это, оказывается, в самом начале можно ошибиться в процессе измерений, затем перелопатить весь блок питания, а потом прийти к выводу, что все было в норме и вмешательство не требовалось...
Неясно, как вы в схемах разбираетесь, если перепутали провода в 24 контактном разъеме, причем провода, в зависимости от назначения, обладают каждый своим цветом...
Это же сколько блоку питания лет, если у него используется ТЛ494, ну наверное 20 лет, не меньше...
Kasbek, у блоков 20-летней давности давно изношена элементная база. На ТЛ494 строится двухполупериодный полумостовой преобразователь напряжения. А в качестве двух источников напряжения, для работы транса, используется емкостной делитель напряжения... В каком он состоянии после 20 летнего срока... Да и работает такой блок, примерно, на 65кГц, да и еще в качестве ключей n-p-n биполярники, типа 2sc2625...
Kasbek Более современные блоки (относительно ТЛ494 и ее аналогов) построены по однотактной структуре. Например, на базе UC3843 строится прямоходовой однотактный преобразователь. В качестве ключей - полевые транзисторы. Частота коммутации, точно больше 100кГц или близка. Пример блока, в котором реализована данная схема, может служить: "Inwin POWER MAN IP-S550". |
|
|
Kasbek
|
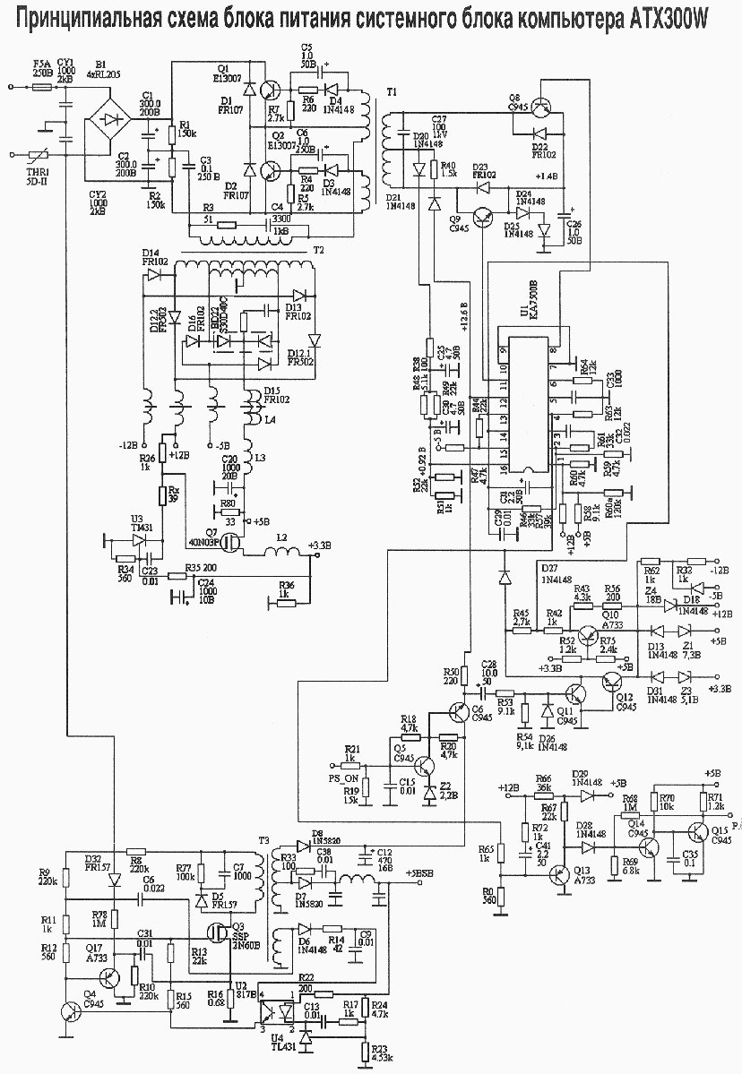
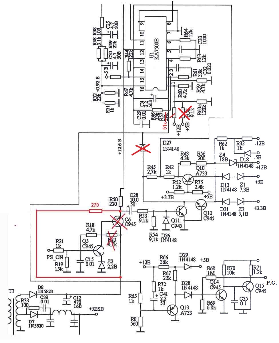
Я старый БП Codegen 300W решил переделать на регулируемый, сделал - напряжение 22 вольта, и я решил еще попробовать поднять: отпаял резистор 39 кОм, который с 1-й ножки идёт на 12 В, и вместо него подпаял переменный 100 кОм. Начал вращать - напряжение 22 В не меняется, и когда дошёл до конца (накоротко), произошла на переменнике вспышка, и блок вырубился, и больше не включается.
Напряжение дежурки 5 и 17 В, а на 12-й ноге КА7500 лишь 1,2 В. заменил ШИМ - ничего не поменялось. Что может быть? Там перед ШИМом по этой линии С945 - на коллекторе 17 В, а на эмиттере, с которого через резистор 220 Ом линия идёт на ногу и на блок раскачки, лишь1,2 В.
* * *
Итак, выпаял транзистор, закоротил его контакты - блок запустился. Напряжение на 12-й ноге КА7500 11,5 В, а на 12 - вольтовой линии 22,5 В. 
| codegen_atx_300w_fragment.jpg |
| Описание: |
|
| Размер файла: |
227.04 КБ |
| Просмотрено: |
101 раз(а) |

|
codegen_atx_300w_1200.gif 89.81 КБ Скачано: 98 раз(а)
|
|
Витькан
Завсегдатай
Сообщения: 610
|
| Kasbek писал: | | ...сделал - напряжение 22 вольта, и я решил еще попробовать поднять: отпаял резистор 39 кОм, который с 1-й ножки идёт на 12 В, и вместо него подпаял переменный 100 кОм. Начал вращать - напряжение 22 В не меняется, и когда дошёл до конца (накоротко), произошла на переменнике вспышка, и блок вырубился, и больше не включается. |
Это вы значит оборвали обратную связь по +5В.
А также при помощи переменного резистора, напрямую подали +22В на 1-ую ногу ТЛ494, которая является входом усилителя ошибки. На котором работают с напряжениями, которые близки к половине от Vref=5.0В, то есть порядка 2.5В. Тем не менее, согласно даташиту, если правильно понял, Input Common Mode Voltage Range (VICR = −0.3 to VCC−2.0 V), напряжение на входах усилителя ошибки должно быть меньше, чем Vcc на 2.0В.
А у Вас, при напряжении питания 11.5В, на входе оказалось 22В. То есть намного больше, чем Vcc.
Вот, видимо, микросхема и приказала долго жить. А то что первичка бахнула - так это, видимо, шимка "длинный" импульс подала на какой-то из силовых ключей...
| Kasbek писал: | Напряжение дежурки 5 и 17 В, а на 12-й ноге КА7500 лишь 1,2 В. заменил ШИМ - ничего не поменялось. Что может быть? Там перед ШИМом по этой линии С945 - на коллекторе 17 В, а на эмиттере, с которого через резистор 220 Ом линия идёт на ногу и на блок раскачки, лишь1,2 В.
Итак, выпаял транзистор, закоротил его контакты - блок запустился. Напряжение на 12-й ноге КА7500 11,5 В, а на 12 - вольтовой линии 22,5 В. |
Закоротили... Но блок та, теперь не включается при помощи сигнала PS-ON.
А сразу стартует, если вставит в розетку. А ведь ему еще и в защиту нужно уходить, если что-то не так пойдет... |
|
|
Kasbek
|
| Первичка не бахнула: искра прошла на контакте переменного резистора. Да, теперь блок сразу включился, надо всё же искать причину, какая-то деталь, видимо, сгорела в схеме компаратора. |
|
|
Kasbek
|
|
Витькан
Завсегдатай
Сообщения: 610
|
| Kasbek писал: | | Первичка не бахнула: искра прошла на контакте переменного резистора. Да, теперь блок сразу включился, надо всё же искать причину, какая-то деталь, видимо, сгорела в схеме компаратора. |
Да, с поломкой первички, я перебрал. Видимо, было уже поздно.
| Kasbek писал: | | Хочу переделать так: |
Успехов! Благодаря ТЛ494 (или аналогу) есть возможность регулировки по току и напряжению, так как присутствует два операционных усилителя.
В схеме питания вентилятора, на входе ЛМ7812 указан диапазон от 15 до 27 Вольт.
Как такое может быть, если С12 рассчитан на 470мкФ и 16Вольт? |
|
|
Kasbek
|
| Да, надо поменять С12, хотя у меня напряжение после диода лишь 15 вольт, а на 12 ноге - 11,5 В. |
|
|
Kasbek
|
Выпаял, а там, оказывается стоит 47х50, а не 470х16  |
|

|