| Автор | Сообщение |
|
Devais
|
Здравствуйте. Случилась поломка, в процессе стирки произошло отключение питания машинки, после возобновления питания машинка не запустиласть и высветила надпись END, в барабане осталась вода с порошком. Решив слить воду, на режиме отжима, стиралка на 1-2 сек включает помпу и через 2-3мин появляется опять надпись END. Попробовав в разных режимах (режимы все адекватно переключаются), выяснил, что первоначально выполняется программа (залить/слить воду) до тех пор пока не будет команды вращать барабан, но вместо этого стиралка стоит без движения 1-2 мин и высвечивает надпись END. Реле реверса и на ТЭН включаются только когда вставляю вилку в розетку кратковременно (думаю это диагностика внутренняя), в процессе запуска программы стирки или отжима реле не включаются. УБЛ прозванивал, контакт есть.
Питание +5В и +12В есть, мотор прозвонил весь.
Модуль Mini QCP_E AC Elmarc
546089103
Дата 2007г.
К сожалению схему от всего этого я не смог найти.
Подскажите это уже померли мозги или все же есть еще варианты? |
|
тю
Фанат форума
Сообщения: 6076
|
схему нарисуй....
и мастера пробуй вызвать |
|
|
Devais
|
| тю писал: | схему нарисуй....
и мастера пробуй вызвать |
А если плата двухсторонняя или даже многослойная?
А для чего тогда форум нужен, чтоб дали совет мастера вызвать? |
|
Александр Михалыч
Фанат форума
Сообщения: 4759
|
Отвечаю по порядку.
| Devais писал: | | .... померли мозги или все же есть еще варианты? |
Варианты есть, но конкретнее вам может ответит человек, имеющий опыт ремонта этих машин (и модулей).
| Devais писал: | | ..... А для чего тогда форум нужен, чтоб дали совет мастера вызвать? |
Поверьте, чаще всего, - это самое разумное и правильное решение.
| Цитата: | Вы зашли на интернет-портал "ESpec" - сайт для людей, специализирующихся на ремонте и разработке электронной техники или желающих научиться этому. Аудитория проекта состоит из специалистов узкого профиля и подготовленных любителей. Размещенная на сайте документация, а также выделенные темы в отдельных разделах форума содержат ссылки на ресурсы с технической документацией и другую полезную информацию и рекомендуются к прочтению в первую очередь перед созданием вашего сообщения или вопроса.
Сайт построен по принципу вопрос-ответ и от вашей активности будет зависеть решение вашей проблемы. Помните, что от правильной формулировки вопроса зависит и данный вам ответ. Чем точнее вы сформулируете проблему, тем точнее и быстрее вам смогут помочь.
Помните, что если Вы не имеете навыков ремонта и базовых знаний, то Вам лучше обратиться за помощью к специалистам. Современная бытовая электроника устроена довольно сложно, и зачастую даже квалифицированный специалист затрачивает немало времени при диагностике. Более того, неквалифицированное вмешательство может усугубить существующую проблему, а зачастую и сделать ремонт невозможным или нерентабельным. Если Вы не имеете базовых знаний, но у вас возникли проблемы с техникой, то для вас на форуме есть темы "мастер в вашем городе", а так же "работа для мастера".
Однако начинающие мастера, безусловно, могут получить помощь от опытных мастеров, при условии грамотной формулировки вопроса и беспрекословного соблюдения правил форума и конкретного раздела. |
http://www.espec.ws/  |
|
|
Devais
|
| Что же вы так категорично? У меня есть образование и опыт работы с электроникой и электрикой, просто сфера работы у меня не по СМА, со стиралками иногда имею дело, но таким не сталкивался, поэтому и прошу помощи совета. За то читая другие темы и с еще более простыми проблемами и людьми которые не разбираются в электронике, то им почему то помогали раньше советами, а сейчас просто-вызов мастера. |
|
Александр Михалыч
Фанат форума
Сообщения: 4759
|
Devais, Ну так в чем тебе помочь? (ничего что на ты?).
Задай конкретный вопрос. Получишь конкретный ответ. А просто тупо обсуждать все возможные варианты, - это пустая трата времени. Да и по основам, литературы в сети .... , - читай не хочу. Раньше действительно было проще, - в любой сфере. Сейчас, - техника имеет свою, более сложную специфику, по каждому конкретному направлению.
Для того что бы получить хоть какое то направление, нужно хоть какая то информация.
Ну и например если все же допустить, что у вашей машинки все же программный сбой. То полноценный ремонт данного модуля, может выполнить довольно ограниченный круг мастеров .  |
|
|
Devais
|
| Александр Михалыч писал: | Devais То полноценный ремонт данного модуля, может выполнить довольно ограниченный круг мастеров .  |
В том то и проблема, что их скорее всего нет (мастеров), война идет в моем регионе, все поразъехались от сюда.
А проблема конкретно написана- нет вращения барабана, не включаются реле реверса. |
|
|
bbiker
|
| так нет вращения или не включается реверс? |
|
master.m
Терминатор
Сообщения: 1330
|
| Devais писал: |
В том то и проблема, что их скорее всего нет (мастеров), война идет в моем регионе, все поразъехались от сюда.
|
Да шо вы говорите....не хочу лепить сюда ссылки,мастеров навалом... |
|
Александр Михалыч
Фанат форума
Сообщения: 4759
|
| Devais писал: | | .... В том то и проблема, что их скорее всего нет (мастеров), война идет в моем регионе, все поразъехались от сюда. |
Это все решаемо, было бы желание.
| Devais писал: | | .... А проблема конкретно написана- нет вращения барабана, не включаются реле реверса. |
Это не проблема, - это внешние признаки неисправности.
Вот ваше авто, заводиться и сразу глохнет, - вы наверное что то сами проверите, перед тем как спрашивать, - чего она глохнет?
Так что нужна более конкретная информация. Просить Вас померить там то и там то, - проверить то и то, - тут это вроде как никому не нужно, - собственно кроме Вас самих.  |
|
|
Devais
|
| Александр Михалыч писал: | Так что нужна более конкретная информация. Просить Вас померить там то и там то, - проверить то и то, - тут это вроде как никому не нужно, - собственно кроме Вас самих.  |
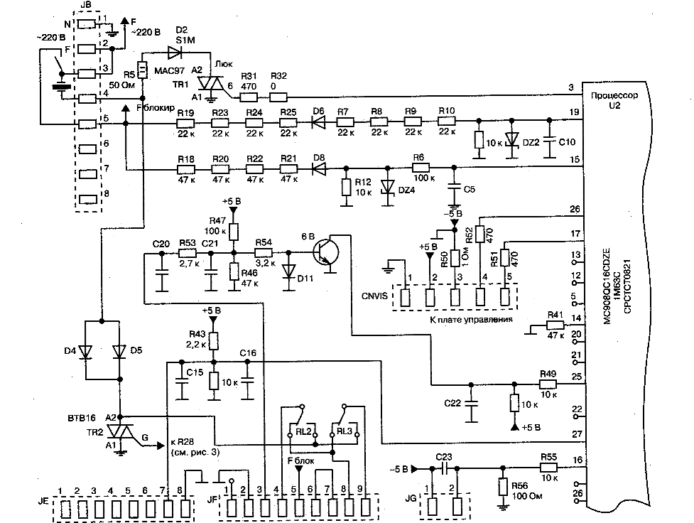
Что конкретно нужно? Я написал, питание есть 5В и 12В. Цепи синхронизации наличия напряжения проверил. Нашел только что пробитый диод D4 или D5 в этой схеме, она немного соответствует моей.
ДОБАВЛЕНО 08/03/2018 17:03
| master.m писал: | | Devais писал: |
В том то и проблема, что их скорее всего нет (мастеров), война идет в моем регионе, все поразъехались от сюда.
|
Да шо вы говорите....не хочу лепить сюда ссылки,мастеров навалом... |
Ну вам с Западной Украины виднее, что творится на востоке.
descr_img175111.png 84.49 КБ Скачано: 331 раз(а)
|
|
master.m
Терминатор
Сообщения: 1330
|
| Цитата: | | Откуда: Украина, Алчевск |
| Цитата: | Ремонт все видов стиральных машин ,холодильников,газовых котлов .
Алчевск, Луганская область Опубликовано с мобильного в 13:52, 8 февраля 2018, Номер объявления: 386083898 |
| Цитата: | Ремонт стиральных машин
Алчевск, Луганская область Добавлено: в 05:25, 11 февраля 2018, Номер объявления: 235975646 |
| Цитата: | Ремонт холодильников стиральных машин
Алчевск, Луганская область Опубликовано с мобильного в 08:16, 26 февраля 2018, Номер объявления: 485900912 |
| Цитата: | Ремонт и востановление газовых Котлов,Колонок,Стиральных машин
Алчевск, Луганская область Опубликовано с мобильного в 18:23, 26 февраля 2018, Номер объявления: 347084184 |
Что бы не делать никому рекламу,номера не выделял...и это далеко не все.Было бы желание поискать... |
|
|
Devais
|
| Я не буду вам описывать все эти объявления с горе мастерами в подвалах или в гаражах (это я утрирую), посему на эту тему дискуссию считаю оконченой. |
|
Александр Михалыч
Фанат форума
Сообщения: 4759
|
В заключение, процитирую коллегу.
| xarl писал: | | тут вот в чем дело -одного хотения мало, нужно еще умение.... . |
|
|
Александр Михалыч
Фанат форума
Сообщения: 4759
|
Автор в л/с просил добавить в тему, - все не выкладываю, - вот суть.
| Devais писал: | | Здравствуйте.... я смотрю закрыли мою тему. Если вам не трудно, то допишите, что я решил проблему и она оказалась все таки в одном из тех двух .... . |
|
|

|