| Автор | Сообщение |
|
Demonator
|
Доброго всем времени суток!
На этой СМА стоит плата 41019594 GIAS VS-038d. Изначально причина - не откачивает воду. В итоге дохлый симистор и два резистора в цепи, как обычно. Заменить в данный момент на новый нет возможности, ибо доноры закончились, а заказывать долго, ремонт очень срочный. Один из четырех симисторов в данном случае не используется, я его и резисторы из его цепи перекинул в цепь насоса. Так вопрос в следующем: обязательно ли эту неиспользуемую цепь восстанавливать? Просто ни разу так не делал, не оставлял без цепи, хоть и неиспользуемой. Для проца не страшно оставлять ногу в воздухе? |
|
xarl
Модератор
Сообщения: 21874
|
Demonator,  |
|
|
Boshuk
|
сообщение отредактировано модератором  |
|
|
Demonator
|
Прошу прощения, сразу не ответил.
В профиле там вроде как только откуда и род занятий не указано было.
Отработала машинка идеально около 25-30 стирок, но потом вылез глюк: в режиме стирки и полоскания все работает отлично до момента первого слива. Включается насос, как и положено в нужный момент, но в итоге так потом и не выключается, пока саму машинку не выключишь. На плате, где паял, все прозвонил, в норме. Прессостат и насос проверил. Чего может быть, у кого-то встречалось? |
|
Valeriynew
Передовик
Сообщения: 1792
|
| Не видит "пустой" бак. Или симистор открывается, но, при снятии управления, не закрывается (течет)... |
|
xarl
Модератор
Сообщения: 21874
|
Demonator," Откуда: dp.ua" -  |
|
|
Demonator
|
dp.ua - это Днепропетровская область, Украина - вроде бы же понятно было всегда всем...
А вот за симистор тоже думал, но вроде как звонится норм. Ща попробую поменять местами с клапанным. |
|
|
Demonator
|
Поменял местами симисторы - то же самое. Главное, что схемы нету.
Чего-то у меня уже закрадываются подозрения по поводу прошивки. |
|
Valeriynew
Передовик
Сообщения: 1792
|
| Demonator писал: | | Поменял местами симисторы - то же самое. |
Управление симистором идет напрямую с проца, или через УЛН, или через обычный транзистор, или через цифровой? |
|
аliеn
Передовик
Сообщения: 2644
|
| Demonator писал: | | Главное, что схемы нету... |
Главное, что нет мозгов 
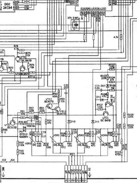
| .png |
| Описание: |
|
| Размер файла: |
223.85 КБ |
| Просмотрено: |
847 раз(а) |

|
|
|
|
Demonator
|
| Ну да, а схема все равно не та, такая у меня есть. Управление идет через резистор с проца напрямую. |
|
тю
Фанат форума
Сообщения: 6076
|
так нарисуй и сюда
будет та ! |
|
аliеn
Передовик
Сообщения: 2644
|
| Demonator писал: | | ...На плате, где паял, все прозвонил, в норме. |
теперь смотри режимы по напряжению... |
|
|
Demonator
|
Заменил все симисторы на новые - заработала нормально. Как так??? Получается, клапанный симистор тоже был глючный - тогда почему клапан работал нормально? Хотя, я еще при этом и электролиты сменил на новые.
Машинка на прогонке, всем откликнувшимся большое спасибо, тему можно закрывать. |
|