| Автор | Сообщение |
|
Favorit2
|
| ARDO 600 . Не загорается индикатор включения . Напряжение на машину подается , проверено до тумблера сеть .Нет ли у кого принципиальной схемы ?Не горела , ломатся собственно и нечему если только командоаппарат ,снять его правда не получается ,и ремонто-пригоден ли он ? |
|
|
alshni
|
| Favorit2 писал: | | проверено до тумблера сеть | если имеется в виду кнопка "сеть", проверь, по логике, после нее есть ли напруга? Да,на эти СМ схем валом, и к/аппар. неремонтнопригодны, но при желании отремонтировать можно, вопрос - нужно ли? |
|
|
Favorit2
|
Спасибо за быстрый отклик ,не ожидал даже . Я прозванивал по сопротивлению ,тумблер рабочий , т.е от вилки и после кнопки все ОК . Схемы искал поисковиком но не нашел . Сам командоаппарат пробовал снять ,не получается .Под ручкой выбора программ есть одна гайка ,но вероятно что-то еще держит ,да и на вид он сплошные зажимы на нем без винтов ,разберешь и рассыпется . А где можно схему глянуть . Перестала работать после того как отработала одну программу и как положено остановилась . Задали другую и никакой реакции . |
|
|
alshni
|
| Favorit2, схемы есть на этом сайте, ищи через поиск, к сожалению у меня нет - выложил бы, просто не считаю необходимым хранить такие схемки, снять командник я думаю сможешь (отвинтить гайку, снять направляющую для смыва порошка, выкрутить 2 винта....), но тебе это нужно? К/аппарат чтобы вскрыть, нужно срезать клепки, после чего не уверен что соберешь обратно. Обратись в мастерскую, это совет! |
|
|
Favorit2
|
| Спссибо за совет ,сегодня еще разок поковыряюсь сам если отыщу схему ,а там тогда в мастерскую . |
|
|
master-777
|
| проверь блокировку дверки и датчик уровня.... |
|
|
Favorit2
|
| А что если неисправны они , то индикация сети будет отсутствовать ? |
|
|
SPOCHT
|
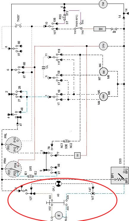
Favorit2, индикатор сети загорается сразу после нажатия сетевой кнопки.И почему весь сыр-бор вокруг индикатора сети?
A600.jpg 75.14 КБ Скачано: 3233 раз(а)
|
|
|
anlyk
|
|
|
Favorit2
|
Спасибо за схему огромаднейшее ,в ближайший выходной разберусь . У меня индикатор сети не светится ,я думал может он как через командник включается ,но теперь вижу что он не причем . Что рыть дальше если уже на лампочке сеть ничего нет !  |
|
|
Favorit2
|
| Оказалось все дело в кнопке питания . Контакты со временем пригорели , стали грется , контакты "поплыли" .Вылечил просто . Кнопку снял ,на газу нагрел контакты и поставил их на место . В разобранном состоянии изначально кнопка прозванивалась как хорошая ,т.к просто контакты прижимал пальцем ,давление большое и контакт был . |
|