| Автор | Сообщение |
|
vvk-electron
|
А чем кварц не устраивает? Нагрев равномерный. Инерция опять же меньше чем у керамики. Цена 40-45 баксов вместе с пересылкой. По-моему отличный вариант.
Вот фотка моих ВИ. Кварц Елсер. Верхний левый 600Вт. трудится в ПС сейчас. Нижний правый был куплен позже 800Вт. К сожалению у него пятно не айс. Придется закладывать свою спираль. Но я для этого его и покупал.
 |
|
sofrina
Модератор
Сообщения: 4825
|
| vvk-electron, это спектрограмма или амебы размножаются? |
|
|
vvk-electron
|
| Это отпечатки ВИ в работе на расстоянии 4 см. на факсовой бумаге. Левый верхний Elcer QP2/5m 600Вт. Правый нижний Elcer QP1/3m 800Вт. |
|
Krievs
Завсегдатай
Сообщения: 327
|
| sofrina писал: | | vvk-electron, это спектрограмма или амебы размножаются? | Это спектрограмма разможения амеб А по-сути ;строя вторую паялку на керамике(низ уже готов и почти отстроен) и эксперементируя с верхом,ИМХО,-не стоит заморачиваться на равномерности.И так все прекрасно прогреется,отпаяется/припояется.Я вот тож на своей паялке(действующей) меггером спирали подгонял-нах нинадо оказалось.Термобумаги нет,пробую визуально.Нифига не видю разницы(при ральной пайке)с подогнанными спиралями(6х9-10 ОМ) или без подгонки(6х9-12 ОМ).Поэкспериментирую ишшо,конечно.Интересно самому-стоит ли,так париться с подгонкой спиралей.
ЗЫ;керамика реально греет равномерней.Не ожидал,но разница видна реально.Но несколько дольше;300сек-166/160 °C.Стабилизация:360 сек,170 /168°C снизу/сверху платы.Уставка-155 °C.Нормальный вроде вылет для керамики.Мож еще с коэффицентами ПИДа поковыряться? |
|
|
vvk-electron
|
| Krievs писал: | | Термобумаги нет,пробую визуально |
| Krievs писал: | | керамика реально греет равномерней. |
Вы обладаете ИК зрением?
Стоит париться с равномерным распределением спиралей одинакового сопротивления по трубкам. Данная термограмма была сделана после того как я поставил новый 800 Ваттный ВИ. При тестовой пайке было обнаружено, что одна сторона чипа уже плавала, а вторая половинка еще не шевелилась. Это хорошо было видно при нажатии на один или другой край чипа. Именно после этого и возникла мысль посмотреть на термоотпечаток.
Вот если бы вы поставили термодатчик около холодной части ВИ, то когда бы припой расплавился и чип сел, с другой стороны было бы на градусов 40-50 больше (измеренно на данном ВИ). И если это безсвинец, то в конце профиля на горячей половине получили 285 гр. Ну и наоборот, если у горячей половины поставили термопару, то холодная часть бы недосела.
Керамику я не пробовал, но судя по видео и отзывам пользователей керамики, неравномерность нагрева от центра к краям достаточно большая. Именно поэтому некоторые предлагали держать керамический ВИ постоянно подогретым. А если это одноразовая пайка, то профиль составлять таким образом чтоб вместе с низом сразу (а то и раньше) включался верх. И обязательно закрывать кристалл фольгой. |
|
Krievs
Завсегдатай
Сообщения: 327
|
| vvk-electron писал: | Вы обладаете ИК зрением?  |
Неа.. Термометр одолжил добрый человек,такой примерно:http://www.aliexpress.com/item/GM1350-professional-infrared-thermometer-18-1350-degree-infrared-thermometer-50-1/1984769088.html
Ну и при снятии чипа если достаточно заметная неравномерность-"морковки" будут со стороны недогрева.
| vvk-electron писал: | | Стоит париться с равномерным распределением спиралей одинакового сопротивления по трубкам. Данная термограмма была сделана после того как я поставил новый 800 Ваттный ВИ. При тестовой пайке было обнаружено, что одна сторона чипа уже плавала, а вторая половинка еще не шевелилась. Это хорошо было видно при нажатии на один или другой край чипа. Именно после этого и возникла мысль посмотреть на термоотпечаток. | Ага,понял.Значит у меня просто не настолько сильно выражена была.
| vvk-electron писал: | | Керамику я не пробовал, но судя по видео и отзывам пользователей керамики, неравномерность нагрева от центра к краям достаточно большая. Именно поэтому некоторые предлагали держать керамический ВИ постоянно подогретым. А если это одноразовая пайка, то профиль составлять таким образом чтоб вместе с низом сразу (а то и раньше) включался верх. И обязательно закрывать кристалл фольгой. | Я про НИ.ВИ только кварц,категорически.
Вот разберете 800вт,замерьте разброс спиралей,если не трудно. |
|
|
vvk-electron
|
Сопротивление там примерно одинаковое. Это я измерял. Сколько-не помню, давно было. Там проблема была не в том что разное сопротивление, а в том что уложена она была в каждой трубке не равномерно. Причем именно с одного конца каждой трубки. Такое ощущение как будто специально с одного конца сжали, а примерно с половины растянули спираль. Сейчас данный излучатель трудится в сушилке и "реболке". Сверху над ним установлена аллюминевая шинка которая сглаживает неравномерность нагрева. В шинку я вмонтировал термопару.
Кстати, идея может кому-то пригодится. Для этого в шинке я сделал отверстие диаметром 4 мм. Но просверлил не до конца а примерно на 4мм. Сама шинка толщиной 5мм. Шинку положил на газовую плиту, а в отверстие положил чистый свинец. Свинец можно взять от старого АКБ или с оболочки бронированного кабеля. Т плавления свинца примерно 325 гр. Как только свинец расплавился туда же я воткнул термопару и остудил. У меня получилась замечательный термостолик со встроенной термопарой. Т.к. Т более чем 250 гр. я не использую, то для меня это идеальное решение.
Что касается керамики на низ. Решение имеет право на жизнь. Но керамика дорого по сравнению с этими же кварцевыми трубками. Но если деньги есть, то вариант хороший. Хорош тем что минимум заморочек. Ну не совсем минимум, но значительно меньше по сравнению с кварцем. А в принципе, для низа пойдет все что угодно, хоть лист железа с открытой спиралью снизу. Главное чтоб во время профиля укладывался. И давал прирост Т в соответствии с профилем.
И еще идейка с термопарами. Вместо "третей руки", как советовал maxlabt была сделана немножко другая конструкция. По мне так очень удобно. С недавних пор я и нижний термодатчик сделал по такому же принципу. И ставлю его теперь наверх платы. Предварительно, конечно же, откорректировал термопрофиль для низа. На моем НИ разница между нижней поверхность платы и верхней составила примерно 10 градусов. Эксперимент был проведен неоднократно на разных платах, как по формату, так и по толщине. Да вобщем то после многих паек я пришел к выводу, к которому пришел в свое время опять же maxlabt. А именно-Т низа большого значения не имеет. Главное не Т, а то чтоб между низом и областью пайки разница темперетур, в одно и то же время, не превышала 80 гр. В идеале 50. Это касается Т выше 100 гр.
Вот ссылка на конструкцию датчика. При наличии необходимых материалов делается за пол-часа. |
|
Krievs
Завсегдатай
Сообщения: 327
|
| vvk-electron писал: |
Что касается керамики на низ. Решение имеет право на жизнь. Но керамика дорого по сравнению с этими же кварцевыми трубками. Но если деньги есть, то вариант хороший. Хорош тем что минимум заморочек. |
Будете смеятся,но 5 нагревателей обошлись 40 у.е.При этом-по моей просьбе-добрый дядя Ли-Си-Цин подобрал по соротивлению:3 по 109 Ом и 2 108.
Подстроил низ немного.Секунды/Т°C снизу/Т°C сверху платы.Стартовая Т-18°C,уставка НИ-165°C.Задержку на расширение пока не подключал.Ну и очередная схема .ПС собрана точно по ней.
60:39/33
120:64/46
180:90/63
240:116/77
300:143/114
360:166/153
420:170/163 - начало стабилизации Т.
ах, да-расстояние от платы до нагревателей 30/35 мм.
Добавлено 05.09.2014:
до кучи фото конструктива датчиков.мож пригодится кому..
| Тест_нагрева_mATX.jpg |
| Описание: |
|
| Размер файла: |
297.97 КБ |
| Просмотрено: |
368 раз(а) |

|
| Датчики.jpg |
| Описание: |
| Пластина на которой закреплен датчик щуп-упругая.При нажатии изгибается/пружинит чуть раньше щупа. | |
| Размер файла: |
274.02 КБ |
| Просмотрено: |
329 раз(а) |

|
| Датчик 1.jpg |
| Описание: |
|
| Размер файла: |
217.55 КБ |
| Просмотрено: |
312 раз(а) |

|
| Датчик 2.jpg |
| Описание: |
|
| Размер файла: |
235.2 КБ |
| Просмотрено: |
352 раз(а) |

|
| Датчик 3.jpg |
| Описание: |
|
| Размер файла: |
208.26 КБ |
| Просмотрено: |
324 раз(а) |

|
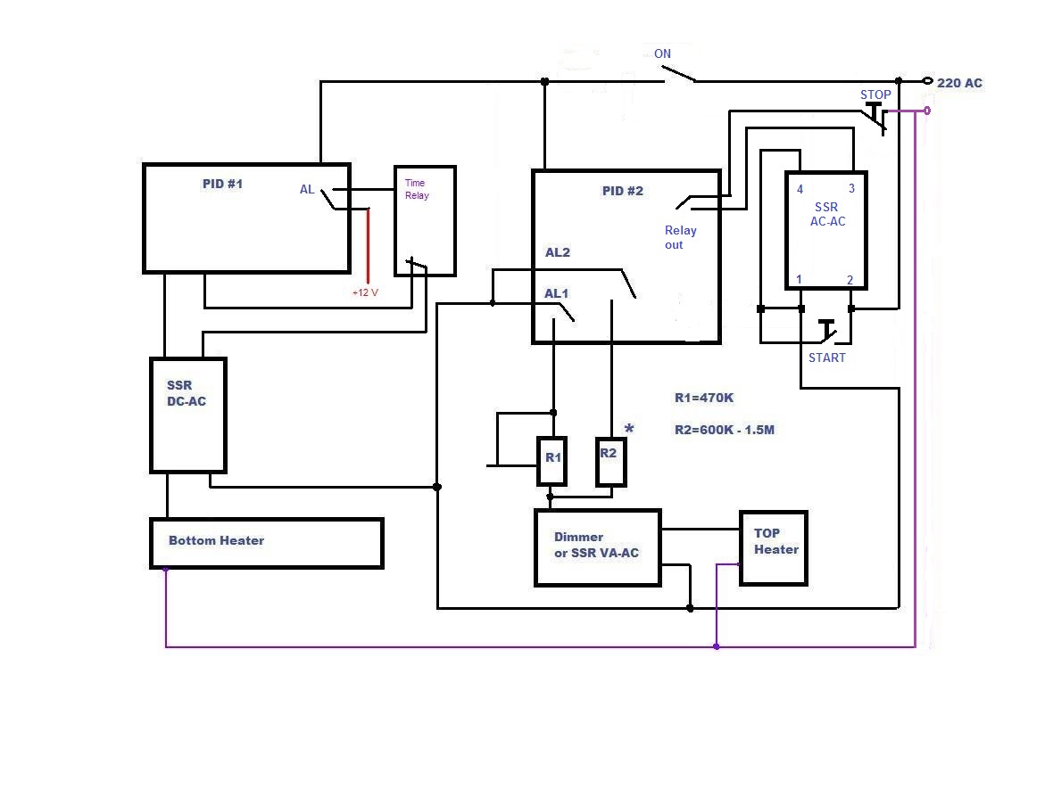
Управление 2 ПИД_V5.2.jpg 91.14 КБ Скачано: 510 раз(а)
|
|
Krievs
Завсегдатай
Сообщения: 327
|
|
Streik
Завсегдатай
Сообщения: 476
|
[quote="vvk-electron"]
С недавних пор я и нижний термодатчик сделал по такому же принципу. И ставлю его теперь наверх платы. Предварительно, конечно же, откорректировал термопрофиль для низа.
С этого момента вообще не соглашусь,всё что не догрел низ будет догревать верх, через чип. Т.к. низ раз в 10 мошнее верха, можно предположить как трудно приходится кристаллу. Думаю не надо объяснять почему уменьшится мощность стабилизации низа при начале работы верха, и это уменьшение достаточно ощутимое. Таже Эрса использующая один датчик, скорее всего просто фиксирует мощность при стабилизации. |
|
|
vvk-electron
|
Не совсем понимаю почему вы решили что у меня уменьшилась "мощность стабилизации низа"? Если честно, то я вобще не понял что значит данная фраза-"мощность стабилизации низа". Если я устанавливаю датчик сверху, то естественно я его ставлю не в зону действия ВИ. Я не вижу принципиальной разницы между установкой датчика низа. Я провел ряд экспериментов. Их целью была выяснение разницы температуры в одной точке платы при установленном датчике снизу платы и в этой же точке сверху платы. После этого плата нагревалась до рабочих температур 150 и 180 градусов только НИ. Были использованы разные платы: максимально толстые и большие по площади, максимально тонкие и маленькие. Вобщем почти все типы плат которые приходится паять. Даже от телика какого то нашел, там проц БГА. В процессе экспериментов было выяснено что разница между низом и верхом составляет максимум 8, минимум 6 градусов. После этого термопрофили были откорректированы соответствующим образом. А именно, если раньше низ грел до 130 после этого включался ВИ, а низ по достижению 150 гр. держал данную Т. То теперь ВИ включается при Т. 120 градусов, при этом внизу предположительно будет 130 гр. плюс 4 минус 8. Без сомнения такая разница абсолютно не принципиальна. Особенно если учесть что Т. в разных точках платы может отличаться +-10 градусов. Зато удобство установки датчика низа именно сверху платы по моему не вызывает сомнений не у кого, кто хотя бы раз пытался "примостырить" датчик низа именно на низ платы, выдумывая и изобретая разного рода крепления.
Не знаю как в Эрсе но от датчика низа в самоделке легко избавиться. Если мы поставим один датчик около чипа и по нему будем управлять мощностью низа. Какая разница между датчиками низа-верха? Никакой. Датчик верха (установленный у чипа) контролирует и управляет мощностью канала нагрева низа до определенной Т., скажем до 130 гр. Далее включается ВИ и датчик начинает управлять мощностью канала ВИ. А низ в этот момент переходит на фиксированную мощность которую не трудно подобрать в ряде экспериментов. Т.е. НИ греет с такой мощностью, что дальнейшего нагрева не происходит, или он крайне незначительный, типа плюс 3 гр. в минуту. А так как пайка на конечном этапе обычно бывает не более 3-4 мин. то Т. низа вырастет незначительно.
Можно также вообще отказаться от регулировки мощности НИ в зависимости от показаний датчика у чипа. Алгоритм примерно такой: включаем НИ с фиксированной мощностью (заранее подобранной) при которой прирост Т. не превышает 0,8 гр/сек. После достижения около чипа 130 гр. низ переходит на другую фиксированную мощность при которой обеспечивается удержание или небольшой прирост Т. Благодаря инертности, Т. поднимется до 150 гр. плюс-минус 5 гр. и будет удерживаться на таком уровне. А канал верха уже будет работать на показаниях датчика у чипа. Какое уж там будет управление по мощности или по ПИД не принципиально в данном контексте. И поверьте, это я говорю не в теории, ранее я проводил ряд экспериментов с контроллером который работает именно по этому принципу. Результат пока удовлетворительный. Просто не хватает времени довести до ума. Принцип как у трм151 при выбора метода управления "по-мощности". |
|
Streik
Завсегдатай
Сообщения: 476
|
vvk-electron, в процессе нагрева мощность растет, при достижении нужного значения она незначительно балансирует на каком то уровне(это и есть стабилизация мощности). Далее - значит по твоему ноутбучная плата с металлизацией около 50% получая дополнительно энергию(тепло) не передаст его на край? А если передаст значит ПИД низа уменьшит мощность и сделает это именно к концу профиля, где желательно бы прибавить,низ паганец сделает отбор тепла у чипа из-за недогрева нижней части платы. Это не я придумал, что нужно измерять не температуру платы снизу ,а температуру воздуха снизу вблизи платы. Еще ADOWWW на мониторе писал об этом ,плохо что все поудаляли невежи. У меня после набора температуры(180гр.) мощность низа зависает в одном положении на графике,фотку уже скидывал,могу повторить.
Считаю что использовать трм151 управляя "по-мощности" это как колоть грецкие орехи ноутбуком, конечно нужно правильно расположить датчики, откалибровать их, настроить коэффициенты ПИД, чуствительнось датчиков подобрать, определить скорость нагрева, инеркцию ВИ и т.д., легче конечно греть буржуйкой с подобранной мощностью(не мой метод). |
|
|
vvk-electron
|
Да почему на край то? Датчик низа ставится не на край, а вне зоны действия ВИ! При всем уважении к ADOWWW (читал я все это) он сам писал и был восхищен мастерством своего знакомого который паял управляя верхом и низом ЛАТРом. Поэтому в большей степени процесс пайки не зависит от конструктива станции, а зависит от адекватности (мастерства) оператора. Он сам давал советы "идти в подмастерия к Мастеру и глядишь через пару месяцев сам будешь паять не хуже".
| Streik писал: | | vvk-electron, Считаю что использовать трм151 управляя "по-мощности" это как колоть грецкие орехи ноутбуком |
Это не я придумал "по-мощности". Многие самодельщики перешли на такой способ, подглядев его у именитых производителей. Если вы считаете что это неправильно - ваше право. Вся соль управления "по-мощности" реализовывается для того чтоб уйти от неадекватности ПИДа при аварийной ситуации (отвал датчика, сквозняк и т.п.). А делать так или иначе каждый решает сам.
Вот одна из фоток. Качество не очень т.к. не мое, но у меня примерно тоже самое. Работа идет именно по мощности. Нижний датчик в данном случае установлен чисто для контроля Т. низа (зеленая полоса). После подбора необходимой мощности, путем экспериментов с разными размерами плат, его можно убрать вообще. Ну или ставить чисто для контроля аварийных режимов, например пробило симмистор НИ.
Как видно на графике Т. низа плавно растет в процессе нагрева. К моменту расплавления она будет в районе 180 гр. или чуть больше (что лучше). Причем на начальном этапе мощность была другая и рампа более крутая. Все как положено.
 |
|
Krievs
Завсегдатай
Сообщения: 327
|
Streik,vvk-electron:Мое скромное мнение-оба варианта имеют право на жизнь.Профиль по мощности -придумали не от хорошей жизни,а дабы исключтить влияние измерения НИ на ВИ.Это,ИМХО,самый простой способ решения данной проблемы.Далее-ПИД.Прекрасный алгоритм.Но для настройки,нужно некоторое понимание процессов и,собственно,ПИД регулирования.В несколько упрощенном виде(для НИ) так:прогоняем с автонастройкой;получаем коэффицент(к примеру)-0.17.Грееем плату с измерением Т снизу и сверху платы...о ужас! разница Т=40 °C Снижаем коэффицент Р до ....скажем 0.05(да,да-именно так резко!)-опаньки-разница Т уже 20 °C..понятно,я надеюсь?То бишь,настройка ПИД регулятора-это,так сказать,творческий процесс.Никто за Вас это не сделает.Просто люди -не понимая принципов настройки-(хватай мешки,вокзал отходит!) начинают бить панику и хаять метод ПИД регулирования.
Это фсе касательо НИЗА.,имхо.
Верх.Тут несколько сложнее.Мое мнение-ПИД регулирование для ВИ-неприемлемо.По той простой причине,что нам надо подавать на ВИ-ограниченную мощность(хотя тут можно попробовать "связать"ПИД и ограниничитель мощи)-для получения оптимального спектра и скорости нагрева.Для ВИ оптимально что-то вроде переключаемых компараторов(что я и попытался реализовать на простых элементах управления),когда подача мощи ограничена на уровне "железа" и вы гарантированно ничего не "спалите".Ну и кто бы не убеждал меня в обратном-для низа и верха ннужны отдельные датчики. |
|
Streik
Завсегдатай
Сообщения: 476
|
Может я чего то не допонимаю, но датчик низа сверху платы будет измерять попугаев, которые будут меняться при смене плат. И даже если будет проблема с управлением низа, датчик это заметит очень поздно т.к. он закрыт платой от нагревателя.
Вопрос знающим кто нибудь использует преднагрев при запаивании QFN-корпусов ? |
|
|
vvk-electron
|
| Streik писал: | | Вопрос знающим кто нибудь использует преднагрев при запаивании QFN-корпусов ? |
Вот тема. Там в конце как раз обсуждают запайку QFN. Смысл кочегарить низ? Феном все отлично запаивается.
| Streik писал: | | но датчик низа сверху платы будет измерять попугаев, которые будут меняться при смене плат. |
Да, меняться будут, но не попугаи а разница температур. Вы проведите сами эксперимент. Поставьте датчик снизу, в этой же точке датчик сверху и включите нагрев. По достижению 180°С на нижнем датчике, на верхнем будет примерно 170°С, плюс минус 8 гр. В зависимости от толщины платы. Это в моем случае. У вас цифры могут быть другими. ИК обладает таким свойством как проникновением во внутренние слои платы. И чем длинне волна (темнее излучение) тем глубже проникновение. |
|
Krievs
Завсегдатай
Сообщения: 327
|
| vvk-electron писал: |
| Streik писал: | | но датчик низа сверху платы будет измерять попугаев, которые будут меняться при смене плат. |
Да, меняться будут, но не попугаи а разница температур. Вы проведите сами эксперимент. Поставьте датчик снизу, в этой же точке датчик сверху и включите нагрев. По достижению 180°С на нижнем датчике, на верхнем будет примерно 170°С, плюс минус 8 гр. В зависимости от толщины платы. Это в моем случае. У вас цифры могут быть другими. ИК обладает таким свойством как проникновением во внутренние слои платы. И чем длинне волна (темнее излучение) тем глубже проникновение. | 8°С -отличная у вас разница получилась.Очень незначительная.У меня на кварце до 14°С доходит к концу преднагрева.Пробовал плавнее нагрев делать и разницы добивался 8-10°С.Но тогда весь процесс меньше 8-10 минут не уложить.Что многовато по-моему.На керамике добился таких величин(уставка 181°С):
360 сек.-179/163
420 сек.-185/171
460 сек.-185/177
По датчикам согласен.Когда после настройки НИ уже точно известна разница Т°С сторон платы-можно без проблем датчик НИ ставить сверху.Сам так паяю.На керамике попробую пока снизу оставить.Щуп достаточно удобен и снизу оказался. |
|
|
vvk-electron
|
| Я не против установки датчика низа именно снизу платы. Просто геморрно это. Выдумывать какие то штанги, держатели, прищепки... |
|
|
sash1234
|
Доработал свою паялку по методу Krievs на пидах. Добавил контроль напряжения на верхнем нагревателе. Принудительное включение низа , верха на 1 ступени (аларме) (100-200град.) + регулятор напряжения верха для 1 ступени. (в моей паялке на 2 ступени 200-230град. на верх подается все сетевое напряжение). Также понизил напряжение включение 1 ступени верха до 100град.

|
|
|
maxlabt
|
| Streik писал: | | vvk-electron Считаю что использовать трм151 управляя "по-мощности" это как колоть грецкие орехи ноутбуком, конечно нужно правильно расположить датчики, откалибровать их, настроить коэффициенты ПИД, чуствительнось датчиков подобрать, определить скорость нагрева, инеркцию ВИ и т.д., легче конечно греть буржуйкой с подобранной мощностью(не мой метод). |
Из ваших постов могу сделать вывод, что вы не владеете большой практикой, а только "много видели и читали". По этому повторюсь, что сам принцип ПИД регулирования предполагает работу устройства в строго стационарных условиях, тогда настройки всех коэффициентов корректны. Но стоит изменить условия, даже не беру потерю контакта датчика или сильный сквозняк, а просто изменения напряжения в сети, изменение теплоемкости платы или даже расположения чипа на плате, как работа ПИД будет не совсем корректной и может привести к непредсказуемым последствиям. И признать и понять эту проблему можно только после длительной работы на разном материале. А что касается ТРМ151, то он используется, например у меня, для разных задач, не всегда связанных с непосредственной пайкой бга. И в некоторых задачах я работаю с ПИД регулированием. Удобно и рационально.
ДОБАВЛЕНО 14/10/2014 11:45
| Krievs писал: | Профиль по мощности -придумали не от хорошей жизни,а дабы исключтить влияние измерения НИ на ВИ.Это,ИМХО,самый простой способ решения данной проблемы.Далее-ПИД.Прекрасный алгоритм.Но для настройки,нужно некоторое понимание процессов и,собственно,ПИД регулирования.В несколько упрощенном виде(для НИ) так:прогоняем с автонастройкой;получаем коэффицент(к примеру)-0.17.Грееем плату с измерением Т снизу и сверху платы...о ужас! разница Т=40 °C Снижаем коэффицент Р до ....скажем 0.05(да,да-именно так резко!)-опаньки-разница Т уже 20 °C..понятно,я надеюсь?То бишь,настройка ПИД регулятора-это,так сказать,творческий процесс.Никто за Вас это не сделает.Просто люди -не понимая принципов настройки. |
Предыдущий мой пост также и для вас. Работа по мощности призвана в первую очередь исключить непредсказуемое поведение пид. И все.
| Krievs писал: | | Ну и кто бы не убеждал меня в обратном-для низа и верха ннужны отдельные датчики. |
Датчик низа нужен только для понимания и калибровки процесса пайки. В дальнейшем он в принципе не нужен. Или же достаточно его установки непосредственно на нижнем нагревателе. Эти выводы подтверждают практически все производители паяльных станций.
ДОБАВЛЕНО 14/10/2014 11:51
| Streik писал: | | Может я чего то не допонимаю, но датчик низа сверху платы будет измерять попугаев, которые будут меняться при смене плат. И даже если будет проблема с управлением низа, датчик это заметит очень поздно т.к. он закрыт платой от нагревателя. |
Может у вас эти показания будут в попугаях. Но если вы знаете зависимости температур в разных точках платы, а также влияние на них различных элементов на плате, то у вас будет вся информация о нагреве платы.
| Streik писал: | | Вопрос знающим кто нибудь использует преднагрев при запаивании QFN-корпусов ? |
Легко термовоздушкой. Никакого преднагрева не нужно. Но если хочется, то с легким преднагревом будет легче. |
|

|