| Автор | Сообщение |
|
AET
|
Телевизор LG RT-21FA35RX шасси MC-049B
Состав:
проц MICRONAS
VCT 49XYF PZ C7
4533.41 Z7-F
146917.006
память 24 с16
блок питагия str w 6754
tda4863aj кадровая
la42152 звук
6174V-6006m тдкс
неисправность мигает светодиод и напряжение на выходах БП тоже колеблется
то что я сделал поменял оптопару менял конденсаторы на первичке 1мфх50в 33мфх50 резистара на первичке все целы. как только отсаеденил 135в от платы накинул на него лампочку напряжении нет |
|
C1-65A
Фанат форума
Сообщения: 4561
|
| AET писал: | | отсаеденил 135в | где именно? Сопротивления нагрузок после стабилизаторов? |
|
zarah
Не фанат форума
Сообщения: 9825
|
| AET, Укажи в заголовке тип шасси! Почитать про это шасси не пробовал? А почему +В = 135В а не 110 например. IC826 какая стоит? |
|
|
AET
|
| zarah писал: | | AET, Укажи в заголовке тип шасси! Почитать про это шасси не пробовал? А почему +В = 135В а не 110 например. IC826 какая стоит? | IC826 SE110N
ДОБАВЛЕНО 01/12/2010 10:20
| C1-65A писал: | | AET писал: | | отсаеденил 135в | где именно? Сопротивления нагрузок после стабилизаторов? | в БП в вторичной цепи после стабилизаторов |
|
zarah
Не фанат форума
Сообщения: 9825
|
AET, Если там SE110N, то почему 135 вольт по питанию строки?
Последний раз я за тебя редактирую "шапку", в следующий раз будешь тренироваться в корзине.  |
|
|
AET
|
|
gilan
Модератор
Сообщения: 1748
|
| AET, проверяем быстро SE110, оптрон, но... STRW6754 гонит. |
|
iyzef
Хитрый лис
Сообщения: 7860
|
| ага , эти STR-ки просто "супер" |
|
|
AET
|
| поменял SE110 напряжение упало до 109В но все равно светодиод мигает да еще забыл написать что напряжении 14В и6,5 отсутствуют |
|
KRAB
Распугиватель клиентов
Сообщения: 21704
|
| AET писал: | | еще забыл написать что напряжении 14В и6,5 отсутствуют | - так не бывает .... "обрывники" там есть ...  |
|
|
AET
|
| не вы не так поняли при первом измерении БП показал 135в вместо 110В 30В вместо 35 а 6,5 и 14 В не было. отпаял стабилизатор от 110В накинул на лампочку все напряжение по 0 обратно запаял стабилизатор поменял SE110 появились напряжение 110В и 30В а 6,5 и 14 их нету а светодиод мигает. отпаял стабилизатор от 14В светодиод перестал гореть и напряжение на В+ упало до 65В попробую поменять ШИМ |
|
KRAB
Распугиватель клиентов
Сообщения: 21704
|
| AET писал: | | а 6,5 и 14 их нету | - повторяю, не гони - так не бывает. Тем более, что вчера такой на столе стоял ...
| AET писал: | | напряжение на В+ упало до 65В попробую поменять ШИМ | - зачем? |
|
|
AET
|
| а вчем тогда может быть проблема это точно не глюк STRW6754???? |
|
киев
Прислонившийся
Сообщения: 6953
|
Не хочет работть голова - пусть работают руки.
AET, | KRAB писал: | AET писал:
а 6,5 и 14 их нету
- повторяю, не гони - так не бывает |
| AET писал: | | появились напряжение 110В и 30В |
И какого после этого трогать ШИМ? Без 14В Блок стабилизировать не будет - значит они есть, а ты непонятно где и чего меряешь.
ДОБАВЛЕНО 01/12/2010 14:07
О, вспомнил! Тут один красавец недавно до диодов мерял и всё удивлялся - почему напряжений нету?  |
|
|
AET
|
| да втомто и дело что напряжение после ТПИ до стабелизатора колеблится от 165 до 15 В на В+ |
|
zarah
Не фанат форума
Сообщения: 9825
|
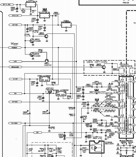
AET, Сам то понял что сказал? Ткни пальцем в это место где ОНО колеблется.
MC-049B_power.jpg 70.16 КБ Скачано: 3503 раз(а)
|
|
R2
Мир дружба жвачка
Сообщения: 1293
|
| Цитата: | | поменял SE110 напряжение упало до 109В |
а изначально какой стоял ? БП до тебя ремонтировали? |
|
KRAB
Распугиватель клиентов
Сообщения: 21704
|
| AET писал: | | после ТПИ до стабелизатора колеблится | - закончи школу, научись писАть, а не пИсать в темах, а потом поговорим. Ты БАНАЛЬНЫХ азов не знаешь! Иди поучи законы дедушки Ома ....  |
|
|
AET
|
| R2 писал: | | Цитата: | | поменял SE110 напряжение упало до 109В |
а изначально какой стоял ? БП до тебя ремонтировали? | там стояло SE110. БП ремонтировал сам хозяин |
|
zarah
Не фанат форума
Сообщения: 9825
|
|