| Автор | Сообщение |
goric
Завсегдатай
Сообщения: 652
|
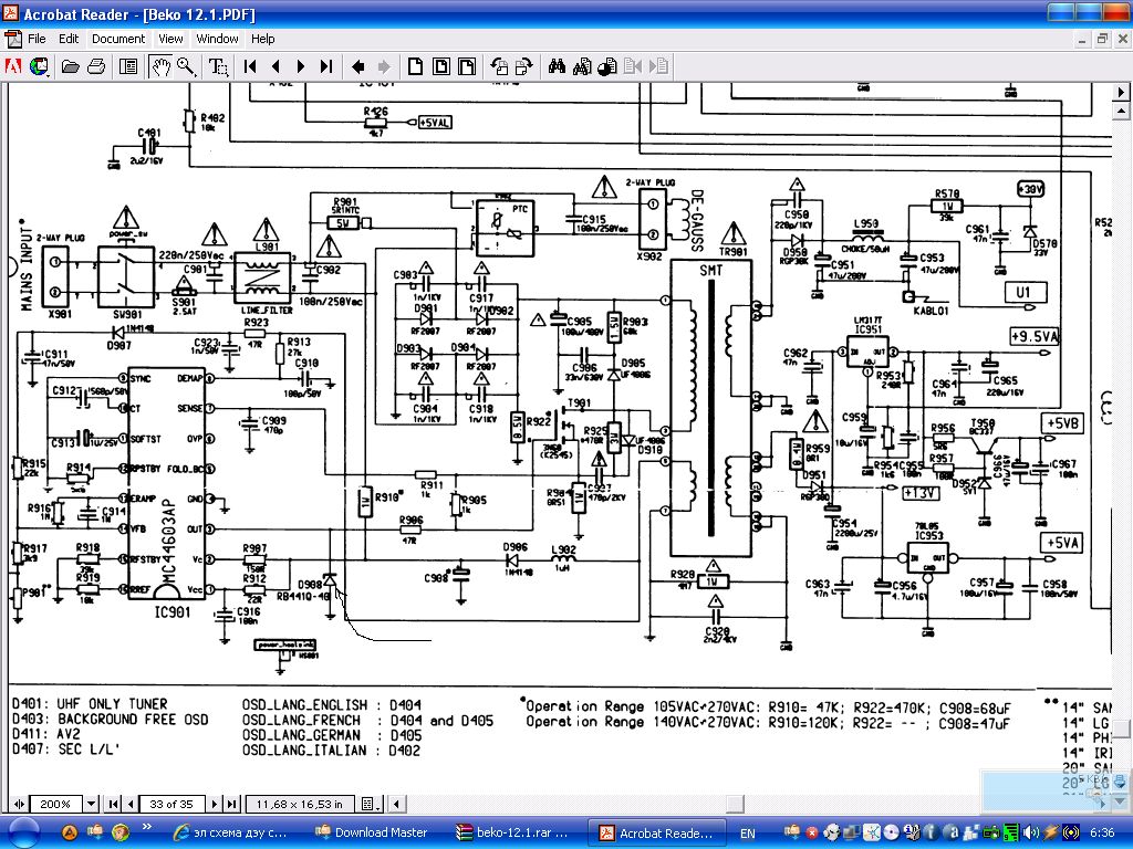
Electron 54tk651 клон Beko 12.1.01, состав ST6387B, TDA8174A, STY?V82239B, MC44603AP. Вышел из строя блок питания, заменил полевик, микросхему MC44603, реистор R906-47ом, резистор 0.5ом., D906, С908-100мкф.,D950-по 115в., D908 не устанавливал-нэту-RB441Q-диод шотки, блок питания запускается , но на выходе напруги занижены, вместо 115в.-25в.. На микросхеме 1и2 нн-12-13.5вв., на 2н 0.7-1.5в.. Генераторм качаю, выходной каскад и вторички в норме.Микросхему ставил заведома рабочую, подскажите в чем проблема, и может этот диод RB441Q создавать эту проблему, и чем его замениь
редактировал мастер-ломастер
beko.jpg 194.38 КБ Скачано: 654 раз(а)
|
|
мастер-ломастер
Модератор
Сообщения: 9972
|
| goric, это стабилитрон, можно поставить любой на 40в например. |
|
goric
Завсегдатай
Сообщения: 652
|
но по сути своей работы, он ограничивает напряжение, т.е. защита полевика- без него должен блок питания работать
ДОБАВЛЕНО 08/05/2012 21:12
да и напряжение на 3н. выше 2в. и не поднимается-постоянки |
|
мастер-ломастер
Модератор
Сообщения: 9972
|
|
|
B.B.
|
| goric писал: | | без него должен блок питания работать | Обязан, но ведь не работает!| goric писал: | | На микросхеме 1и2 нн-12-13.5вв., на 2н 0.7-1.5в.. | Переведи на нормальный язык. |
|
makeym
Фанат форума
Сообщения: 9737
|
goric, А ты для начала теорию по MC44603 (или им подобным) подтяни - хде-то я тут выкладывал  |
|
|
B.B.
|
makeym, Миша привет! Какая там теория???  |
|
Yuritsh
Фанат форума
Сообщения: 18498
|
| goric писал: | | Вышел из строя блок питания...D908 не устанавливал-нэту | goric, может надо рЭмонтировать БП? Или есть ещё какие-то варЭанты? |
|
makeym
Фанат форума
Сообщения: 9737
|
B.B., Сдесь помнится в важных раздел по шимам был, там вся эта трабла по по ИП - ШИМ была по МС ам (хорошая подборка) - и по построению, и подбору, расчёту и обоснованию, подбору-вообщем щас нет её(темы)  |
|
Yuritsh
Фанат форума
Сообщения: 18498
|
| makeym писал: | Сдесь помнится в важных раздел по шимам был, там вся эта трабла по по ИП - ШИМ была по МС ам (хорошая подборка) - и по построению, и подбору, расчёту и обоснованию, подбору-вообщем щас нет её(темы)  | makeym, ты просто не умеешь искать http://monitor.espec.ws/section27/topic113732.html |
|
makeym
Фанат форума
Сообщения: 9737
|
Yuritsh, если я не умею - то????????? Глоссарий терминов и профессионального сленга - это для ламеро - дэбилов  |
|
serg63
Передовик
Сообщения: 2691
|
Где нашел этот элемент?
| goric писал: | | блок питания запускается , но на выходе напруги занижены, вместо 115в.-25в.. |
Не все резисторы проверил,заменил. |
|