ESpec - мир электроники для профессионалов


TV LG CF-14J50K Шасси MC-019A Как перевести в дежурный режим

  Список форумов » CRT-телевизоры
На страницу Пред.  1, 2
Следующая тема · Предыдущая тема
АвторСообщение
BIG M.A.N 
Бывалый
Сообщения: 37
BIG M.A.N
 
Сообщение #21 От 08/12/2006 05:38 цитата  

Была у меня такая мысля. Поскольку разные схемки смотрел и везде разные напряжения делителем формируются. Может и правда на какое нибудь напряжение зашита функция отключения.
prapor 
Завсегдатай
Сообщения: 720
prapor
 
Сообщение #22 От 08/12/2006 05:44 цитата  

Ну, можно попробовать. Один резистор постоянный, другой переменный - глядишь и получится улыбка
BIG M.A.N 
Бывалый
Сообщения: 37
BIG M.A.N
 
Сообщение #23 От 12/12/2006 06:25 цитата  

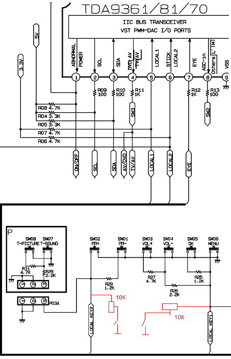
Докладываю, вот, что мы имеем:
Вчера наконец-то выбрал время и поэкспериментировал, пробовал подключить кнопку и переменный резистор, и задавать различные напряжения на входах 5 и 6 TDA9381.
Все штатные команды проявились, дополнительных команд обнаружить не удалось. Т.о. остаётся пожалуй единственный вариант, засунуть внутрь микруху от пульта ДУ.

  LG CF-14J50K_.PNG  57.27 КБ  Скачано: 1235 раз(а)
makar.i 
Фанат форума
Сообщения: 4035
makar.i
 
Сообщение #24 От 12/12/2006 08:42 цитата  



Добавлено 12/12/2006 12:56

шасси MC-019A странно почему вы не знаете
P.S схема ведь есть!
BIG M.A.N 
Бывалый
Сообщения: 37
BIG M.A.N
 
Сообщение #25 От 12/12/2006 09:44 цитата  

makar.i писал:

шасси MC-019A странно почему вы не знаете


С некоторых пор знаю подмигивание

Перейти: 
Следующая тема · Предыдущая тема
На страницу Пред.  1, 2
Показать/скрыть Ваши права в разделе

Интересное от ESpec


Другие темы раздела CRT-телевизоры



Rambler's Top100 Рейтинг@Mail.ru liveinternet.ru