| Автор | Сообщение |
Сергей92
Завсегдатай
Сообщения: 887
|
процессор M37102M8-C42SP
шим - STR-S6707
видео - M52343SP
кадровая- LA7837
унч - AN5265
тюнер - CEEU534-B03
HOT - D1878
ТДКС - неизвестен.
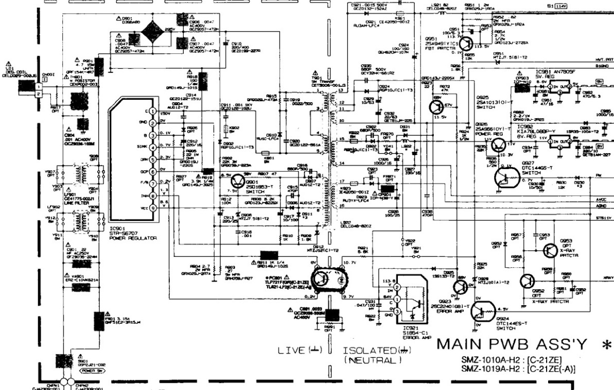
Имеются два телевизора - jvc c21ze и samsung ck-5081tr, у них одинаковые (почти) БП на ШИМ STRS6707.
Горел низкоомник в первичке. Заменил пробитый d902. Может кто-то знает "слабые места" этих БП, какие-то приспособы? Схему прилагаю от шасси MZ 2, на практике шасси вроде другое (CKF0224-BH1-1 NEAMX5), но элементы все (почти) совпадают...
Измерения проводил с лампой накаливания (заместо предохранителя) Вход: ~252В, после выпрямителя: 335В. Определил выбитый ключевой в ШИМе, подкинул D2499.
На STR-S6707:
1 нога - 334 В
4 нога - 2-3 В
9 нога - 5,5-6,5 В
на остальных - "по нулям"
| схема.jpg |
| Описание: |
|
| Размер файла: |
264.47 КБ |
| Просмотрено: |
1554 раз(а) |

|
|
|
iv-9
Фанат форума
Сообщения: 6359
|
| Эти БП уже разобраны по косточкам, что там разбираться в десятке деталей? Прежде чем такие темы создавать - в поиск или в "Секреты ремонта". |
|
gaydamaking
Завсегдатай
Сообщения: 525
|
|
|
10541BILL
|
| Сергей92, Ещё на этой STRS6707 собран БП SONY. Там обычно никаких проблем не возникает (литы). Проверяй досконально всю обвязку. |
|
Сергей92
Завсегдатай
Сообщения: 887
|
| Подключил, если можно так сказать, осциллограф (омл3м), на микросхеме прослеживаются прыжки напряжения от 0 и до (4 нога - 3 В, 9 нога - 7 В и остальные - сигналы высокой частоты размахом несколько сот милливольт (к сожалению стабилизировать их мне не удалось), на 8 ноге нет ничего... |
|
JYRIJJ
Спец-агент
Сообщения: 4741
|
Сергей92, | Цитата: | | 9 нога - 5,5-6,5 В | Мало! |
|
Бакум
Рождённый в СССР
Сообщения: 12733
|
| Сергей92, Ты электролиты в первичке поменял? давай что менял. Тему я вернул, и впредь уважай участников Ок? |
|
валентин-сибиряк
Фанат форума
Сообщения: 9053
|
| Сергей92 писал: | | Определил выбитый ключевой в ШИМе, подкинул D2499. |
А STR-S6707 уже не достать? |
|
мастер-ломастер
Модератор
Сообщения: 9972
|
|
aze1959
Распугиватель "гениев"
Сообщения: 6574
|
Сергей92, проверь резюки омные, замени все мелкие литы в первичке (как и советовали выше). но если выходит из строя стабилизатор на транзисторе и стабике, то STR дохлая-к гадалке не ходи. источники на STR6707 достаточно просты в ремонте-в поиске тем-зачитаешься...
аналоги STR6708 STR6709
Samsung CK-5081TR шасси P69SA1
http://monitor.espec.ws/section1/topic110265.html
источник ремонтится так же |
|
serg63
Передовик
Сообщения: 2691
|
| Сергей92 писал: |
Измерения проводил с лампой накаливания (заместо предохранителя) |
Если все правильно заменил в первичке,убери лампу и возможно произойдет чудо.Лампа на сколько? |
|
SASHATOD
Фанат форума
Сообщения: 9885
|
| Сергей92, Может поставишь нормальный BU508A а не составной D2499, если уж так тяжело купить STRку. |
|
serg63
Передовик
Сообщения: 2691
|
Действительно, пропустил. Ищи STR-ку,самоделкин. |
|
ut3eo
Завсегдатай
Сообщения: 928
|
| SASHATOD писал: | | а не составной D2499 |
С чего ты взял, что он составной?

|
|
SASHATOD
Фанат форума
Сообщения: 9885
|
ut3eo, Таки не Дарлингтон.
Но не простой же,как стоит в STRке.
Хорошо не так выразился
Транзистор с диодом и резистором. |
|
Сергей92
Завсегдатай
Сообщения: 887
|
| Поменяны все электролиты в первичке (4 штуки), диод d902, ну и соответственно низкоомник я закоротил (временно). STR-S6707 думаю только в крайнем случае менять (искать надо). мастер-ломастер, шасси похоже на MZ2, но мне кажется не то... Лампу пробовал на 60 и на 100 Вт. Кроме D2499 есть КТ872Г, но они идентичны в отличие от КТ872А. (купить смогу только на следующей неделе) а вдруг сгорит? (мне сказали сейчас 1 из 3 нормальная) |
|
makeym
Фанат форума
Сообщения: 9737
|
Сергей92, не хочешь СРАТЬ - не мучай ЖОПУ!!!!!!!!  |
|
aze1959
Распугиватель "гениев"
Сообщения: 6574
|
|
Сергей92
Завсегдатай
Сообщения: 887
|
makeym, согласитесь, что покупка ИМС по цене 200р или транзистора за 35р довольно весомая разница, принимая во внимание некачественное изготовление ИМС + теоретическую возможность выхода её из строя + телевизор будет сделан "на всякий случай" и использоваться месяца 4-5 за год....
aze1959, да будет так... |
|
sofrina
Модератор
Сообщения: 4833
|
| сколько были на ремонте телики что на 6707, что на 5707 при неисправности микры на ней четко так и написано -"Я НЕИСПРАВНА, ЗАМЕНИ МЕНЯ", правда тот элемент на котором появляется эта надпись (точнее кусок сорванной пластмассы) прходится отыскивать во внутренностях |
|