ESpec - мир электроники для профессионалов


Монитор LG Flatron F730BM.ALRUQE. Шасси CA-136 не включается

  Список форумов » CRT-мониторы

Следующая тема · Предыдущая тема
АвторСообщение
chesha 
Бывалый
Сообщения: 63
 
Сообщение #1 От 28/04/2011 08:54 цитата  

Здравствуйте!
Монитор изначально пришел с проблемой не включается. Был заменен D900,C908,F901 монитор запустился. Проработав минут 20 потух. При включении, индикатор моргает на секунду синим, затем горит желтый.

LG Flatron F730BM.ALRUQE. Шасси CA-136
C941,C951,C954,C971 заменены.
нагрузив чоппер лампочкой, измерил:
15V-13,8
6,3V-7,8
5V-6,1
80V75,8
50V-49,8

DPMP-0
DPMS-0
H-DRV-0
UVOLT-2,8V
SCL-2V
SDA-2,4V

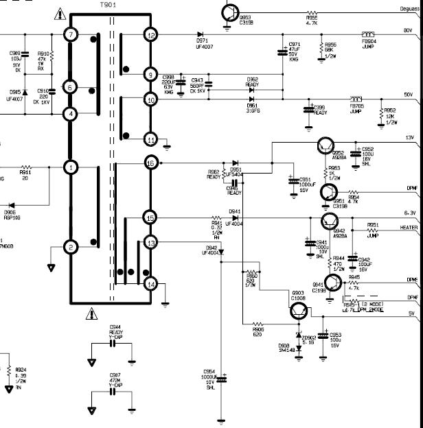
Отсутствует 13V на разъеме P702.
Воспользовавшись поиском, ничего не нашел.
Подскажите, в каком направлении копать?
TE 
Старший модератор
<B>Старший модератор</B>
Сообщения: 10199
 
Сообщение #2 От 28/04/2011 11:00 цитата  

Во-первых, почему не пишешь с какой целью поменял D900,C908,F901?
Зачем нагружать чоппер лампочкой, если у него нагрузка - строчная развертка?
Если отсутствует 13V на разъеме P702, не поиском надо пользоваться, а схемой. Откуда оно там появиться, если ключ Q952 закрыт, т.к. сигнал DPMF (не DPMP) низкого уровня.
Во-вторых, абсолютно неправильный подход к ремонту, после устранения неисправности и запуска монитора надо проводить измерение напряжений питания, а теперь возможно монитор не восстановить.
Процессор 20 минут работал при повышенном напряжении 6,1В вместо положенных пяти, а ты спрашиваешь в каком направлении рыть.
chesha 
Бывалый
Сообщения: 63
 
Сообщение #3 От 28/04/2011 11:38 цитата  

D900,C908,F901 были сгоревшими, из-за повышения напряжения в сети. DPMP-простите за опечатку.
TE 
Старший модератор
<B>Старший модератор</B>
Сообщения: 10199
 
Сообщение #4 От 28/04/2011 13:01 цитата  

Опечатка не главное, пятивольтовый стабилизатор проверил?
chesha 
Бывалый
Сообщения: 63
 
Сообщение #5 От 28/04/2011 13:49 цитата  

на 16 ноге V5V- IC401, ровно 5 вольт
TE 
Старший модератор
<B>Старший модератор</B>
Сообщения: 10199
 
Сообщение #6 От 28/04/2011 15:25 цитата  

Цитата:
5V-6,1

Это тоже опечатка?
chesha 
Бывалый
Сообщения: 63
 
Сообщение #7 От 29/04/2011 08:53 цитата  

стабилизатора по схеме нет.

ДОБАВЛЕНО 29/04/2011 10:00

на эмиттере Q903 -5V

  1.JPG  52.47 КБ  Скачано: 1810 раз(а)
TE 
Старший модератор
<B>Старший модератор</B>
Сообщения: 10199
 
Сообщение #8 От 29/04/2011 10:21 цитата  

chesha писал:
стабилизатора по схеме нет.
Нельзя делать таких заявлений при отсутствии элементарных знаний. На транзисторе Q903, стабилитроне ZD902 и резисторе R906 как раз и сделан стабилизатор.
chesha 
Бывалый
Сообщения: 63
 
Сообщение #9 От 29/04/2011 12:27 цитата  

принесли аналогичный монитор, в момент запуска высокое появляется на 1 сек и пропадает, индикатор продолжает светится. Неисправность устранена. Решил перепаять в эту плату процессор с не рабочей. Монитор запустился, тестируется около трех часов. Неисправность в предыдущей плате, пока не найдена.

Перейти: 
Следующая тема · Предыдущая тема
Показать/скрыть Ваши права в разделе

Интересное от ESpec


Другие темы раздела CRT-мониторы



Rambler's Top100 Рейтинг@Mail.ru liveinternet.ru