| Автор | Сообщение |
Сергей92
Завсегдатай
Сообщения: 887
|
| Всем доброго времени суток! В мультиметр попало несколько капель воды. После просушки и включения наблюдались чёткая прорисовка одного "ненужного" в данный момент сегмента дисплея "080" вместо "000" и "потеря" режима прозвонки, а также нестабильные показания немного выше "0"(если щупы никуда не подключать), а вообще ИЗМЕРЯЕТ С НЕЗНАЧИТЕЛЬНОЙ ПОГРЕШНОСТЬЮ в 1-2 ома, либо вольта. Потом я его долго сушил на солнышке, промывал спиртом несколько раз. Помогло, прозвонка "вернулась", "ненужный сегмент" стал еле заметен, а вот нестабильные показания остались. Далее было замечено полное восстановление нормального режима работы после 10-15 минут работы прибора, а если подуть на плату феном, причём неважно холодным или горячим воздухом примерно 10 секунд-аппарат приходит в нормальное рабочее состояние. Прошу вашего совета по ремонту насчёт этой проблемы. Спасибо всем за помощь, и удачного Вам дня. |
|
BAZUEV56
Ретро-мастер
Сообщения: 4667
|
Сергей92, Делается полная разборка прибора со снятием дисплея. Потом чистишь плату щёткой спиртом и сушишь.  |
|
Сергей92
Завсегдатай
Сообщения: 887
|
| Делается полная разборка прибора со снятием дисплея. Потом чистишь плату щёткой спиртом и сушишь.>>> Всё именно так и было сделано, но тщетно... |
|
мастер-ломастер
Модератор
Сообщения: 9972
|
Сергей92, а что ты хотел за 350р  |
|
Сергей92
Завсегдатай
Сообщения: 887
|
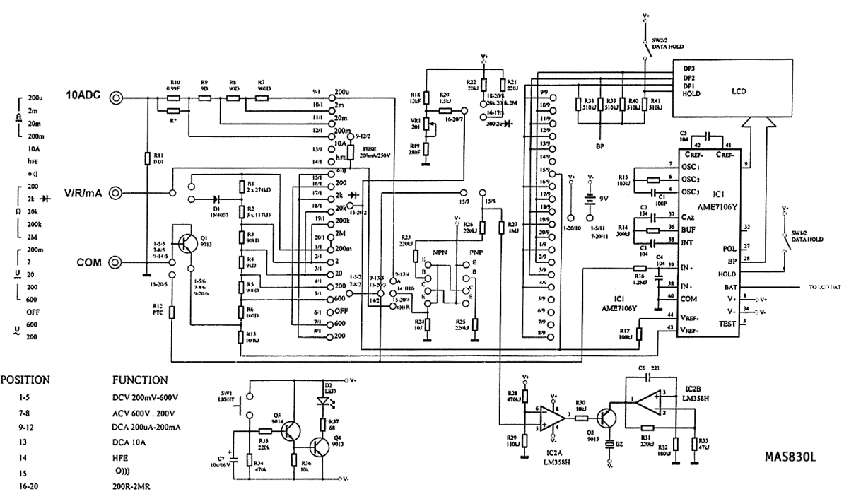
Прочистка, сушка - не помогли. Как Вы думаете в какую сторону копать далее? У каких элементов могли поплыть параметры? Что регулирует делитель VR1? Заранее благодарю.
mastech_mas830l.gif 80.6 КБ Скачано: 728 раз(а)
|
|
KRAB
Распугиватель клиентов
Сообщения: 21704
|
| капля отвалилась видимо - в помойку его |
|
|
малахи
|
| Да никакие "параметры не поплыли"...где то под "амешкой" висит сопля. В этих случаях УВ с чистящим раствором и естественная сушка. Не поможет... Значит и смысла нет ковыряться. |
|