| Автор | Сообщение |
|
eremeich
|
Здравствуйте уважаемые форумчане. Отдали мне неисправный MY62N, запитал его от
БП 9 В. Сразу после нажатия "ВКЛ" на полсекунды высвечивается 1999 или 1699, потом
постоянно -1. Если сразу же нажать " HOLD", то 1999 остаются надолго. Через 20 минут
самовыключается. Ни с какого из входов инф-я не отображается. Схему мог найти
только без буквы "N" - отличается и пределами и нумерацией МС и еще кое-чем (напр.
вместо гнезда для пров. транз. стоит кнопка HOLD . Если во включ. сост. убрать
питание 9 В, то через 2 сек. появляется значок "разр. бат." и всё гаснет. Смею сделать
вывод, что АЦП 7106 "капля" исправна. Проверил на работоспособность все ОУ:
2 шт. 358, 062, 324. Под подозрением транзисторы - их куча. Пищалка тоже молчит.
Прошу, может кто даст ссылку на схему MY62N или подскажет, где копать дальше.
Похоже, эта версия (Rev2.4), выпуск 2012-3-7 довольно редкая, перелопатил кучу
страниц - ничего.  |
|
олса
Передовик
Сообщения: 1903
|
Схему не найти.Скачай книгу про ремонт мультиметров.Про 7106 написано много.Скорее всего знак " розряд батареи " не идёт через " каплю ".Надо померить , что на входах " капли ".Ещё один из " методов " - второй мультиметр в режим " проверка диодов" и по всех ногах " КАПЛИ" относительно её входов питания.Должно быть приблизительно одинаково.
Профиль заполните ?
ДОБАВЛЕНО 21/08/2018 07:40
С наскока не устранить такую неисправность .
Внутрений источник опорного напряжния капли работает ?
На входах " капли " что ? |
|
|
eremeich
|
Спасибо за быстрый ответ, Вы меня успокоили - одной заботой
меньше, не стоит искать схему .
В даташите на 7106 приводят схемы проверки оной.
На входах напр. по 0-м, сопр. 1...1,5 кОм - как будто где-то
раньше какой-то ключ замкнул на общ. Хочется отрезать
дорожки от входов и потыкать на вх. разными испытаниями,
но там места меньше, чем у хирурга, делающего аборт, у кот.
всё же в ёй меньше "компонентов" и "схема" есть и методика
отработана
(Была публикация, как нач. хирург "продолбил" стенку матки,
добрался до кишок и вытягивал их наружу, удивляясь:
откуда там столько всякой х..ни)
Прошу прощения за ОФФТОП, это я к тому, что везде нужна
осторожность
"Будем искать" и сообщать результаты, может быть еще
кому пригодится . |
|
|
eremeich
|
Было так: все поверхности "общ" вместе с "СОМ" КЗ на -9В,
чтобы найти "врага", отрезал вывод "СОМ" МС - 40-й
у "капли" от всего остального. Раньше, естественно,
на СОМ было -9 В относ. +V, теперь стало в районе 3 В,
что и требовалось для норм. работы. Вот только КЗ
пока не удалось найти . Плата вытащена из корпуса
и движки "галетника" лежат в сторонке и нервно
курят от нетерпения.) При "вкл" сначала мелькает
1999, затем -1, а после секунды 2 стоит 001 - по сути,
"стрелка на нуле". Потом надолго -1. |
|
|
eremeich
|
Всё ищу причинное место, где тайно совокупляются
минус бат. питания и поверхность ОБЩ.(СОМ).
Уже неоднократно прозвонил все конд. и транз., МС,
просмотрел дорожки под лупой и бинокуляром.
Перерезал одну минусовую дорожку - оказалось,
в ней нет КЗ. Придётся продолжить отсекание.  |
|
олса
Передовик
Сообщения: 1903
|
| Далеко ты ,я бы сделал... |
|
|
eremeich
|
| олса писал: | | Далеко ты ,я бы сделал... |
Спасибо. Для меня этот поиск КЗ - развлечение.
Куда спешить - впереди вечность. Попутно составляю
евоную схемку, потом, если получится, помещу
для всеобщего обозрения, ибо сильно отличается
от своих однофамильцев.
Заодно на объектив бинокуляра присобачил
круговую светодиодную подсветку
Считается, что для профилактики и лечения
болезни Альцгеймера нужно нанизывать бисер
А мы, радиопаятели, кроме рук и глаз, еще и мозги
задействуем  |
|
duldog222222222
Завсегдатай
Сообщения: 453
|
|
|
eremeich
|
Зачем мне еще, у меня всяких измерялок столько, что уже
начал раздавать друзьям
И я не перестану тыкать щупами под микроскопом для
удовольствия.
Ведь щелканье семечек - это не принятие пищи, а
наслаждение процессом выплёвывания шелухи
А может, это тоже профилактика Альцгеймера?  |
|
|
eremeich
|
Нашел я КЗ - "для этого пришлось разгромить свой собственный
сарай" . МС LM324 = 4 ОУ, в ёй в нутрях КЗ между 11 (-9 В) и 12 (вход,
посажен на ОБЩ. (СОМ).
Теперь надо ехать в еврейские лавочки, искать оную.
Сделал фото панели управления, чтобы показать отличия,
а как его поместить сюда - не ведаю.
| MY62N внешн..png |
| Описание: |
| "Найдите 10 отличий от MY62. | |
| Размер файла: |
492.19 КБ |
| Просмотрено: |
327 раз(а) |

|
|
|
|
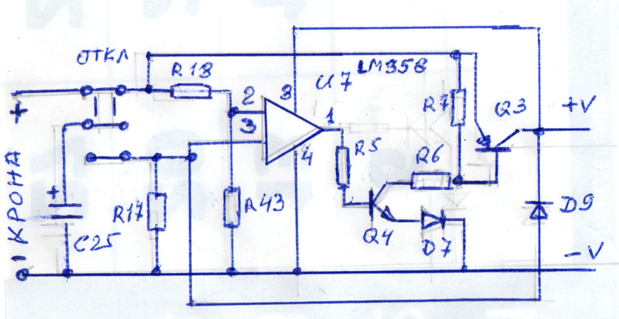
eremeich
|
Помещаю схему узла выключения через 20 минут.
Видно, насколько она отличается от подобных в
других изделиях.
| 1.png |
| Описание: |
|
| Размер файла: |
513.55 КБ |
| Просмотрено: |
431 раз(а) |

|
|
|
|
eremeich
|
Припаял на место новую МС u2 LM324 , заработало измерение
R, V=, V~ . Сверял по образцовым - точно.
Не работает измерение ёмкостей и не пищит прозвонка.
Будем искать.  |
|
|
eremeich
|
Вот схема узла прозвонки.

|
|
|
eremeich
|
прозвонка работает, измеритель ёмкости сильно врёт,
возможно, из-за того, что по плате и в воздухе очень
много помех большой амплитуды всех мыслимых
частот  |
|
|
eremeich
|
Составил схему общего делителя для R, V=, V~.
Конд. С1 - один из трёх выводной, был выкушен еще до меня. Ставил
на его место разные, от 0,033 до 2 мкФ, даже электр. 47 мкФ.
От ёмкости сильно зависит показания изм. ёмкости и V~.
Если кто знает, подскажите для общего блага.
И еще. Может, у кого есть инструкция или кто просто знает,
для чего на переключ. позиция hFE и соответствующее гнездо,
совмещенное с гнездом mA. Давайте все вместе доводить до
ума этот китайский выкидыш 
| мультиметра.png |
| Описание: |
|
| Размер файла: |
417.63 КБ |
| Просмотрено: |
511 раз(а) |

|
|
|
олса
Передовик
Сообщения: 1903
|
Жалко времени тратить-легче и дешевле купить новый и лучше
Просто работы по самые уши , хорошей роботы,платной!
Тратить время на это "Г" жалко. |
|
|
eremeich
|
Помещаю схему измерения V~ в упрощеном виде,
без коммутационных загогулин
Похоже, С1 и RT1 - что-то вроде защиты от чего-то 

|
|
|
eremeich
|
Вот схема измерения емкости, без коммутационных загогулин.
| .емкости.png |
| Описание: |
|
| Размер файла: |
290.2 КБ |
| Просмотрено: |
422 раз(а) |

|
|
|
|
eremeich
|
Вот схема измерения пост. и перем. токов.

|
|
|
eremeich
|
Вот схема измерения постоянных напряжений,
простая до банальности. 

|
|