| Автор | Сообщение |
|
Igor535
|
Телек LCD TV SHARP LC-52XD1E
MAIN: KD915WE01
AV: KD604WE11
TUNER: DUNTKD833WE
Tuner: 89222 441071
T-CON: CPWBX3520TPZ
INVERTOR: RUNTKA 259WJZZ; 260WJZZ; 261WJZZ; 262WJZZ
PSU: CA245WJQZ
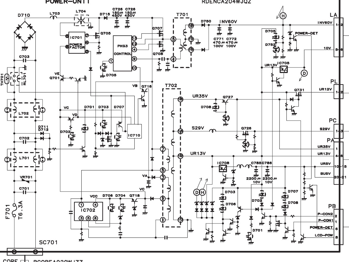
Никаких признаков жизни - ничего не светится, ни на что не реагирует. БП выдает пониженные на 30% UR13v, S29v, UR35v (после транса. После ключей 0в). UR5v, BU5v в норме. INV60, 10v, UR12v также нет. Помимо этого слышен небольшей свист основного транса. Прозвон дефектов не выявил.
В Main Unit на плисине ис3002 все питания есть но реакции на включение нет.
Вопрос где копать.
psu.jpg 188.7 КБ Скачано: 367 раз(а)
|
|
|
kruvas
|
| релюшка в бп щелкает? погляди напряжения на P-CON1 - если там по нулям, то бп не включает из дежурки в рабочий режим майн - копай там. еще раз проверь все напряжения в майне, если есть осцилл - то с ним, погляди пульсации. а дальше уже гляди жизнь на шинах - eeprom, в других местах. |
|
|
Igor535
|
| Нет, реле не срабатывает. P-CON1 0.8в. В Main Unit основные напруги есть (BU=1.8v, BU=2.5v, BU=3.3v), остальные не включены ключами. Жизни на шинах нет. |
|
Иван Зенин
Модератор
Сообщения: 6784
|
| Так и не будет жизни, пока POWER-DET не появится. |
|
nsn63
Передовик
Сообщения: 1351
|
| Иван Зенин писал: | | Так и не будет жизни, пока POWER-DET не появится. |
При чем POWER-DET? |
|
Иван Зенин
Модератор
Сообщения: 6784
|
| Майн увидит, что с БП всё в порядке и встанет в ДР. |
|
|
kruvas
|
Igor535, на шине 13 вольт сколько вольт сейчас? если около 8 - то у тебя просто блок питания в дежурке. ключи по 29, 35 вольт откроются как блок выйдет из дежурки по PCON1.
проверь ресет на кнопке в майне, если ок, попробуй пожамкать её,
сигналы на флеш IC3503 (M29DW128) - читает оттуда что то? если да, то попробуй BOOT SW перещелкнуть - вдруг будут подвижки.
| Иван Зенин писал: | | Майн увидит, что с БП всё в порядке и встанет в ДР. |
power-det повится, когда inv60 запустится. а он запустится когда pcon1 включится. а затем pcon2. соответственно для майна 5в в дежурке достаточно |
|
|
Igor535
|
| kruvas, На шине 13в сейчас 9 вольт, кнопка работает, ресет тоже. При нажатии слышно что падает нагрузка по БП. Сигналов на IC3503 нет - все стоит. |
|
nsn63
Передовик
Сообщения: 1351
|
| Igor535 писал: | | При нажатии слышно что падает нагрузка по БП. Сигналов на IC3503 нет - все стоит. |
Что при этом на P-con1 и P-con2 ... 0,8V??
| Igor535 писал: | | UR5v, BU5v в норме. |
В какой? |
|
|
Igor535
|
nsn63
Да, на P-con1 и P-con2 0,8V
UR5v, BU5v = 5в |
|
|
kruvas
|
0,8 на PCON1/2 - какое то странное напряжение. там скорее всего 3.3v логика, соответственно
"0" = <0.4v
"1" = >2.4v
а раз там не так, то выход управления отключен, либо питание "не то" - напряжения 3.3v, 2.5v, 1,8v - точно в порядке?
плюс там несколько ресетов. кроме того, что с кнопкой, есть на отладочном разъеме (1 контакт P2304) |
|
|
Igor535
|
Если быть предельно точным то 0.75в на P-con1 и P-con2.
3.3v, 2.5v, 1,8v точно в порядке. Смотрел и на плисине и на стабах.
На 1 контакте P2304 0в |
|
nsn63
Передовик
Сообщения: 1351
|
| Igor535 писал: | nsn63
Да, на P-con1 и P-con2 0,8V
UR5v, BU5v = 5в |
Найди мастера!Потому как поз. № того,что нужно заменить ты здесь не дождешься...  |
|
|
kruvas
|
"смотрел на плисине" это где? IC3002 бга вроде. плюс там куча предохранителей, расщепляющих шину питания на части.
+1,8 - FB1707 FB3002 FB3005 FB3010 FB3014
+2,5 - FB3008
+3,3V - FB1706 FB3004 FB3006 FB3007 FB3009
а что с подтяжкой? выходное напряжение PCON* держит или нет?
если на шинах и флеше тишина, то на оперативной памяти уж точно жизнь должна быть. IC3501 / IC 3502 - на адресах погляди в младших разрядах.
ну и кварц X3001 (20.25mhz) надеюсь ты уже глядел - генерит?
а так вариантов немного осталось - видимо что то не так с IC3002, либо не соблюдается какое то условие для ее запуска. правда хз какое - питание по твоим словам есть, ресет отпущен, кварц генерит... |
|
|
Igor535
|
nsn63
Та вроде тоже знаю что к чему. Телеки просто не часто делаю. А консилиум всегда сила.
kruvas
Все предохлики целые, в т.ч. на IC3002. Бга это корпус, а по принципу она вроде плис. Хотя могу ошибаться.
Что значит "выходное напряжение PCON* держит или нет?" Там постоянно 0.75в
На обоих озу тоже тишина, кварц генерит.
Склоняюсь к замене Main Unit. Как по мне то или отвал бга или она же дохлая. |
|
|
kruvas
|
| Igor535 писал: | | Бга это корпус, а по принципу она вроде плис. |
ну я просто удивился как ты мерял напряжение на самой бга
| Igor535 писал: | | Что значит "выходное напряжение PCON* держит или нет?" Там постоянно 0.75в |
просто можно было проверить - там реально из IC3002 выходит такое напряжение, или выход в Z состоянии
| Igor535 писал: | На обоих озу тоже тишина, кварц генерит.
Склоняюсь к замене Main Unit. Как по мне то или отвал бга или она же дохлая. |
скорее всего да. пропаять IC3002 как вариант |
|
|
Igor535
|
| При замене Main Unit понадобится дополнительная настройка, калибровка? |
|