ESpec - мир электроники для профессионалов


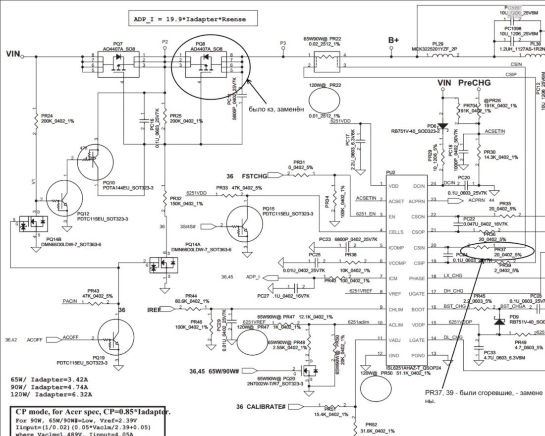
Acer 7750, Греется резистор PR37 в схеме обвязки ISL6251

  Список форумов » Ноутбуки и КПК

Следующая тема · Предыдущая тема
АвторСообщение
sablk 
Заглянувший
Сообщения: 7
 
Сообщение #1 От 25/10/2015 10:30 цитата  

Acer 7750, Model NP7YEO (Платформа P7YEO LA - 6911p rev 1.0)
Принесли с диагнозом - не включается. Вскрыл, заменил PQ8 и резисторы PR37, 39 - ноутбук ожил.
Но, резистор PR37 греется до 60 градусов.
Подскажите, это норма или нет.
Питание от сети. Аккумулятор умер и давно работают без него.

la6911_re.jpg
 Описание:
 Размер файла:  222.62 КБ
 Просмотрено:  688 раз(а)

la6911_re.jpg


Sergej 
Передовик
Сообщения: 2684
Sergej
 
Сообщение #2 От 26/10/2015 09:53 цитата  

ISL в мир иной отходит, поджаренная.
Там, как правило, вxоды компаратора - ток стремится к нулю
sablk 
Заглянувший
Сообщения: 7
 
Сообщение #3 От 30/10/2015 19:36 цитата  

точно, не долго мучилась - заменил ISL, опять пришлось заменить сгоревшие PR37, 39.
сейчас все режимы 6251 в норме. ноут работает. Спасибо за ответ.
тему можно закрыть.

Перейти: 
Следующая тема · Предыдущая тема
Показать/скрыть Ваши права в разделе

Интересное от ESpec


Другие темы раздела Ноутбуки и КПК



Rambler's Top100 Рейтинг@Mail.ru liveinternet.ru