| Автор | Сообщение |
|
zdr2d2
|
Случайно нашёл в интернете информацию об удивительном открытии выдающегося учёного Ройала Раймонда Райфа,значимость открытия которого может сравниться только со значимостью открытий Николы Теслы... https://www.liveinternet.ru/users/rus61/post421942203 ... Информации об открытии доктора Райфа довольно немного,но,насколько я понял,доктор Райф построил оптический микроскоп ,который позволял увидеть живые вирусы и бактерии.Доктор Райф установил,что при воздействии на бактерии и вирусы,паразитирующие в человеческом организме,электромагнитного излучения с определённой частотой,бактерии и вирусы мгновенно погибают.Доктор Райф экспериментальным путём установил,что рак вызывается вирусами двух типов - саркомы и карциномы,для которых частоты 20080 Гц и 21275 Гц гибельны.Удалось найти в интернете схемы генераторов Райфа и таблицы частот.

|
|
|
zdr2d2
|
Методом доктора Райфа можно лечить не только онкологию,но и туберкулёз,заболевания,вызванные бактериями.

|
|
БЕЗЫМЯННЫЙ
Бегущий по граблям
Сообщения: 7608
|
Особливо элемент V7 на схеме радует правда включение какое то необычное.
Весна одним словом. |
|
|
zdr2d2
|
|
groks
Завсегдатай
Сообщения: 393
|
Если на V7 будет приходить достаточное напряжение, то частота и форма импульсов не будут существенно влиять на результат.
Некоторая логика есть - частоты для вирусов больше, чем для бактерий. Т.е. "смертельная частота" организма обратно пропорциональна размерам организма. Но вероятно - нелинейно, поскольку разница в размерах больше чем в 2-3 раза. И разница в размерах клеток тела макроорганизма практически совпадают с размерами бактерий. Значит следует излучать строго фиксированную частоту. Что вобщем и видим. Но точность до десятков герц при общей частоте около 10-20К без кварца ... сомневаюсь я однако.
Судя по диапазону, автор решил только вирусы гонять. Зато оптом, поскольку скользящий генератор. Смысл тот же, что и моя древняя гонялка комаров и даже диапазон сходится. Только что у меня было два транзистора в пилу и два в несимметричный мульт. Комарам было пофиг, есть ощущение, что и вирусам будет пофиг. А то бы все, работающие на ТВЧ, были гарантированно сверхздоровыми людьми, точнее - без единого микроорганизма внутри. |
|
БЕЗЫМЯННЫЙ
Бегущий по граблям
Сообщения: 7608
|
А ссылочка у автора с трояном однако.  |
|
|
zdr2d2
|
Начинал тоже со схем на транзисторах - генератор пилы на аналоге однопереходного транзистора из двух транзисторов разной проводимости,пробовал различные транзисторные мультивибраторы и "пищалки".Работает,но нестабильно,сильно зависит от разброса параметров деталей,решил всё-же остановиться на самом простом варианте - генераторе треугольных импульсов (две половинки сдвоенного операционного усилителя LM2904 или LM358 с однополярным питанием) - схема типовая : первый оу - триггер Шмитта , второй оу - интегратор,соединённый с триггером Шмитта резистором положительной обратной связи R5.Сдвоенный операционный усилитель LM2904P (LM358) генерирует импульсы треугольной формы,которые управляют частотой таймера TLC555CP : с выхода 7 второго оу треугольный сигнал через резистор R8 подаётся на пин 5 таймера TLC555CP , напряжение,подаваемое на 5 пин таймера ,управляет частотой генерации.Устройство генерирует импульсы с циклически изменяющейся частотой примерно от 19000 до 22000 Гц ,в качестве излучателя используется т.н. "индуктор"- обыкновенная катушка большого диаметра и с большим количеством витков ,подобно катушке, используемой в "Алмаге" .Резистор R8 определяет величину диапазона изменения частоты,резистор R7 задаёт "центральную" (среднюю) частоту.Буду благодарен за помощь и подсказки в построении генератора.

|
|
|
zdr2d2
|
|
БЕЗЫМЯННЫЙ
Бегущий по граблям
Сообщения: 7608
|
| да я и с малваром туда не полезу |
|
groks
Завсегдатай
Сообщения: 393
|
zdr2d2, Со схемой понятно, сейчас если не на Ардуине, то хоть пару ИМС впендюоить надо. Хотя без V7 не то уже.
А результаты то как? Гибнут вирусы? Мощность устройства будет определяться диодами моста, мощностью фета и возможностями катушки. Так что в принципе можно и яйца жарить. Не сильно полезное устройство. Катушка не интересует вообще, в данном случае всё равно, какая она будет.
Ну так что - вирусы мрут?
В статье-источнике хомут - гетеродинного эффекта для света нет. |
|
n max
Модератор
Сообщения: 17604
|
Строчную развёртку от элт телека проще приспособить.Мощи там хватит.Только частоту нужную выставить.Потом оску на голову и вперед на борьбу с вирусом.
В место лампы можно юзать современные светодиоды они смогут моргать с такой частотой.Или лампы подсветки от жки панелей те точно смогут.
На те времена просто не было излучателя моргающего на такой частоте,вот и использовали то что было доступно |
|
groks
Завсегдатай
Сообщения: 393
|
| n max, ОСка будет экранировать. А моргать зачем? Мы же увидеть вирусов не хотим - ну их нафиг, страшные они. Но зато так можно сделать устройство для того, чтоб загипнотизировать вирусов. Была в начале 80х реальная конструкция - моргала и гудела и пациенты засыпали. |
|
n max
Модератор
Сообщения: 17604
|
В рисунке в первом посте там вообще рентгеновская трубка нарисована и она должна моргать с высокой частотой.Тут х.з.как себя вирус поведёт,но хозяин может запросто кеды за иконы спрятать от такой дозы рентгена.
Оску на голову чтоб мозги на место встали,хотя наверное не поможет  |
|
groks
Завсегдатай
Сообщения: 393
|
| n max, Тогда лучше всем кинескопом. А V7 с другой стороны воткнуть. |
|
|
zdr2d2
|
|
groks
Завсегдатай
Сообщения: 393
|
zdr2d2, Почему модуляция именно такая? Почему заполнение такое?
Хватит пудрить мозги. Если бы всё было так просто, то уже ни одного микроба бы не осталось. |
|
БЕЗЫМЯННЫЙ
Бегущий по граблям
Сообщения: 7608
|
| groks, в 80х годах была у нас в городе группа студентов энтузазистов нетрадиционной медицины в части электромагнитной модуляции чего то там. Закончилось все это печально, один энтузазист в реанимации и в дальнейшем до самой смерти инвалид, остальные под следствием и по окончании его двое поехали недалеко но на долго, один там и сгинул вскорости. А всего то катушкой какой то на голову простудившегося человека воздействовали. Ни одного минимально грамотного медика в той группе не было. |
|
|
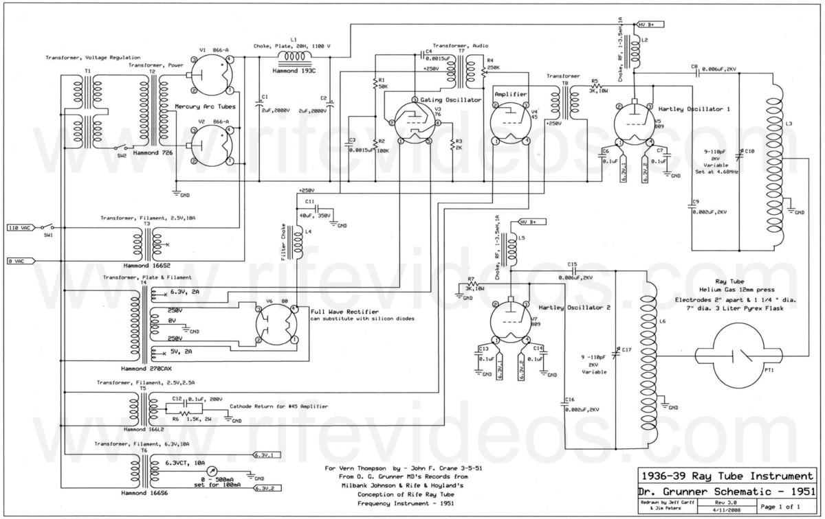
zdr2d2
|
| groks писал: | zdr2d2, Почему модуляция именно такая? Почему заполнение такое?
Хватит пудрить мозги. Если бы всё было так просто, то уже ни одного микроба бы не осталось. |
Схема генератора (на микросхемах) напоминает схему строчной развёртки кинескопного телевизора,где строчный транзистор открывается прямоугольным импульсом через тмс , строчные катушки вместе с демпфирующим конденсатором образуют колебательный контур,поэтому ток через строчные катушки имеет форму,напоминающую синусоиду.
ДОБАВЛЕНО 12/04/2019 18:50
Нашёл на форумах сайтов схему самого последнего генератора Райфа на лампах
http://www.mindmachine.ru/forum/
http://biorezonans.3bb.ru/viewtopic.php?id=109
imgonline-com-ua-Resize-qT7qUC1LDtR.jpg 190.57 КБ Скачано: 748 раз(а)
imgonline-com-ua-Resize-2fIkHJXUb3ka1fMH.jpg 120.67 КБ Скачано: 654 раз(а)
|
|
БЕЗЫМЯННЫЙ
Бегущий по граблям
Сообщения: 7608
|
zdr2d2, вы хоть раз видели форму импульсов строчной развертки? Да, она местами синусоиду напоминает.  |
|
sofrina
Модератор
Сообщения: 4833
|
| zdr2d2, особо не интересовался-почему если есть польза от девайса и до сих пор нет патента на изобретение и тем более в открытом доступе? Может для подтверждения теории Дарвина самые глупые и бесполезные особи повторят девайс с пользой в минус один испытатель? |
|