| Автор | Сообщение |
|
Alexasha
|
|
goga_tv
Фанат форума
Сообщения: 4857
|
Alexasha, ты себе домой собрать решил? Но это только исполнительное у-во, еще дизель-генератор нужен  |
|
|
Alexasha
|
| goga_tv писал: | | ты себе домой собрать решил? |
Собрал, тестирую | goga_tv писал: | | еще дизель-генератор нужен | Зачем? Тож защита  |
|
goga_tv
Фанат форума
Сообщения: 4857
|
Alexasha, Так для бесперебойного питания
А что, сварку соседи в резекку включают? |
|
|
Alexasha
|
| goga_tv писал: | | А что, сварку соседи в резекку включают? |
Да было пару прецедентов повышенного напряжения. Да и вообще на хэнд-мэйд потянуло с Нового Года начиная Больше для баловства, чем от острой нужды. |
|
|
Виталий-1
|
Добрый вечер уважаемый автор.
Собрал Ваше
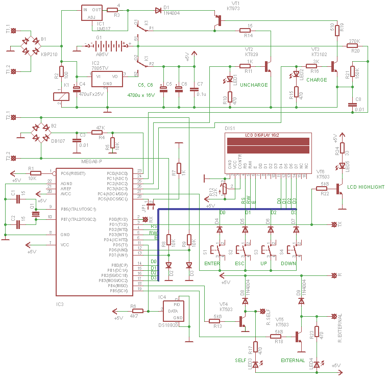
Устройство защиты квартиры от перепадов сетевого напряжения
но не как не могу заставить его работать. Генератор работает. На индикаторе нет изображения. Перепробовал кучу разных прошивок в том числе и размещенную здесь. Может есть какая то особенность запуска. Очень хотелось бы его сделать. Я его сделал в 2011 г. Будьте так добры Не откажите С уважением, Виталий |
|
RomanRB
Модератор
Сообщения: 31842
|
Виталий-1, Автор вот тут сидит.
http://arv.radioliga.com/content/view/165/44/
Давно это было, но навскидку: Там с прошивкой небольшой БАГ был по EPROM-у. Его нужно было обнулить. Т.е. везде 00.
Автор вроде как исправил. Но на включение никак не влияет, просто крокозябли по индюку....
И в параллель контактам кнопку запуска, если аккум сядет....
А так проблем не было, запустился сразу.
ДОБАВЛЕНО 11/12/2015 20:33
Ага, фиг там!!! Домашней страницы нет....  |
|
Rom-Zecs
Передовик
Сообщения: 2900
|
|
|
Виталий-1
|
|
toto
Фанат форума
Сообщения: 3286
|
Alexasha,
кучка варисторов не дешевле выйдет? есть положительный опыт по превышению. |
|
|
Виталий-1
|
| Нет, я все же хочу это ус - во заставить заработать. |
|
RomanRB
Модератор
Сообщения: 31842
|
Виталий-1, Его с мая месяца тут нет... Тебе легче до автора этого устройства достучаться.
У меня это устройство работает. В чём проблема? Как ты его запускаешь? Схему полностью собрал? Или только МК с обвязкой? |
|
|
Виталий-1
|
Схема собрана полностью. На индикаторе нет никакого изображения Перепробовал кучу разных прошивок Все примененное выше немного выложил. До автора не мог достучаться Стучал во все двери | RomanRB писал: | Виталий-1, Его с мая месяца тут нет... Тебе легче до автора этого устройства достучаться.
У меня это устройство работает. В чём проблема? Как ты его запускаешь? Схему полностью собрал? Или только МК с обвязкой? |
|
|
RomanRB
Модератор
Сообщения: 31842
|
| Виталий-1, Фьюзы у тебя точно инверсные? |
|
|
Виталий-1
|
| RomanRB писал: | | Виталий-1, Фьюзы у тебя точно инверсные? | фюзы Pony Prog
ДОБАВЛЕНО 12/12/2015 17:47
| Виталий-1 писал: | | RomanRB писал: | | Виталий-1, Фьюзы у тебя точно инверсные? | фюзы Pony Prog | LOW=0xff HIGH=0x87
ДОБАВЛЕНО 12/12/2015 17:51
Если у меня не правильно. То можно скрин фузов для любого программатора. |
|
RomanRB
Модератор
Сообщения: 31842
|
Вот фьюзы для PonyProg2000:
Фьюзы высокочастотного кварца:
СKSEL3-CKSEL0=1111
CKOPT=0
SUT1=0
SUT0=1
Фьюз сторожевого таймера:
WDTON=1
p.s. Так как я программировал в AVRDUDE-фьюзы у меня инверсные.
И не в коем случае не трогайте фьюзы RSTDISBL и SPIEN, если их изменить то контроллер уйдет в ступор, и "поднять" его можно будет только с помощью параллельного программатора. Если такой программатор имеется-Ваше счастье. Если нет-прямая дорога в магазин за новой Мегой.
Последняя прошивка от автора. (кварц на 11.0592 МГц)
PowerDefender.rar 8.43 КБ Скачано: 313 раз(а)
|
|
|
Виталий-1
|
Благодарю сейчас попробую
ДОБАВЛЕНО 12/12/2015 19:12
| Виталий-1 писал: | | Благодарю сейчас попробую | По прежнему на индикаторе нет ничего. Прилагаю Fuzes. Может индикатор не тот. Да у меня есть Fuzes Doctor. Индикатор 100% рабочий проверен в другом приборе "Тестер стабилитронов на меге 8" Где-то упоминалось говорилось о внесении изменений.в EPROM

|
|
RomanRB
Модератор
Сообщения: 31842
|
Виталий-1, Так.... Давай начнём с аппаратной части.
Схема собрана полностью? Т.е. подключил через транс с двумя обмотками? Аккум поставил? Что на ногах 9, 10 МК? Reset подтянут к +5в? JP1 убран?
Что за индюк? |
|
|
Виталий-1
|
Схем собрана полностью за исключением питания +5V подано напрямую Индикатор прилагаю. Аккумулятор не подключен JP1 убран на 9 и 10 н генерация кваца| RomanRB писал: | Виталий-1, Так.... Давай начнём с аппаратной части.
Схема собрана полностью? Т.е. подключил через транс с двумя обмотками? Аккум поставил? Что на ногах 9, 10 МК? Reset подтянут к +5в? JP1 убран?
Что за индюк? |
Indicator WH1602D-YGH-CTK.rar 357.45 КБ Скачано: 321 раз(а)
|
|
RomanRB
Модератор
Сообщения: 31842
|
| Виталий-1, Питание +5в. куда именно подаёшь? Укажи прямо на схеме? |
|