ESpec - мир электроники для профессионалов


Регулятор яркости света фар в автомобиле

  Список форумов » Мастерская Самоделкина
На страницу 1, 2  След.
Следующая тема · Предыдущая тема
АвторСообщение
mjntana 
Завсегдатай
Сообщения: 587
mjntana
 
Сообщение #1 От 03/10/2013 16:43 цитата  

С 1 октября всех автолюбителей заставили ездить с включеными фарами. Никого не колышет повышеный расход бензина и перегоревшие лампочки. Поэтому решил поставить регулятор для света от 50% до макс.Может у кого есть идеи.
n max 
Модератор
<B>Модератор</B>
Сообщения: 17598
 
Сообщение #2 От 03/10/2013 16:49 цитата  

Пару ярких светодиодов и не надо ничего мудрить
mjntana 
Завсегдатай
Сообщения: 587
mjntana
 
Сообщение #3 От 03/10/2013 17:02 цитата  

Светодиоды тоже нужно как то в фару втиснуть,гдето крепить.Может вы делали ,опишите что и как.
n max 
Модератор
<B>Модератор</B>
Сообщения: 17598
 
Сообщение #4 От 03/10/2013 17:07 цитата  

Внутри фары ставятся чип светодиоды на термоскотч или теплостойкий герметик+маленькая дырочка в отражателе для вывода + питания который подвести к замку зажигания-тпа повернул ключ и они загорелись
mjntana 
Завсегдатай
Сообщения: 587
mjntana
 
Сообщение #5 От 03/10/2013 17:12 цитата  

Типа ходовые огни? В принципе согласен.Ну а какие нужно ставить светодиоды? ведь нужно чтобы приблизительно соответствовали свету фар.
n max 
Модератор
<B>Модератор</B>
Сообщения: 17598
 
Сообщение #6 От 03/10/2013 17:14 цитата  

желтые или белые все от ламп в фаре зависит,зато потребление тока отличается на один-два порядка по сравнению с лампами,да и надёжность получше
mjntana 
Завсегдатай
Сообщения: 587
mjntana
 
Сообщение #7 От 03/10/2013 17:17 цитата  

Я не про цвет ,а про параметры.напряжение ,мощность.
мастер-ломастер 
Модератор
<B>Модератор</B>
Сообщения: 9972
 
Сообщение #8 От 03/10/2013 17:22 цитата  

mjntana, светодиоды уже продаются на липкой ленте, отрезал скоко надо и приклеил, есть и на 12в, на 5в,и т. д. Мощность и яркость тоже можно выбрать.
n max 
Модератор
<B>Модератор</B>
Сообщения: 17598
 
Сообщение #9 От 03/10/2013 17:27 цитата  

Я брал диоды из фотовспышек мобильных телефонов(благо этого хлама ведро)запитывал их через стабилизатор тока на транзисторе.Диоды лучше брать осветительные с током около 100милиампер,напряжение одного светодиода обычно 3 вольта посему я соединял по 3 последовательно лишнюю напругу гасил стабилизатор тока
mjntana 
Завсегдатай
Сообщения: 587
mjntana
 
Сообщение #10 От 03/10/2013 17:28 цитата  

Говорим о том чтобы вставить их в блок фару.она не разбирается,приклеить ленту не получится.

ДОБАВЛЕНО 03/10/2013 18:49

Ходил в гараж смотрел блок-фары на предмет установки светодиодов.Мороки будет немерено.Снять фару(иначе не доберешся до отражателя)разобрать корпус потом сверлить клеить и т.д. Но чтобы снять фару,еще нужно снять решотку радиатора,трубу воздушного фильтра,короче разобрать пол машины. улыбка Все таки склоняюсь к мысли о регуляторе .Возможно ШИМ на тл494 и к нему ключик помощней.

ДОБАВЛЕНО 03/10/2013 18:52

Заодно при минимуме на регуляторе лампа будет включатся в пол накала ,что продлит ей жизнь.ибо сгорают лампы как правило при включении.
n max 
Модератор
<B>Модератор</B>
Сообщения: 17598
 
Сообщение #11 От 03/10/2013 18:03 цитата  

Потребляемый ток будет большой в этом случаи,что нагрузит генератор и соответственно двигатель.Если хотите плавный запуск ламп,то для этого можно применить резик и ключ который замыкает резик через несколько секунд-этого будет достаточно.В качестве ключа можно применить реле или полевик
mjntana 
Завсегдатай
Сообщения: 587
mjntana
 
Сообщение #12 От 03/10/2013 18:08 цитата  

Ток потребления шим регулятора не более 120мкА.Кто будет грузить генератор?
toto 
Фанат форума
Сообщения: 3316
toto
 
Сообщение #13 От 03/10/2013 18:11 цитата  

mjntana,
пару релюх и скоммутировать их последовательно, управление взять с габаритов:-)
а так - дневные ходовые огни, и эта... светодиоды греются шописец, и нагреву не любят.
mjntana 
Завсегдатай
Сообщения: 587
mjntana
 
Сообщение #14 От 03/10/2013 18:12 цитата  

Вот думаю такую взять схемку .А к ней пока не решил.То ли мощный тиристор искать то ли взять транзистор как ключ. Не знаю что будет лучше работать

  TL494 регулятор.gif  23.68 КБ  Скачано: 827 раз(а)
toto 
Фанат форума
Сообщения: 3316
toto
 
Сообщение #15 От 03/10/2013 18:20 цитата  

mjntana писал:
Ток потребления шим регулятора не более 120мкА.Кто будет грузить генератор?

лампа в полнакала жрёт почти такой же ток, что и в полный накал. на них раньше стабилизаторы тока делали - бареттер.
mjntana 
Завсегдатай
Сообщения: 587
mjntana
 
Сообщение #16 От 03/10/2013 18:25 цитата  

toto писал:
?

лампа в полнакала жрёт почти такой же ток, что и в полный накал. на них раньше стабилизаторы тока делали - бареттер.[/quote]
То есть сколько бы тока я на лампу не дал ,жрать она все равно будет свои 75 ват? Что здесь не так.
Kolupalkin 
Завсегдатай
Сообщения: 914
 
Сообщение #17 От 03/10/2013 18:52 цитата  

mjntana,
Схем шим регуляторов -море!
Самое простое на 555 таймере ,например такой

  REG.rar  66.84 КБ  Скачано: 756 раз(а)
mjntana 
Завсегдатай
Сообщения: 587
mjntana
 
Сообщение #18 От 03/10/2013 19:07 цитата  

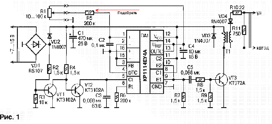
А выдержит ключик в этой схеме 75+75 =150 ват ? Да не в шиме дело ,сам регулятор у меня даже готовый есть (схему прилагаю) какой с ним ключ использовать вот вопрос.

  001_979.jpg  55.22 КБ  Скачано: 954 раз(а)
n max 
Модератор
<B>Модератор</B>
Сообщения: 17598
 
Сообщение #19 От 03/10/2013 19:15 цитата  

мосфет ампер на 100-150 напряжение 20-30 вольт можно параллелить транзисторы с меньшим током например с материнок которые стоят по питанию проца
mjntana 
Завсегдатай
Сообщения: 587
mjntana
 
Сообщение #20 От 03/10/2013 19:19 цитата  

а IGBT не пойдет ? есть 2шт.50А. 600в. Мосфет вряд ли найду ,разве что специально выписывать.

Перейти: 
Следующая тема · Предыдущая тема
На страницу 1, 2  След.
Показать/скрыть Ваши права в разделе

Интересное от ESpec


Другие темы раздела Мастерская Самоделкина



Rambler's Top100 Рейтинг@Mail.ru liveinternet.ru