| Автор | Сообщение |
|
pav736
|
| Идет бесконечная последовательность прямоугольных импульсов.Амплитуда 4 вольта,длительность 10 мксек,расстояние между импульсами порядка 1 минуты.Нагрузка устройства порядка 50 ма.Нужно 'пропустить' два импульса из трех. То есть на входе 111111111 ,на выходе 1001001001 . Понимаю,что нужно собрать на триггерах или счетчиках типа к176тм2 или к155ие5, но господина Шило уже подзабыл :rolleyes: .Пихните,пожалуйста,в нужном направлении. |
|
|
Анатолий66
|
| Проще на сдвиговом регистре наверное. |
|
kapral_82
Завсегдатай
Сообщения: 440
|
| Боюсь тут просто счетчиком или регистром не обойтись,нужно ведь сохранить длину импульса,а регистр и счетчик помнят |
|
|
pav736
|
Длина импульса роли не играет.Подключен малоточный шаговый двигатель.На входе щелк,щелк,щелк, а нужно щелк,тишина,тишина .Проблема в том,что двигатель подключен напрямую к контроллеру,и схему нужно разработать не относительно корпуса.Подсказали на К561ие8,сейчас разбираюсь. |
|
|
Jon Braun
|
| Может надо просто поделить на три, тогда подойдёт 155ие2. |
|
|
pav736
|
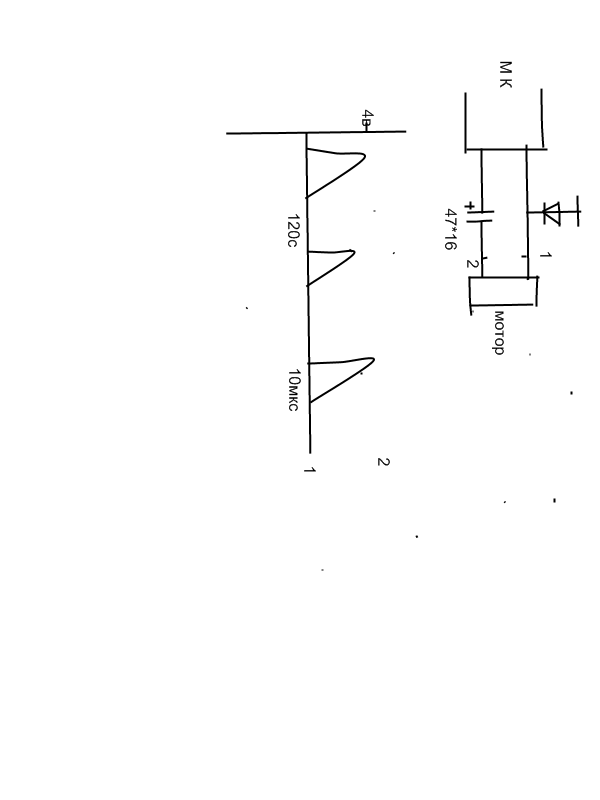
Дико извиняюсь за схему,вылетела программа.
1.png 7.84 КБ Скачано: 2409 раз(а)
|
|
serega-64
Старший модератор
Сообщения: 10180
|
pav736, думаю,что делитель на три пойдет и ИЕ8 тоже и сброс на нее брать с 4 выхода(не вывода)делал похожую примочку,тока для других целей,жаль схемка на работе,так,нашел справочник,записывай,на ИЕ8,14-вх.,13-земля,выход-3,10 соеденить с 15 и усе,питалово +16,-8.Дерзай!
ДОБАВЛЕНО 13/02/2011 22:54
pav736, тебе тогда,как я по фрагменту понял,для ИЕ8 перед вх. надо с помощью ТЛки импульс сформировать,иначе ИЕ8 не пойметче ей подали.561ТЛ1 аналог CD4093. |
|
-20 dB
Фанат форума
Сообщения: 7674
|
pav736, эт я вовремя страничку обновил, а то уже начал схемку на 561ИЕ10 рисовать... Похоже, смысла нет, ибо в свете схемки подключения девайса и ответа перед ней (о назначении) пара вопросов возникла...
А "щёлк-щёлк - тишина" программно не получается? Я там вроде магические буквы МК вижу.
И потом - разве шаговому двухпроводному (однофазному) двигателю требуются импульсы только одной полярности? Шаг таких двигателей, как правило - смена ПОЛЯРНОСТИ приложенного напряжения, и, таки, алгоритм управления движком всё равно полностью переписывать нуно.
Кстати, при подключении однофазного шагового к двум выходам МК эта возможность реализуема, но выходы должны поочерёдно переключаться в осотоянии лог.1. Кстати, и целесообразность применения полярного конденсатора на таком "синтезированном" переменном напряжении сильно сомневает. И зачем, если короткие импульсы на выходах МК тоже можно сформировать программно? |
|
Мелиор
Старший модератор
Сообщения: 35653
|
| pav736 писал: | | на входе 111111111 ,на выходе 1001001001 | не так. Правильно будет
1010101010101 на входе
1000100010001 на выходе |
|
-20 dB
Фанат форума
Сообщения: 7674
|
Мелиор, для вращения двигателя ему вообще требуется последовательность сигналов на ОБОИХ выходах:
Вых А: 00010001000100010001000...
Вых В: 01000100010001000100010...
Таким образом, если ему требуется изменить алгоритм на "щёлк-щёлк-тишина", последовательности приобретут вид:
Вых А: 00010001000000010001000...
Вых В: 01000000010001000000010...
Ну, где-то так. И почему мну кажется, что это курсовая работа? Мнительность, что ли? Или не мне одному так кажется?
ДОБАВЛЕНО 14/02/2011 3:13 AM
Гы... И даже я не прав. Ибо шага, следующего после пропущенного, ТОЖЕ не будет! Бо нет смены полярности... Забавная задачка. Ща репу потру, как оно дОлжно бысть. |
|
Мелиор
Старший модератор
Сообщения: 35653
|
А я пока выложу кое-что
ДОБАВЛЕНО 14/02/2011 01:34
Вот я тут накалякал. Направление такое, а подробности не сегодня. Уже засыпаю






2-3-219.preview.jpg 36.2 КБ Скачано: 2309 раз(а)
|
|
-20 dB
Фанат форума
Сообщения: 7674
|
Мелиор, этого мало - если шаговый двигатель - действительно шаговый, а не электромагнитно-храповиковый (впрочем, для ЭХ не нужно было бы дифференциальное подключение МЕЖДУ выводами МК, достаточно было бы одного выхода... Поэтому, клонит мну к первой версии), автору нужно весьма изрядно преобразовать ОБЕ последовательности на выходах. Я тута помыслил, и родил:
на выходах МК (есть):
А: 00010001000100010...
В: 01000100010001000...
на двигателе (надо):
А: 00010000010000010...
В: 01000001000001000...
Причём, не выделенные жирным периоды нужны исключительно для формирования коротких импульсов (вместо конденсатора) Они могут иметь произвольное время, и вид 1+1 вместо нарисованных 0+0 (движку это абсолютно по барабану - дифференциальное напряжение на нём всё равно будет равно нулю. При формировании КИ внешними цепями эти такты в принципе можно вообще пропустить). И тогда:
на выходах МК (есть):
А: 01010101...
В: 10101010...
на двигателе (надо):
А: 01001001...
В: 10010010...
Теперь куда как лучше видно, что ПРОСТЫМ пропуском третьего импульса тут и близко не пахнет! Тут надо ДВА полноценных синхронизированных делителя на... полтора? |
|
goga_tv
Фанат форума
Сообщения: 4857
|
-20 dB,| Цитата: | | Тут надо ДВА полноценных синхронизированных делителя на... полтора? |
Ну ты замутил Хотя автор топика такого ТЗ не ставил, чувствую что твои измышления в правильную сторону!
-20 dB - молодец! (если , конечно , не перебдел ) |
|
-20 dB
Фанат форума
Сообщения: 7674
|
Пожалуй, выйду-ка я пока из темки... Просто ощущение, что мы делаем чью-то курсовую, у меня СИЛЬНО усилилось. И так половину уже подсказали... В противном случае автор давно бы уже плюнул на такие аппаратные "идеи", которые можно запросто решить программными средствами, вместо того, чтобы городить хитровывернутый аппаратный преобразователь. И даже ФКИ на конденсаторе - знакомое "студенческое" решение.
pav736, ЗАРЕЖУТ твой прожект за этот конденсатор. Точно-точно. Я б зарезал. Ибо полярный конденсатор не должен работать при встречном напряжении, а принцип работы двуполярного шагового двигателя, похоже, ты не усвоил. Иначе бы не лепил делитель на ОДИН выход. Задачка на засыпку... была, блин. Наполовину и так отучили ребёнка головой работать - алгоритм управления ШД для пропуска шага подсказали, что использовать и делить надо сигнал на обоих выходах - тоже, и даже "подводный камушек" я уже подсказал. И какой специалист выучится на чужих подсказках? А идеи есть... И именно аппаратные, бо я не программист. Правда, пока сырые, но... фсёрафно ф топку!
ДОБАВЛЕНО 14/02/2011 4:14 AM
goga_tv, так я ж и говорю - это СИЛЬНО напоминает институтскую задачу на засыпку! Потому автор такую задачу и не ставил - он ПОНЯТЬ не мог, где тут подвох! Потому и сформулировал задачу так, как понял её сам, и не догадался привести задачу в том виде, в котором она была сформулирована в задании (и правильноо. потому что первым же вопросом в таком случае было бы "а зачем?"... а практического смысла теоретическая задача не имеет). Кстати, по изначально заявленному автором ТЗ у меня схема уже нарисовалась - один счётчик из 561ИЕ10, и одна 561ЛА7... Хотя, не успел разобраться с инверсиями (не нужно стало, в свете уточнённого ТЗ) - возможно, вместо ЛА7 пришлось бы ставить ЛЕ5.
Мы и так половину задачи уже разжевали. Пусть теперь хоть схему сам нарисует (ЗАДАЧА РЕШАЕМА! причём, в духе всех институтских задач на засыпку - сравнительно малой кровью). ИМХО, себе же коллегу, а то и начальника готовим - на чужих мозгах в рай, и в раю тоже головой не надо думать, если негры с головами есть...
ДОБАВЛЕНО 14/02/2011 4:25 AM
| goga_tv писал: | -20 dB - молодец! (если , конечно , не перебдел ) |
Спс. Не перебдел, если, конечно это полноценный ШД, а не электромагнит с храповиком. Во втором случае задача не стоила бы выеденного яйца, но электромагниту НЕ НУЖНО дифференциальное включение... а оно - есть! |
|
|
pav736
|
Накидали много,большое спасибо.Всю ночь сидел с аппаратом,спалил две микросхемы.Сейчас читаю ваши сообщения,перевариваю.
Институт закончил 20 лет назад.Всю жизнь занимаюсь практическим ремонтом,теорию подзабыл.
Нужно срочно на завод собрать такую схему,доработать немцев.Взял сегодня за свой счет,набрал у ребят логики,разбираюсь. |
|
-20 dB
Фанат форума
Сообщения: 7674
|
| pav736, и что, это НЕМЦЫ применили полярный электролитик в качестве формирователя коротких импульсов на дифференциальном выходе? Решили отомстить за 1945, поставив мину замедленного действия? Или там уже поработали отечественные ручки, или таки в кроке схемы подключения ошибка? |
|
Мелиор
Старший модератор
Сообщения: 35653
|
| pav736 писал: | | Идет бесконечная последовательность прямоугольных импульсов...Нужно 'пропустить' два импульса из трех | А третий импульс случайно не надо, чтоб "налево" шел?
Рома, мне это больше напоминает не курсовую, а попытку наших кулибиных сэкономить чего-то (хотя бы импульсы ) там, где немцы не экономят |
|
|
pav736
|
| В принципе схему я разработал.Сильно помогли ребята с другого форума.Сейчас отдал на завод,на обкатку.На выходные заберу,отлажу.Всем спасибо за помощь. |
|
-20 dB
Фанат форума
Сообщения: 7674
|
pav736, на "другом форуме" Немцов абсолютно верно написал - при дифференциальном включении нагрузки (тем более - полярночувствительной) к обоим выходам, нужна картина по обоим выходам! А мне сдаётся, что на втором выходе - та же картина, только сдвинутая по фазе на полпериода (я несколькими постами выше предполагаемую "эпюру", или "таблицу истинности" в нулях и единичках для обоих выходов МК выкладывал). И если я и Немцов правы, то схема от Soundoverlord с Паяльника (Схем.Нет) работать тоже не будет. Тем более, что в схеме Soundoverlord с гальванической развязкой при подключении к выходу оптрона на двигатель вообще не подаётся напряжение питания.
 |
|
|
Jon Braun
|
pav736 фото мотора покажи если не секрет, похоже он напоминает счётчик.  |
|

|