| Автор | Сообщение |
Krievs
Завсегдатай
Сообщения: 327
|
|
|
andreyals76
|
Подскажите плс. где в Украине(харькове) можно купить трубки с нихромовой спиралью (нижний подогрев)
и какой нагревательный элемент в термопро который с двумя алюминивыми листами? что находится под листами? |
|
sofrina
Модератор
Сообщения: 4833
|
|
Krievs
Завсегдатай
Сообщения: 327
|
Он хотел именно кварц.Ну да ладно,там же и кварц есть.
Меня вот заинтересовало,чем у вас залиты края трубок?Уж не силикатный ли клей?Я тож им пробовал,но так и не получилось что б не "вспенился" после нагрева.Хотя после вроде ОК.Мож какая "хитрая" технология сушки есть?
ЗЫ:Я сушил зимой около месяца на батарее
ЗЫ2:Еще пробовал пропитывать асбестовую нить смесью клея с водой 70/30-сушил 2 дня,после досушивал при 80-100°C.Без проблем выдерживает пламя газовой горелки.
*с пропорциями могу и ошибиться(давно было)но желающие найдут инфу в нете без проблем-сам когда-то там вычитал. |
|
sofrina
Модератор
Сообщения: 4833
|
| Krievs, жидкое стекло+тальк , сушка при 150 грд в течении 30 мин и после 300 грд в течении получаса в электродуховке, после в сборке прогон при номинальном папряжении в течении 15 мин |
|
Krievs
Завсегдатай
Сообщения: 327
|
| sofrina писал: | | Krievs, жидкое стекло+тальк , сушка при 150 грд в течении 30 мин и после 300 грд в течении получаса в электродуховке, после в сборке прогон при номинальном папряжении в течении 15 мин | Вот спасибо так спасибо !Обязательно испытаю-про тальк я и не читал нигде...хотя.. может и невнимательно тогда смотрел разные способы.
*кстати,по нагревателю(тот,который в "бусиках")-ИМХО,та ж самая керамика получится,только вообще с неизвестным спектром... |
|
sofrina
Модератор
Сообщения: 4833
|
| там выше опечатка, первая сушка -15 мин, вторая 30, термопрогон -как есть и самое главное- тальк=детская присыпка,только без ароматизаторов, иначе при нагреве енти самые ароматизаторы дадут атаку ипритом и фосгеном |
|
|
sash1234
|
andreyals76, Подскажите плс. где в Украине(харькове) можно купить трубки с нихромовой спиралью (нижний подогрев
брал трубки в електронорме в донецке, www.electro-norma.com.ua трубки кварцевые sanal они со спиралями, к ним есть и керамические изоляторы. |
|
|
SP-in
|
| sofrina писал: | | Krievs, жидкое стекло+тальк ... |
Помнится ещё решение было:
| Morlock писал: | ...
_______
Кстати - столкнулся с болтанкой самих трубок в держателе. Ну не всё идеально. Так вот - решил вопрос с помощью высокотемпературного герметика для печей.
Запихал в изоляторы и всунул трубки. Так же этим же способом закрепил сами изоляторы в держателях. Так что сейчас всё намертво, но при этом температурное расширение учитывается - герметик то пластичный! ... |
Когда битый ТЭН один из шести прислали, пришлось купить герметик для печей (310ml=154руб.), только он не пластичный, жидкое стекло и присадки разные, воду не любит, сохнет быстро, может, его использую в своём ВИ (помня про расширение тепловое)...
P.S.: Десктоп DELL попилил, корыто под ТЭНы, тумблера да колодки закрепил, на днях алмазные диски на гравёр привезут - не вышло стеклорезом трубки резать - надо алмазный, а он колотый у меня - лишь царапает. Стоек дюралевых не нашел - нарезал шпилек, медленно, но ваяю.
Твердотельному реле на 40А надо такой радиатор? Или от CPU кулер взять?
битый ТЭН.jpg 74.8 КБ Скачано: 561 раз(а)
герметик.jpg 43.17 КБ Скачано: 525 раз(а)
|
|
sofrina
Модератор
Сообщения: 4833
|
| для верха трубки резал стеклорезом, тот что неалмазный-режет великолепно, для низа резать не пришлось-трубки ТЭН-ов легли на всю длину |
|
|
SP-in
|
простым только поколоть вышло у меня - пробовал и обычный и масляный, алмазный - даже без нажима царапает, но широко, а не глубоко (сколот алмаз - уронили) , видимо, нет сноровки у мну, а тут диски эти дешево... |
|
|
Andy52280
|
Твердотелке на 40А радиатор, пожалуй, вообще не нужен.
А насчет герметика - нужно убедиться, что он не электропроводный. А то я попытался использовать герметик для выхлопных коллекторов авто. Там, похоже, смесь из цемента, силикатного клея и металлических опилок. На глушак-то намазать годится, а вот с электричеством - никак. В этот-то герметик, надеюсь, производители не додумались графита нахреначить? |
|
sofrina
Модератор
Сообщения: 4833
|
| Andy52280 писал: | Твердотелке на 40А радиатор, пожалуй, вообще не нужен.
А насчет герметика - нужно убедиться, что он не электропроводный. А то я попытался использовать герметик для выхлопных коллекторов авто. Там, похоже, смесь из цемента, силикатного клея и металлических опилок. На глушак-то намазать годится, а вот с электричеством - никак. В это-то, надеюсь, производители не додумались графита нахреначить? |
на 1200 градусов? При такой заявленной температуре весь графито-металлический наполнитель должен перейти в высокопоху..стическое состояние в виде оксидов и шлаков |
|
Krievs
Завсегдатай
Сообщения: 327
|
| sofrina писал: | | на 1200 градусов? При такой заявленной температуре весь графито-металлический наполнитель должен перейти в высокопоху..стическое состояние в виде оксидов и шлаков | Подведем итоги?Нужен эластичный герметик-используем герметик каминных стекол.Нужен затвердевающий-используем силикатный клей с тальком по методу sofrina.
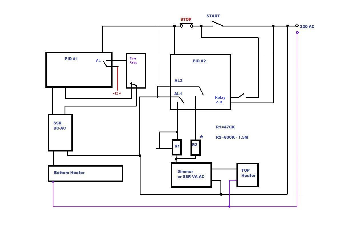
Вырисовалась окончательная(полагаю )схема управления паялкой с добавленным шагом паузы на температурное выравнивание платы на этапе преднагрева.Если не совсем понятно-распишу подробно.
*вся схема опробована на имеющейся паялке и работает прекрасно.
Управление 2 ПИД_V5.0.JPG 83.64 КБ Скачано: 734 раз(а)
|
|
|
sash1234
|
| Krievs, какое время задержки для выравнивания температуры платы? Какая схема или где покупали реле времени? |
|
Krievs
Завсегдатай
Сообщения: 327
|
|
|
SP-in
|
Krievs, могут диммеры бракованные быть ? - у меня три разные (с динистором и симистором, которые для люстр) не позволяют держать напругу на спирали или на ИК-лампе - свечение становится ярче и ярче с течением времени, хоть и не до полной яркости (даже моё "доброе тепло" себя также ведет)... Радиаторы ставил, симисторы заменял на BT136-600E, нагрузка 250...650Вт. Может эта схема стабильнее будет (оптотиристоры имеются):

|
|
|
Andy52280
|
|
Krievs
Завсегдатай
Сообщения: 327
|
| SP-in писал: | | Krievs, могут диммеры бракованные быть ? - у меня три разные (с динистором и симистором, которые для люстр) не позволяют держать напругу на спирали или на ИК-лампе - свечение становится ярче и ярче с течением времени, хоть и не до полной яркости (даже моё "доброе тепло" себя также ведет)... Радиаторы ставил, симисторы заменял на BT136-600E, нагрузка 250...650Вт. Может эта схема стабильнее будет (оптотиристоры имеются): | Andy52280уже вам ответил.А я брал готовые,не "текут":http://www.ebay.com/itm/140999016048?_trksid=p2059210.m2749.l2649&ssPageName=STRK%3AMEBIDX%3AIT |
|
|
SP-in
|
Да, забыл я про резистор. Не уследил, пробился симистор и будущий 650Вт ВИ сплавился за 2 часа...

|
|