| Автор | Сообщение |
|
alish333
|
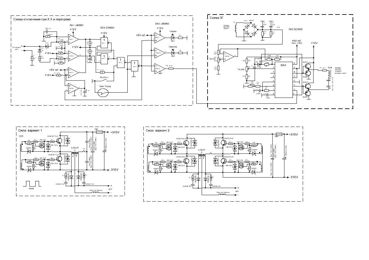
Предлагаю вниманию сварочник собранный по схемотехнике китайских и корейских инверторов. С немного доработанной силовой частью. Он отлично работает при просадке сети,имеет ОС по току,силовой блок при Х.Х. отключен( отсюда нет нагрева на ХХ, применен один комплект Ш28х20),спокойно отдает в дугу 200А,можно варить в среде с высокой влажностью.Идеей было сделать надежные и дешевые аппараты,который оправдали все ожидания. Любые замечания и предложения только приветствуются.
svar.rar 230.93 КБ Скачано: 1986 раз(а)
|
|
viktor_ramb
Сам себе начальник
Сообщения: 23835
|
Ну и что за расширение "spl7" - чисто узбекское? Неужели нельзя было переконвертировать файл в более популярный формат? |
|
|
alish333
|
Извеняюсь,это популярная немецкая програмка Splan называтся кто не знает Архив обновил |
|
viktor_ramb
Сам себе начальник
Сообщения: 23835
|
| alish333 писал: | Извеняюсь,это популярная немецкая програмка Splan называтся кто не знает  |
Да это мы в курсе, только не у всех она установлена, а поскольку искать и качать не всем хочеться и можется, то для того что бы отзывов было максимальное кол-во, неплохо было бы адаптировать для лучшей удобоваримости выложенной инфы |
|
mjntana
Завсегдатай
Сообщения: 587
|
| Ну шо тебе сказать? На мой взгляд ты прав в одном схема сложнее свинореза.Ав остальном даже не знаю .Это ж только часть схемы.и я бы не сказал что обойдется все это дешевле .Хотя идея с отключением наХХ чегото стоит надо посмотреть и может получится использовать. |
|
sofrina
Модератор
Сообщения: 4833
|
| alish333, можно и фото выложить, если аппарат уже собран, в какие габариты это все уместилось |
|
|
alish333
|
mjntana феррит ипользуется один, только в трансе, диоды EBU02 (кстати заводские использовались на 150вольт) дешевле,кондеры 1мкф х 400в достать проще чем 0,22 х 1000в. Если использовать до 120А можно ставить по одному ключу 50UD
ДОБАВЛЕНО 05/12/2012 21:36
| sofrina писал: | | alish333, можно и фото выложить, если аппарат уже собран, в какие габариты это все уместилось | На днях фотки выложу, печатку БУ тоже |
|
|
valerij 0549
|
Добрый вечер. Скажите что за микросхема стоит в Б У ДА3 ?Спасибо.
ДОБАВЛЕНО 05/12/2012 23:42
Добрый вечер. Скажите что за микросхема стоит в Б У ДА3 ?Спасибо. И можно ли посмотреть всю схему ? |
|
sofrina
Модератор
Сообщения: 4833
|
| опечатка там похоже, ШИМ-ка должна быть SG3525 |
|
Jorg63
Передовик
Сообщения: 1185
|
резистор с 1 ноги в цепи ОС 22 ком поднять надо до килоом 80-100,не надо большое усиление. работаю давно с данной микрой,некоторые экземпляры склонны к паразитному возбуду,и вследствие в самый неподходящий момент можете ключики потерять.
также не стоить затуплять скорость реакции петли ОС конденсаторы после мостика ТТ 2*22 нан чересчур.10000-15000 пик(10-15нан) само то. выброс тока КЗ будет не более 20 ампер.
я работаю с данной микрой и использую реализациию ОС в таком виде- проверено работа на ура
| WT-180S.png |
| Описание: |
|
| Размер файла: |
209.2 КБ |
| Просмотрено: |
2170 раз(а) |

|
|
|
|
alish333
|
Фото оригинала, с которого все началось. Вечером выложу то что собрали
NSAX-180.rar 1.42 МБ Скачано: 1248 раз(а)
|
|
Jorg63
Передовик
Сообщения: 1185
|
alish333!
Если бы Вы снимали сигнал с ТТ включенный как в предложенном вами аппарате,то есть дифтранс ТТ со вторички,то наличие такой большой емкости 2*22нан может и оправдано по причине "мусора" на выходе при сварке в сигнале с ТТ,чтобы не нарушать работу ОС. Полумост и так импульсный ток в 2 раза больше потребляет от источника 310 вольт + еще выброс тока КЗ брать им на грудь!!!!!Да и полумост точно на провальных сетях значит хуже работает.самый оптималь -это мостовой сварник. |
|
mjntana
Завсегдатай
Сообщения: 587
|
| Так а почему нельзя в этот сварочник мост вмастырить. |
|
|
alish333
|
Этот сварочник собирали и по мостовой схеме,работает без проблем
ДОБАВЛЕНО 06/12/2012 17:03
| Jorg63 писал: | alish333!
Если бы Вы снимали сигнал с ТТ включенный как в предложенном вами аппарате,то есть дифтранс ТТ со вторички,то наличие такой большой емкости 2*22нан может и оправдано по причине "мусора" на выходе при сварке в сигнале с ТТ,чтобы не нарушать работу ОС. Полумост и так импульсный ток в 2 раза больше потребляет от источника 310 вольт + еще выброс тока КЗ брать им на грудь!!!!!Да и полумост точно на провальных сетях значит хуже работает.самый оптималь -это мостовой сварник. | Ток в два раза больше проходит через ключи, а потребление с 310 вольт что в мосте что в полумосте- одинаковое
NSAX-180.GIF 29.36 КБ Скачано: 927 раз(а)
|
|
mjntana
Завсегдатай
Сообщения: 587
|
| Ну так шо,как говорил гуцул-"маю бажання та ще й натхнення" если есть печатки показывай ,будем пробовать ваять .Атам уже поглядим шо воно за козак. |
|
|
alish333
|
Печатка ЗГ первая,много перемычек,так что не ругайте Каждый может подкоректировать как ему надо. Со временем создадим окончательную.
Foto.rar 265.79 КБ Скачано: 1038 раз(а)
NSEX-180.rar 66.21 КБ Скачано: 936 раз(а)
|
|
|
temalecar
|
| alish333, Сколько примерно выходит себестоимость сварочника??? |
|
|
alish333
|
| temalecar писал: | | alish333, Сколько примерно выходит себестоимость сварочника??? | Мне все обошлось около 50у.е(радиатор и ферриты у меня имелись). А так вам лучше все посчитать исходя из стоимости деталей в вашем регионе(цены везде разные) |
|
|
alish333
|
| Jorg63 к вам вопрос, на выходе дроссель ставить лучше с сердечником или без сердечника? Просто в каких-то аппаратах стоит.Ваше мнение по этому поводу. |
|
mjntana
Завсегдатай
Сообщения: 587
|
| А есть печатка БУ ? И еще вопрос- БП нужен на 12 и на 5 вольт ? сколько ампер ? |
|