| Автор | Сообщение |
Vovak
Завсегдатай
Сообщения: 400
|
| AleksanderG писал: | | При слишкой мягкой ВАХ резонансника, при отсутствии обратных связей по току, (мое мнение), с резонансника не вытянуть больших токов, даже увеличивая мощность трансформатора и сечение обмоток соответственно. |
А каким боком ВАХ к мощности притуляется? И какая по вашему мнению максимально возможная мощность резонансника?  |
|
|
biema
|
!Minus, спасибо, все именно так как и сказали - межвитковое в ТГР! Перемотал с доп изоляцией - все ОК!
На выходных уже успел и пару транзисторов на тот свет отправить, причем не все понятно как это получилось:
1) на 12 В силового на нагрузке 0,2 Ом на выходе транса настроил резонанс (все как в теории - замыкаю вторичку накоротко и общий потребляемый ток падает, резонансная защита работает!)
2) подключаю силовую часть ч/з автомат 3А, на выход транса лампа 100Вт и поднимаю напряжение (понятно что о резонансе речь не идет)
3) на 200 В постоянки на ключах, вылетает диагональ транзисторов! На 180 В аппарат работал мин 10 и транзисторы за это время не нагрелись даже на 2 градуса, т.е. о тепловом пробое речь идти не может? При этом форма упр. сигнала идеальна и на К-Э тоже все красиво – без выбросов. Ломаю голову в чем дело: нагрузки то по большому счету не было (лампа 100Вт) и вылетела именно диагональ, допускаю что это сквозняк, т.к. заряженной конденсаторной батарей могло хватить для мгновенного пробоя, автомат на 3А не должен помочь в данной ситуации, надо было его ставить хотя бы на постоянку после емкости! Длительность мертвого времени 2 мкс, увеличу до 4-х |
|
|
yuri79
|
| Может детальки кака? Я свой первый собрал по инструции Скифа и Форуму, проблем нет. Второй и далее - так же: инструкция Скифа и инфа с форума. Сказка! Кто пробыбывал варить просят сделать им аппарат. Первенца делал на коленке, из приборов: китайский мультиметр и ослик ОМЛ-3(или как-то в этом духе), + не поскупился купил шунт и амперметр на 200А. Когда собирал второй аппарат запарился с дросселем- итог 2 диода в утиль. репу почесал и собрал Прибор Гумерова-Зуева. На нем посмотрел и ох....ел, ток был больше 250А!!!???(Там я сам не понял как и зачем скотчей напихал). Так это я к чему? Просто нужно прочитать инструкцию и сделать все по ней, и, что неудивительно результат просто поразит. Всем спасибо. (занудно, пил пиво, не смог удержаться). |
|
locik
Завсегдатай
Сообщения: 585
|
| biema, если сгорели диагональные,сквозной ток не при чем.силовые транзисторы с обратными диодами? |
|
|
biema
|
| Сори, ввел в заблуждение: сгорели НЕ диагональные... Транзисторы, конечно, с диодами. Буду переделывать платы т.к. первый аппарат делаю по модулям а их, в свою очередь, соединяю проводами. Кто знает, может и при каких-то обстоятельствах наводки сыграли похоронный марш моим ключам! Ну точно что-то произошло лавинарно, т.к. на 180В все идеально как и в затворах так и на К-Э, нагрева никакого, а на 200В - аминь... |
|
locik
Завсегдатай
Сообщения: 585
|
на таких частотах и мощностях правильный монтаж обязателен.короткие и широкие проводники,минимальная
длинна.силовая и управление ею обязательно на одной плате.никаких модулей и проводов. |
|
Vovak
Завсегдатай
Сообщения: 400
|
| biema писал: | | на 180В все идеально как и в затворах так и на К-Э, нагрева никакого, а на 200В - аминь... |
Если всё время лазил осликом в затворы, то скорее всего им и спалил....  |
|
Jorg63
Передовик
Сообщения: 1185
|
| biema писал: | | С! Ну точно что-то произошло лавинарно, т.к. на 180В все идеально как и в затворах так и на К-Э, нагрева никакого, а на 200В - аминь... | может транс в насыщение влетел? |
|
|
biema
|
| Ха, ну а почему и нет! Осциллограф я вообще с затвора не снимал! Не знаю, второе включение жду, а там посмотрим. Спасибо за советы! |
|
Jorg63
Передовик
Сообщения: 1185
|
| biema писал: | | Ха, ну а почему и нет! Осциллограф я вообще с затвора не снимал! Не знаю, второе включение жду, а там посмотрим. Спасибо за советы! | хоть включи предохранитель калиброванный на 2-3 ампера в разрыв+300вольт на участке от литов до ключей. да и емкость литов уменьши до микрофарад 47-100 вместо 3*470 микрофарад. как отладишь на холостом на полной сети ,то емкости вернешь на прежнее место. Если проблемы будут,а скорее всего они и остались,хоть будет шанс спасти ключи,если насыщение феррита всеже присутствует при полной сети или еще нибудь возможные косяки.
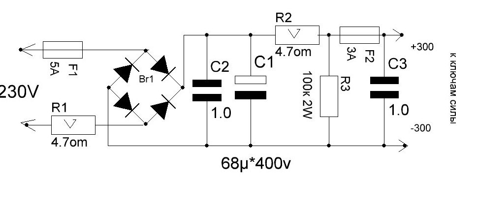
Я пользуюсь уже лет пяток таким технологическим БП для питания силы на этапе настройки на холостом ходу.собран банально на макетке. если косяки и были на этапе запуска то ключики оставались целыми .из опыта скажу полезная штука,а вам решать.Также данный блок питания использую для запуска инверторов после ремонтов при замене ключей или вых диодов.Не всегда только заменой ключей лечиться инвертор в ремонте,иногда после выхода ключей остаются "хвосты" и установка новых ключей может повторно привести к буху.
технологический блок питания.jpg 44.39 КБ Скачано: 580 раз(а)
|
|
locik
Завсегдатай
Сообщения: 585
|
осциллограф не при чем.сомневаюсь что его входная емкость сильно увеличит общую затвор-исток.
лучше включите вместо силового трансформатора две последовательно
лампы 100ВТ(вместо первичной обмотки).и проверьте до напряжения питания +350В.
посмотрите осциллограммы на затворах,стоках,по + 350В.
возможная причина перегорания транзисторов-индуктивный ток 1 обмотки.ему просто некуда уходить. |
|
Vovak
Завсегдатай
Сообщения: 400
|
Осциллограф может быть причиной выгорания затвора тр-торов! У всех скопов на земле висит непонятное напряжение, если скоп не заземлён, может достигать 160В! Этого достаточно чтобы спалить до тла любой транзюк с изолированным затвором!  |
|
|
!Minus
|
| Vovak писал: | | У всех скопов на земле висит непонятное напряжение, если скоп не заземлён, может достигать 160В! | Это напряжение есть и у многих других устройств, причина его - помехозащитные кондёры небольшой емкости с сети 220V на массу. Если ткнуть на затвор одним проводом от осцилла, когда второй ещё не подключен, то изолированному затвору может стать плохо. Только ведь здесь, вероятно, земля осциллографа уже была первой соединена с общим проводом устройства, и это непонятное напряжение, если оно было, сравнялось с потенциалом общего провода.
Мне осциллографом спалить ничего не приходилось (слетевший зажим не в счет, хотя тоже пока без последствий). Но если смотрю что-либо в устройстве, гальванически связанном с сетью, осцилл питаю через разделительный транс - во избежание... |
|
|
DILO
|
Гальванически отвязывать от сети необходимо и желательно проверяемое устройство нежели осцил в данном случае
ДОБАВЛЕНО 01/04/2014 12:08
Малую силу,гальванически не связанную с сетью можно получить если при настройке использовать обычный сварочный транс-или что либо перемотанное из серии трансов типа ТС 270.360 и т.п. А лучше всего соорудить ЛАТР + развязыв.транс.(К тр. 1/1) |
|
|
!Minus
|
Для безопасности желательно от сети гальванически развязывать всё, но устройство, потребляющее несколько киловатт (такое иногда тоже бывает нужно) - проблематично. Потому отвязываем то, что проще: осцилл.
По поводу пробоя транзисторов в сварочнике. Причин может быть много; здесь уже о правильном монтаже говорили, я бы тоже обратил на это внимание. Ведь на индуктивности куска провода длиной 10см возникают импульсы амплитудой немало десятков вольт, пропорционально силе тока и крутизне фронтов. Они короткие, но неприятности доставить могут.
И были ли установлены плёночные конденсаторы по питанию (несколько мкф) в непосредственной близости от выводов силовых транзисторов, для уменьшения этих импульсов. |
|
Jorg63
Передовик
Сообщения: 1185
|
[quote="!Minus"]| Vovak писал: | | У всех скопов на земле висит непонятное напряжение, если скоп не заземлён, может достигать 160В! |
.[/quote
разделительный трансформатор 220/220вольт на этапе настройки это для безопасность работы,это благо конечно.А выпалить затворы можно и с разделительным трансом с таким же успехом присоединяя осла.чтобы того не случилось паяеться резак 1-2 ком прямо на ногах ключа затвор-эмитер.Ну и конечно нельзя подсоединять щупы осла при напряжении 300 вольт. надо сперва подключать надежно щупы а потом давать силу.
Хотя достаточно на затворах промерить сигналы на малой силе при 20-30 вольтах, если все ОК то и на полной силе проблем не будет.На полной силе может только вылезти проблема с насыщением транса и не более, если неверно рассчитан. |
|
|
qaki
|
| Поостерегитесь заходить на Electrik. Кто-то вставил туда подлянку, которая сначала гробит видеодрайвер, а потом отключает камп. |
|
|
biema
|
| Всем спасибо за советы! На данном этапе я подключил в цепь силы лампу на три сотни ватт и поднимал напряжение до 300. Все прошло гладко. Потом работал с 40 вольтами на нагрузку 0,2 ом и получил свои 17 А. Но вот следующая незадача: диоды греются! 17А, радиатор один от проца и за пять минут 40 градусов! Снабберы стоят ( 27 Ом, 0,01 мкФ) тоже горячие даже на 40 вольт. Единственное что я понимаю, так это то, что падение напряжения на диодах не может вызвать такой нагрев!!! |
|
|
sergey857508
|
| qaki писал: | | Поостерегитесь заходить на Electrik. Кто-то вставил туда подлянку, которая сначала гробит видеодрайвер, а потом отключает камп. |
Не надо пугать людей ! Просто надо на свои аппараты нормальный антивирус ставить! |
|
KRAB
Распугиватель клиентов
Сообщения: 21704
|
| biema писал: | | падение напряжения на диодах не может вызвать такой нагрев!!! | - а ты ПОСЧИТАЙ  |
|