ESpec - мир электроники для профессионалов


Делаем сварочник Негуляева (продолжение 2)

  Список форумов » Мастерская Самоделкина
На страницу Пред.  1, 2, 3 ... 42, 43, 44 ... 89, 90, 91  След.
Следующая тема · Предыдущая тема
АвторСообщение
!Minus 
Участник
Сообщения: 121
 
Сообщение #841 От 27/10/2013 10:02 цитата  

Jorg63 писал:
Skif! Что ты ему про зазоры толдычешь.
Думается, здесь Skif отвечал не Стакеру, а просто внёс окончательную ясность в вопрос о величине зазора в сердечнике.
Jorg63 
Передовик
Сообщения: 1185
 
Сообщение #842 От 27/10/2013 10:18 цитата  

!Minus! А здесь только один чел. в центре внимания и все для него-него. прочитал страниц 30 назад ,так вот про зазор насчитал около 20 упоминаний для Стакера!Так что воду льем через сито! ничего не задерживается!
А коль Скиф обобщил про зазор так это для "правильных"товарищей,которые давно это знают,кто взялся за резонер.
Staker 
Завсегдатай
Сообщения: 870
 
Сообщение #843 От 27/10/2013 12:02 цитата  

Skif, как просили...

  Упр.zip  634.94 КБ  Скачано: 507 раз(а)
Jorg63 
Передовик
Сообщения: 1185
 
Сообщение #844 От 27/10/2013 12:30 цитата  

Staker! Правильные ослины,что ты хочешь? Эти ослины к твоим20-30 килогерцам никакого отношения не имеют. А то что частота у тебя на 50 проц меняется от малой силы к полной,вот тут разбирай свой ребус! Что голимое всунул в агрегат свой!А лучше свой голимый компанов разбери к едрени фени и расставь так как советуют элементы ,может и компанов лажу гонит.
Я к примеру сперва компанов делаю а под него уже корпус готовлю и никак не наоборот.Не всегда с имеющимся,как кажется удачным корпусом сделать бес проблемный компанов ,тем более если нет опыта работы в силе!
Staker 
Завсегдатай
Сообщения: 870
 
Сообщение #845 От 27/10/2013 13:28 цитата  

Jorg63, Ок, а мертвое время при макс заполнении ни слишком большое? Последов. с нижней ногой зад. тока на землю стоит резак(номинал не помню), когда корочу этот резак то мертв. время уменьшается на половину на частоте 30кГц. Управа 494. Спасибо.
Jorg63 
Передовик
Сообщения: 1185
 
Сообщение #846 От 27/10/2013 13:38 цитата  

Staker писал:
Jorg63, Ок, а мертвое время при макс заполнении ни слишком большое? Последов. с нижней ногой зад. тока на землю стоит резак(номинал не помню), когда корочу этот резак то мертв. время уменьшается на половину на частоте 30кГц. Управа 494. Спасибо.
ты что тормоз!!!! тебе говорят смотри комплектуху а не циклись в своем резаке. на 50 проц частота меняться в принципе не может при самом неблагоприятном раскладе!
Staker 
Завсегдатай
Сообщения: 870
 
Сообщение #847 От 27/10/2013 13:38 цитата  

Еще у меня ср. вывод зад тока через подстр. резак на землю.

ДОБАВЛЕНО 27/10/2013 13:41

Аппарат на работе! А сейчас я спрашываю про управу держит ли ТЛ-ка мертвое время 2мкс на 30кГц...

ДОБАВЛЕНО 27/10/2013 13:43

Че зря время терять то... Вот и спрашываю.
Jorg63 
Передовик
Сообщения: 1185
 
Сообщение #848 От 27/10/2013 13:46 цитата  

Staker! Ты уже честно говоря задолбал своей тупастью,нет больше желания с тобой вести диалог! на все эти вопросы ты уже получил по 2 а то и по 3 раза ответ!Коль голова у тебя как сито,то это твои проблемы!,Чуди дальше!!!!! Найди такого барана как сам,может и к чему нибудь и договоритесь!
AleksanderG 
Участник
Сообщения: 124
 
Сообщение #849 От 27/10/2013 15:23 цитата  

Мне кажется что не стоит человека оскорблять и вешать на него ярлыки. Если считаете что чел. задолбал или он баран, то просто промолчите (иногда это более ефективней). Хотя впрочем кому как нравится..
Staker 
Завсегдатай
Сообщения: 870
 
Сообщение #850 От 27/10/2013 15:25 цитата  

Jorg63, спокойствие, дружище, только спокойствие! :
Jorg63 
Передовик
Сообщения: 1185
 
Сообщение #851 От 27/10/2013 15:27 цитата  

AleksanderG! Возможно и перебор но товарищ планомерно к этому ,само того не желая может, подводит своей упрямостью ничем не обоснованной!Как говориться провоцирует!
Ну не хочет товарищ идти на продуктивный диалог а скорее всего и не может.Получил инфы более чем достаточно для того чтобы попытаться снять свою проблему. но в итоге ступор-стена!Решил на себя примерить ношу которую не может тянуть по причине отсутствия опыта,но это приходит очень быстро при желании,а желания судя по постам СТАКЕРА такого нет!
AleksanderG 
Участник
Сообщения: 124
 
Сообщение #852 От 27/10/2013 15:33 цитата  

А это от того, что вы сами того не подозревая, переживаете за него.
Jorg63 
Передовик
Сообщения: 1185
 
Сообщение #853 От 27/10/2013 15:59 цитата  

AleksanderG писал:
А это от того, что вы сами того не подозревая, переживаете за него.
Пережевать можно за человека когда он хочет но у него не всегда получается но старается,выполнить рекомендации принять помощь . В онлайне с одним товарищем практически с нуля,опыта ноль можно сказать было у него,но старания и прилежность принесли плоды. за 2 недели сделал добротный свинорез,правда корпуса нормального еще не сделал..присылал видеоотчет.Вот за таких я переживаю.молодой парень 22 года.сам далек от электрики,работает на стройке вроде монтажником говорил..товарища захватила сборка аппарата.счас комплектовать начал еще один.
А здесь хотения что то не наблюдаю. пол ветки форума трендешь и никаких сдвигов!!!!!
Staker 
Завсегдатай
Сообщения: 870
 
Сообщение #854 От 27/10/2013 16:05 цитата  

Jorg63, так понятней думаю:

  моя управа2.jpg  66.36 КБ  Скачано: 534 раз(а)
Jorg63 
Передовик
Сообщения: 1185
 
Сообщение #855 От 27/10/2013 16:10 цитата  

Staker писал:
Jorg63, так понятней думаю:
убрать с этой схемы можешь только светодиод блокировки и все. остальное все проверено и не раз работает с данными элементами,если все они исправны.Не здесь капаешь!а где капать тебе страниц надцать назад уже сказали.
Staker 
Завсегдатай
Сообщения: 870
 
Сообщение #856 От 27/10/2013 16:33 цитата  

Jorg63, обьясняю: я не копаю! Я сейчас чисто по схемам управы хочу выяснить некоторые непонятки.
Jorg63 
Передовик
Сообщения: 1185
 
Сообщение #857 От 27/10/2013 16:51 цитата  

что тебе непонятно?.ставь все как по схеме детали и будь здоров!Только исправные.все эти схемы обкатаны давно.А ты уперся в точку и все тут.Читай талмут СКИФА и не дури голову,как тебе кто то предложил по БУКВАМ!!!!ВСЕ ТВОИ ОТВЕТЫ ТАМ!!!!
Staker 
Завсегдатай
Сообщения: 870
 
Сообщение #858 От 27/10/2013 16:52 цитата  

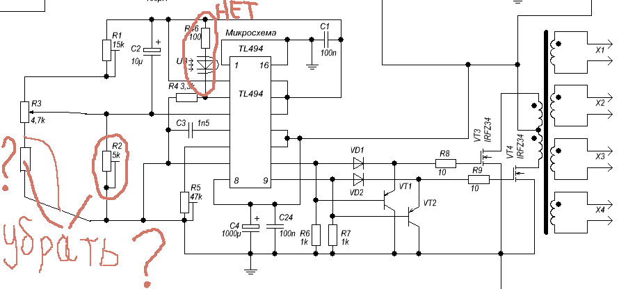
Тогда какой смысл в R2 на ранеевыложеной схеме если сравнивать с этой:

  001_979.JPG  55.22 КБ  Скачано: 491 раз(а)
Jorg63 
Передовик
Сообщения: 1185
 
Сообщение #859 От 27/10/2013 16:56 цитата  

Staker писал:
Тогда какой смысл в R2 на ранеевыложеной схеме если сравнивать с этой:
и про эту на форуме расжевано!Ты уже пошел ходить по кругу
Staker 
Завсегдатай
Сообщения: 870
 
Сообщение #860 От 27/10/2013 17:04 цитата  

Jorg63 писал:
Staker писал:
Тогда какой смысл в R2 на ранеевыложеной схеме если сравнивать с этой:
и про эту на форуме расжевано!Ты уже пошел ходить по кругу
Ну извините, не нашел раз спрашываю...

Перейти: 
Следующая тема · Предыдущая тема
На страницу Пред.  1, 2, 3 ... 42, 43, 44 ... 89, 90, 91  След.
Показать/скрыть Ваши права в разделе

Интересное от ESpec


Другие темы раздела Мастерская Самоделкина



Rambler's Top100 Рейтинг@Mail.ru liveinternet.ru