| Автор | Сообщение |
|
INSAN*
|
|
gonzo
Винтокрут
Сообщения: 4376
|
INSAN*, научишься делать так: [url]ссылка[/url] , - поможем  |
|
|
INSAN*
|
Я валяюсь , вон че получилось с [url] . Но я же старался! |
|
gonzo
Винтокрут
Сообщения: 4376
|
INSAN*, КАЖДУЮ ссылку надо открывать и закрывать!  |
|
Yuritsh
Фанат форума
Сообщения: 18498
|
| INSAN*, а что со старым ником случилось? |
|
|
INSAN*
|
Yuritsh, я просил через Капрала , чтоб мне помогли его разблокировать(потерял майл-почту и пароль к сайту), но сказали чтоб я заного зарегился
ДОБАВЛЕНО 27/01/2015 00:28
gonzo, я готов полакомиться вкусным от братского народа  |
|
I.Cherry
Фанат форума
Сообщения: 4953
|
| gonzo, помоги..если в теме..хз.. по-моему мужик и вправду захерел (по здоровью). |
|
павлик 22
Сам себе на уме
Сообщения: 1137
|
|
|
INSAN*
|
| павлик 22, спасибо! я зашел отсюда http://hideme.ru/ ( вынужден был) а так по-жизни стараюсь не прибегать к таким мошенническим методам. |
|
павлик 22
Сам себе на уме
Сообщения: 1137
|
| INSAN* писал: | | павлик 22, спасибо! я зашел отсюда http://hideme.ru/ ( вынужден был) а так по-жизни стараюсь не прибегать к таким мошенническим методам. |
Тоже вариант.  |
|
|
INSAN*
|
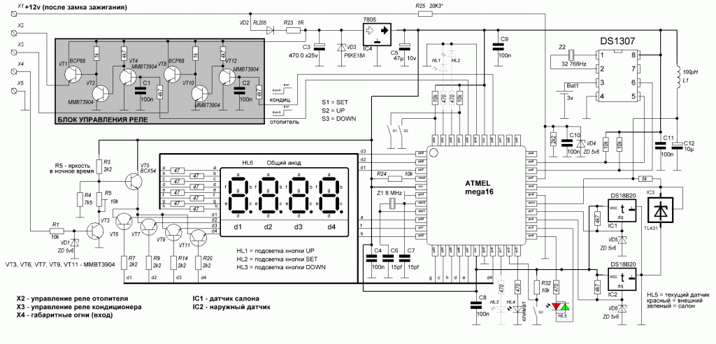
Тему переименую! Просьба к модераторам , чтоб перекинули в мастерскую САМОДЕЛКИНА- потихонечку буду собирать это железо , а то в япошку мою забыли присобачить климат- как всегда блин, у всех все есть , а я сам дособачиваю
АВТОРУ ЭТОГО УСТРОЙСТВА БОЛЬШОЙ РЕСПЕКТ И ПУСКАЙ НЕ ПРИНИМАЕТ БЛИЗКО К СЕРДЦУ МОЙ ПОСТУПОК!
В архиве вся инфа.
климат-контроль.rar 1.14 МБ Скачано: 393 раз(а)
|
|
БАРК
Старший модератор
Сообщения: 13337
|
| Добро... В мастерскую самоделкина... |
|
|
INSAN*
|
|