ESpec - мир электроники для профессионалов


Помогите разобраться с БП PowerLink300W

  Список форумов » Настольные компьютеры

Следующая тема · Предыдущая тема
АвторСообщение
Schoolboy 
Бывалый
Сообщения: 57
 
Сообщение #1 От 07/11/2007 04:51 цитата  

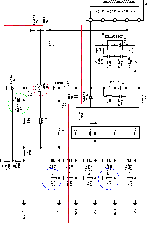
БП PowerLink300W стал самопроизвольно отключаться после непродолжительной работы компа. Осмотр БП выявил неудачное расположение нагрузочных резисторов (на схеме обведены синим). От их разогрева подгорели провода 3,3v и грелись детали Q7 и U4. В результате срабатывала защита. Транзистор Q7 пробивался при незначительном (60 С) нагреве, а конденсатор С71 (обведен зеленым) как оказалось, неправильно (0,3v при измерении на работающем БП, обратная полярность включения) распаян при изготовлении блока. Q7 был STB 1277, я заменил его на A 733. БП заработал. Я хочу прояснить как работает цепь формирования 3,3v (обведена на схеме красным), и зачем нужен вывод +3,3vs, если он все равно на БП соединен с 3,3v?

У меня есть блок SPARKMAN SM-250W. Можно ли поднять его мощность ватт до 400, подключив к его трансформатору такой же транс впараллель и заменив диодные сборки в вызодной цепи на более мощные?
Кстати, я обнаружил, что можно избавиться от неприятного свиста трансформатора дежурки увеличив сопротивление ограничивающего резистора в цепи транзистора дежурки с 0,8 ом до 3-5 ом.

ДОБАВЛЕНО 07/11/2007 05:59

Схема БП аналогична Lpj2-18_LPG899.gif
Mr.Barbara 
Бывалый
Сообщения: 81
 
Сообщение #2 От 07/11/2007 14:15 цитата  

Идем на rom.by/forum
Там эти вопросы обсуждались.
Стрелец 
Завсегдатай
Сообщения: 717
Стрелец
 
Сообщение #3 От 07/11/2007 20:30 цитата  

Где стоит "обведенный зеленым" конденсатор?
Если плюсом на землю, то в БП есть минус 12V, не промахнитесь.
Schoolboy 
Бывалый
Сообщения: 57
 
Сообщение #4 От 08/11/2007 00:31 цитата  

PowerLink300W

  PowerLink300W.GIF  20.18 КБ  Скачано: 3230 раз(а)
Schoolboy 
Бывалый
Сообщения: 57
 
Сообщение #5 От 09/11/2007 01:33 цитата  

Блок PowerLink300W отремонтировал, все свелось к замене заглючевшего Q7 на A928A и переноса резисторов R49 и R53 подальше от проводов 3,3v под которыми они стояли, конденсатор C71 подключил так, как показано выше на схеме, изначально он был распаян наоборот по полярности (причем разметка на плате именно наоборотная!).
Вопрос такой: правильно ли я понимаю работу цепи 3,3v, подключена она к выводам вторички 5v, при помощи дросселей L3, L5 и транзистора Q7 формируются 3,3v, тринистор U4 - защита?
Mr.Barbara 
Бывалый
Сообщения: 81
 
Сообщение #6 От 09/11/2007 14:48 цитата  

Повторюсь: Идем на rom.by/forum. Там подробно обсуждалась работа магнитного усилителя.
Максим_64 
Передовик
Сообщения: 1422
 
Сообщение #7 От 09/11/2007 16:12 цитата  

Schoolboy, про магнитные усилители http://handmade.default.lv/viewtopic.php?t=318
Schoolboy 
Бывалый
Сообщения: 57
 
Сообщение #8 От 12/11/2007 03:22 цитата  

Спасибо за адрес, разобрался. Вопрос не по теме: принесли мне осцилл С-65А, предлагают взять за 300руб. Первое впечатление - разболтаны рукоятки переключения режимов. Заглянул внутрь - все на месте. Работает. Нет только щупов. Как думаете, брать? На что особо обратить внимание?
Максим_64 
Передовик
Сообщения: 1422
 
Сообщение #9 От 12/11/2007 09:33 цитата  

Schoolboy, бери, конечно. Купишь нормальный китайский хьюллет-пакардовский щуп и в путь...
voodo 
Бывалый
Сообщения: 85
 
Сообщение #10 От 12/11/2007 22:29 цитата  

У меня такой. Меня устраивает. Конечно -это не цифровой с запоминанием. Большой экран, Щупом 1:10 можно смотреть строчные импульсы. Достаточно широкополосный для повседневного использования. Разве-что имеет большие габариты и вес.
Конечно, к примеру, С1-99 лучше, но за такую цену....
Что смотреть.....ждущая синхронизация может не работать.
Mikkey 
Старший модератор
<B>Старший модератор</B>
Сообщения: 3660
Mikkey
 
Сообщение #11 От 13/11/2007 11:38 цитата  

Schoolboy писал:
тринистор U4 - защита?

Это не защита, а регулируемый стабилитрон, читайте шит на него.
Schoolboy писал:
и зачем нужен вывод +3,3vs

Это ОС, он не используется как силовой, нужен для компенсации падения на проводах.

Перейти: 
Следующая тема · Предыдущая тема
Показать/скрыть Ваши права в разделе

Интересное от ESpec


Другие темы раздела Настольные компьютеры



Rambler's Top100 Рейтинг@Mail.ru liveinternet.ru