ESpec - мир электроники для профессионалов


Бп от компьютера запускается без замыкания на землю PS-ON

  Список форумов » Настольные компьютеры

Следующая тема · Предыдущая тема
АвторСообщение
artemssss 
Заглянувший
Сообщения: 5
 
Сообщение #1 От 27/09/2015 21:23 цитата  

Всем привет.Открыл бп от компа,были вздуты кондёры,поменял их,и всё заработало,но бп запускается без PS-ON и ещё нету защиты от кз,странный блок,вроде всё цело...В чём может быть проблема?

ДОБАВЛЕНО 27/09/2015 21:27

то есть не работает защита от кз

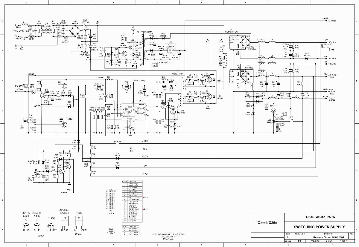
  Octek X25d AP-3-1 250W (TL494).JPG  143.17 КБ  Скачано: 427 раз(а)
южный 
Коммунист
Сообщения: 4985
южный
 
Сообщение #2 От 27/09/2015 21:38 цитата  

Есть схема. Что нечем проверить запуск?
artemssss 
Заглянувший
Сообщения: 5
 
Сообщение #3 От 27/09/2015 21:44 цитата  

всё проверил,всё целое
южный 
Коммунист
Сообщения: 4985
южный
 
Сообщение #4 От 27/09/2015 21:47 цитата  

Не верю... TL меняй.
artemssss 
Заглянувший
Сообщения: 5
 
Сообщение #5 От 27/09/2015 21:50 цитата  

Менял
южный 
Коммунист
Сообщения: 4985
южный
 
Сообщение #6 От 27/09/2015 21:53 цитата  

Чудес не бывает. Копай обвязку микросхемы.
artemssss 
Заглянувший
Сообщения: 5
 
Сообщение #7 От 27/09/2015 21:56 цитата  

а из-за чего собстна может не работать защита от кз?
южный 
Коммунист
Сообщения: 4985
южный
 
Сообщение #8 От 27/09/2015 21:59 цитата  

из-за той же микросхемы или её обвязки.
artemssss 
Заглянувший
Сообщения: 5
 
Сообщение #9 От 27/09/2015 22:15 цитата  

но как!?все транзисторы целы,кондёры поменял(все) диоды и стабилитроны целы,что за бп...
южный 
Коммунист
Сообщения: 4985
южный
 
Сообщение #10 От 27/09/2015 22:20 цитата  

Повторяю, есть схема. Вот и по ней смотри.

Перейти: 
Следующая тема · Предыдущая тема
Показать/скрыть Ваши права в разделе

Интересное от ESpec


Другие темы раздела Настольные компьютеры



Rambler's Top100 Рейтинг@Mail.ru liveinternet.ru