| Автор | Сообщение |
|
Navigation
|
Имеется блок питания CWT DSI250P. При включении не подавал признаков жизни, высоковольтные транзисторы и диоды живые. Дежурка 5V, PS_ON 2,6V присутствует. Поменял ШИМ CM6805 и пару смд транзисторов в цепи питания ШИМ, БП начал подавать признаки жизни. При включении дергает вентилятором и усе, как будто уходит в защиту. Начал разбираться во вторичке, вышел на супервизор PS113. Поставил аналог TPS3510. Начал запускаться, но при этом вентилятор крутится не в полную силу, напряжения в норме в районе 30 секунд, потом постепенно начинает просаживаться +12В, -12В, -5В. Как только даю минимальную нагрузку, сразу уходит в защиту. Конденсаторы все менял. Что еще может быть - уже голову сломал. Схемы на данный аппарат так и не нашел, имеется ,близко похожая. Подскажите куда еще копнуть.
| IMG_2364.JPG |
| Описание: |
|
| Размер файла: |
234.83 КБ |
| Просмотрено: |
355 раз(а) |

|
| Hiper_HPU-4S425PU_RA1311.jpg |
| Описание: |
|
| Размер файла: |
218.38 КБ |
| Просмотрено: |
1436 раз(а) |

|
IMG_2365.JPG 171.06 КБ Скачано: 553 раз(а)
IMG_2368.JPG 69.48 КБ Скачано: 468 раз(а)
|
|
HardRom
Завсегдатай
Сообщения: 398
|
Navigation, можете уточнить, по какой причине вы меняли CM6805, пару СМД транзисторов, все конденсаторы и супервизор PS113. Они все оказались неисправны? По моему, не найдя основной причины поломки блока питания, вы внесли новые, потратив время и деньги.
Для примера, в цепи питания CM6805 нет пары СМД транзисторов, только один, в качестве ключа. Для чего нужно менять рабочие конденсаторы? Супервизор PS113 не полный аналог TPS3510, хотя по функционалу и выводам совпадают. Это видно из блок схем в datasheet на эти микросхемы. При такой замене, возможно необходимо подбирать режим работы TPS3510. |
|
|
Navigation
|
| СМ6805 заменил из -за не запуска APFC. Транзисторы вычислил методом прозвонки (ошибся про цепь питания). После этих манипуляций блок начал дергать вентилятором, уходя в защиту. Напряжения все были на супервизоре но запуска не было, после замены PS113 запуск пошел, но как описывал выше нагрузку не держит. Да, действительно полностью супервизоры не совпадают, где то на форумах читал что замена допускается. Во всяком случае PS113 уже в пути. Конденсаторы менял по причине низкого ESR, в районе 10 ОМ было на 2 шт. 1000мкф 10В решил все под замену. Остальную мелочовку заменил для профилактики. |
|
HardRom
Завсегдатай
Сообщения: 398
|
| То есть, сгорел выход PFC СМ6805, эмиттерный повторитель, но не сгорел силовой транзистор? Значение напряжения на входной емкости, при запуске? Замена для профилактики хорошо, но лучше разобраться в причине неисправности блока питания. Маловероятно, что бы выход из строя PFC повлиял на супервизор PS113. Выпаяйте и проверьте силовой транзистор PFC. Верните PS113 на место и замерьте напряжения на всех выводах PS113 в дежурном и рабочем режимах. |
|
|
Navigation
|
Данный блок питания пришел ко мне от другого мастера, так что сюрпризов может быть много. Возможно он менял силовой транзистор, так как плата вся перепаянная была. Напряжение на входной емкости 320 В, при запуске 376 В. Транзистор выпаяю, проверю. С супервизором сложнее, PS113 осталась на работе, буду там только в воскресенье. БП в холостом режиме издает звук типа хрипа или скрежета, еле слышимого, но не свиста. Когда запускаю становится заметно тише. Снимаю питание с дежурки Viper22A, звук пропадает.
ДОБАВЛЕНО 16/06/2017 15:03
Транзистор проверил - живой IRF740 (100% меняный). Что там стояло изначально, уже никто не узнает. В силовой части 2 транзистора 8N60C, живые. В подобной схеме стоят 3 одинаковых STP11NK50Z. |
|
HardRom
Завсегдатай
Сообщения: 398
|
| PFC рабочий, но транзистор лучше заменить на 8N60C, во избежание пробоя. Скорее всего он там и стоял. IRF740 до 400V, этого мало для PFC. Звук, скорее всего, от трансформатора дежурки. |
|
|
Navigation
|
| Может еще у кого мысли есть по данной неисправности? |
|
HardRom
Завсегдатай
Сообщения: 398
|
| Вы уже сделали замеры напряжений именно на PS113 или думаете на форуме сидят шаманы и им есть дело до вашего CWT DSI250P? |
|
|
Navigation
|
Да, замеры сделаны на PS113:
PGI 2.2V
FPO 0.1V
PS_ON 0.2V
PGO 5V
V 11.3V
VS5 5V
VS33 3.3V.
Замеры сделаны при отключенном куллере, если его подключить БП дернет вентилятором и молчит. Сильно занижено 12V, соответственно при подключении нагрузки 12В, в данном случае вентилятор, бп уходит в защиту по низкому напряжению. Мои размышления верны? Если нет, поправьте тогда.
Транзисторы так же заменил, поставил с запасом 13N60С. |
|
HardRom
Завсегдатай
Сообщения: 398
|
Все напряжения на PS113 в норме и если срабатывает защита (снимается напряжение питания с CM6805), она рабочая.
Если идет просадка по 12 вольтам и даже от вентилятора срабатывает защита, проверьте элементы схемы управления вентилятором, управляющий транзистор и сам вентилятор, подав на него 12 вольт от другого блока питания. Элемент, который сажает питание, должен греться. Проверьте диоды во вторичной цепи на возможный пробой.
При условии, что просадки во вторичной цепи нет, проверьте режим работы CM6805. Возможно проблема в цепи управления контроллером. Замерьте напряжения на ее выводах и напишите. Проверьте так же демпфирующие диоды силовых транзисторов PWM.
Посмотрите качество пайки всего блока питания, отсутствие короткого от припоя между дорожек, раз блок уже ремонтировали до вас. |
|
|
digger2013
|
| Цитата: | | Данный блок питания пришел ко мне от другого мастера, так что сюрпризов может быть много. Возможно он менял силовой транзистор, так как плата вся перепаянная была. |
О-О! Конечно тогда оправдана замена некоторых деталей тем более схемы нет. Вообще когда нет схемы бесполезно спрашивать -а зачем вы меняли...? Он правильно делал что менял и получил хоть какое-то оживление мертвеччины.
ДОБАВЛЕНО 29/06/2017 09:04
| Цитата: | | проверьте режим работы CM6805. Возможно проблема в цепи управления контроллером. |
Ага, он "проверит".. особенно когда схемы нет.
| Цитата: | | IRF740 до 400V, этого мало для PFC. Звук, скорее всего, от трансформатора дежурки. |
IRF740 выбросить немедленно! Он не из этой схемы
, вообще не пригоден. Там нужны современные транзисторы типа 20n60c3 например.
Если плата вся перепаяна то это нехилый экстрим.
Надо взять лупу и искать все возможные места где могла притаиться сопля припоя. кз то есть. |
|
|
ruburu
|
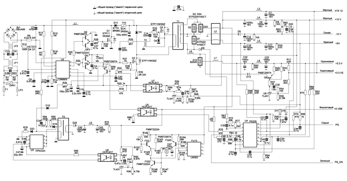
| Привет! Тема наверно устарела за столько лет, но тем не менее! Ремонт этого БП с аналогичными симптомами закончился заменой электролита в цепи питания CM6805, был 47mk-25V поставил 100mk-25V, у него ESR просел до 4 Ом. И огромное Спасибо автору за приближённую схему! Очень помогла! |
|
igme
Передовик
Сообщения: 1126
|
Ок, учём, только
| ruburu писал: | | у него ESR просел до 4 Ом. |
как интересно, "просел", то есть до этого он был БОЛЬШЕ 4 Ом??? Как-то всё же следить надо за логикой написанного.. |
|
|
ruburu
|
|