ESpec - мир электроники для профессионалов


СМА Samsung WF1602YQC напряжения во вторичной цепи

  Список форумов » Стиральные и посудомоечные машины

Следующая тема · Предыдущая тема
АвторСообщение
fad 
Завсегдатай
Сообщения: 684
fad
 
Сообщение #1 От 18/08/2020 07:41 цитата  

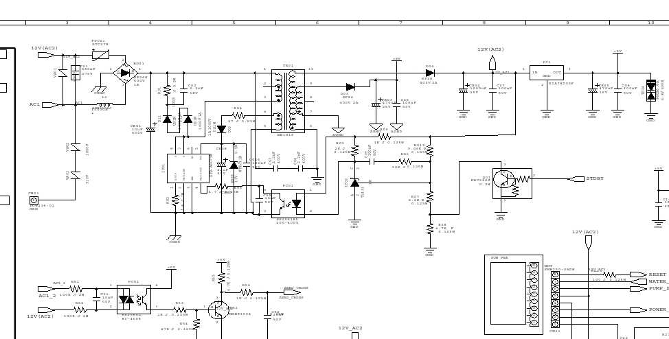
Добрый день. На данной СМА сгорела ШИМ STRA6079M, пока идёт новая пытаюсь запустить от внешнего БП. На плате транс, у которого вторичка с выв. 6, 10 формирует 12В, идущие на D3. Но есть ещё и вторая обмотка с выв. 7, 9, идущая на D4. Вопрос: какое напряжение формируется на обмотках 7, 9? Может у кого есть данные. В инете нашёл кусок схемы, но очень плохого качества, прилагаю.

  A6079M БП.jpg  50.69 КБ  Скачано: 1258 раз(а)
washdoc 
Завсегдатай
Сообщения: 476
washdoc
 
Сообщение #2 От 18/08/2020 08:26 цитата  

+8 V
fad 
Завсегдатай
Сообщения: 684
fad
 
Сообщение #3 От 18/08/2020 10:07 цитата  

washdoc, спасибо огромное!!!

Перейти: 
Следующая тема · Предыдущая тема
Показать/скрыть Ваши права в разделе

Интересное от ESpec


Другие темы раздела Стиральные и посудомоечные машины



Rambler's Top100 Рейтинг@Mail.ru liveinternet.ru