| Автор | Сообщение |
валера222222222
Завсегдатай
Сообщения: 534
|
нужна простая схема видеоусилителя на дискретных элементах - с видео камер приходит слабый сигнал (изображения на регистраторе тёмное) - надо усилить сигнал для более качественного просмотра изображения - у кого какие есть соображения по этому поводу?...интернет ничего не дал помогите со схемкой буду очень признателен!  |
|
m.ix
Master Mixa
Сообщения: 1972+
|
всё ППЦ маразм настал. - приплыли.
слабов гугль заглянуть
или самому одного транзюка жалко?? |
|
viktor_ramb
Сам себе начальник
Сообщения: 23833
|
| валера222222222, возьми схему любого модуля сопряжения ВМ с ТВ и рули! |
|
sofrina
Модератор
Сообщения: 4805
|
схему скачал, но не проверял на работоспособность
[/url] |
|
валера222222222
Завсегдатай
Сообщения: 534
|
sofrina, так я про рабочую схемку у вас и спрашиваю, времени нет собирать сомнительные схемы взятые с инета!
ДОБАВЛЕНО 05/07/2012 19:57
sofrina, а есть простая схема усиления видео сигнала без искажения сигнала? извините за тупость  |
|
FANTASTRON
Передовик
Сообщения: 1405
|
|
валера222222222
Завсегдатай
Сообщения: 534
|
FANTASTRON, хня какая то! блин недавно ковырял битый регистратор - в нём был видео усилитель на 2 транзюках на выходе SPOT - чё я дурак не срисовал?мля вот мля досада! мужики а по конкретнее ни чего нет? мож кто делал чего то подобное? |
|
валера222222222
Завсегдатай
Сообщения: 534
|
|
валера222222222
Завсегдатай
Сообщения: 534
|
ну чё мастера - по ходу мастерами и не пахнет? мля досадно  |
|
БЕЗЫМЯННЫЙ
Бегущий по граблям
Сообщения: 7608
|
| каков вопрос таков ответ, мастер. Чем вызвана необходимость усиливать стандартный видеосигнал? |
|
m.ix
Master Mixa
Сообщения: 1972+
|
дааа
блин
Город такой
Любим мы сапоги через голову напяливать. |
|
Lenchik
Фанат форума
Сообщения: 7937
|
Там не все так просто. Чтобы увеличить яркость надо изменить соотношение синхроимпульсов к видеосигналу. Это вам не звук, взял и усилил.
Сложнее все на самом деле. Нужно засинхронизироваться, отделить виодеосигнал от синхро, усилить или сместить уровень и снова смешать с синхро. |
|
БЕЗЫМЯННЫЙ
Бегущий по граблям
Сообщения: 7608
|
| Lenchik, не усложняй себе жисть, там скорее всего все намного проще, но клиент пока не понял че ему надо, или понял но не говорит. |
|
|
mr.vai
|
мож яркость покрутить  |
|
БЕЗЫМЯННЫЙ
Бегущий по граблям
Сообщения: 7608
|
| mr.vai, и ты тоже не усложняй, почитай его более ранние перлы. |
|
Lenchik
Фанат форума
Сообщения: 7937
|
| Может рядом с камерами свет включить, а не экономией электроэнергии заниматься. Еще камеры инфракрасные бывают, почти за ту же цену. |
|
валера222222222
Завсегдатай
Сообщения: 534
|
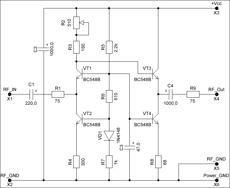
Lenchik, БЕЗЫМЯННЫЙ, камеры после ремонта (сгорели от грозы) слетели стабы,контроллеры питания BA9743AFV-E2, резюки на 750(как оказалось это 75 ом - но уже поздно камеры установлены на высокие 21метровые мачты) - но, не в этом суть,.проблема в том что камеры установили на компаунд и снять их теперь нет возможности, на них поставили резюки на 750 ом - вместо 75 - обьяснив это тем что по дташиту какому то - написаные циферы на резюке соответствуют номиналу в 750 ом - чё за мастер это делал я не знаю, мне привезли рогатые я проверил телеком и поставил, позже на сосках телеком проверил изображения просматриваются плохо нет яркости-изображение тёмное- как быть? P/S.грешу я всё таки на эти 750 омные резюки...вот схема которую я пробовал изобразить яркость картинки увеличивается - но иногда картинка прыгает на экране по кадрам-мож чего то я делаю не так?...схема в архиве Splan
СХЕМА ВИДЕО УСИЛИТЕЛЯ 1.rar 1.38 КБ Скачано: 2770 раз(а)
|
|
m.ix
Master Mixa
Сообщения: 1972+
|
а чё оцила нету для диагностики???
лядь любители. |
|
валера222222222
Завсегдатай
Сообщения: 534
|
m.ix, я ж их не ремонтирую, я только установкой и наладкой занимаюсь-зачем мне ещё ослик при себе иметь?  |
|
БЕЗЫМЯННЫЙ
Бегущий по граблям
Сообщения: 7608
|
| валера222222222, ну найми нормального ослика который их ремонтировать будет. Учи матчасть про 75 омное согласование, мастер. Щас тебе проще всего на входе монитроа поставить просто эмиттерный повторитель, тем самым сделав входное сопротивление монитора не 75 ом а примерно бесконечным. Подробносте писать не буду сам все отлично знаешь. Че ты там приаттачил в архиве не знаю, нет у меня на рабочем компе спринта. |
|