| Автор | Сообщение |
|
dayw
|
Здравствуйте!
Есть блок питания AIV 0001 REV:L.
Скачет дежурка 5 вольт, в результате телевизор не стартует.
Не могу найти схему на данный БП.
Может у кого есть, скиньте пожалуйста.
Обнаружил, что звониться диод(на фото обвел красным).
Но маркировок не разобрать, на что заменить
| IMAG1060.jpg |
| Описание: |
|
| Размер файла: |
414.03 КБ |
| Просмотрено: |
616 раз(а) |

|
| IMAG1059.jpg |
| Описание: |
|
| Размер файла: |
331.29 КБ |
| Просмотрено: |
404 раз(а) |

|
|
|
Borek
Старший модератор
Сообщения: 12846
|
|
|
dayw
|
Borek, прошу прощения. Ошибся в названии телевизора.
Модель 20LA66. На него скачивал сервис мануал, но там не нашел именно схему БП. |
|
eduard2
Модератор
Сообщения: 4783
|
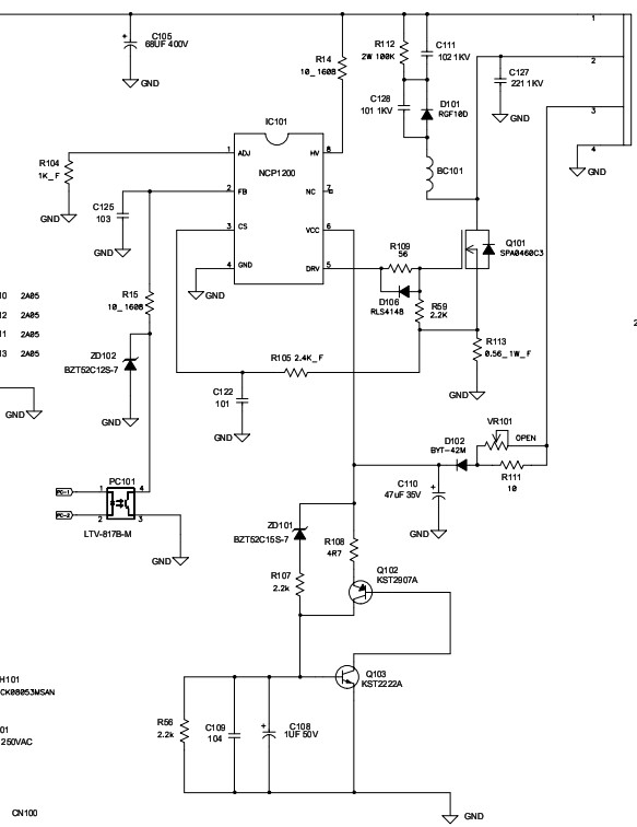
dayw,=Не могу найти схему на данный БП =Лыжи обычно не дают схемы своих БП - состав своих микрух в БП надо писать вот тема есть на БП но с другой версией ( у тебя такой состав как в теме или другой ? ) http://monitor.espec.ws/section31/topic212020.html
=Обнаружил, что звониться диод(на фото обвел красным).
Но маркировок не разобрать, на что заменить= это че стекляшка ? где стоит в ключе в затворе тогда защитный стаб ,если в цепи где токовый датчик тогда диод ( проверь его как стаб через донор с резиком ) |
|
|
dayw
|
Да, состав такой же. Тему видел, но почему то упустил состав БП.
Стекляшка с маркировкой D104.
LG не знал, что нет схем
Погляжу по даташитам на микрухи, попробую разобраться |
|
RAMMER
Передовик
Сообщения: 1027
|
| dayw писал: |
Есть блок питания AIV 0001 REV:L.
Обнаружил, что звониться диод(на фото обвел красным). | dayw , месячные или вековые ?
У каждой детали есть позиционный номер , вот его то и надо было указать в своём запросе ... и на кой ляд ты тут не читаемое фото выложил ?
U101 NCP1200.JPG 58.71 КБ Скачано: 752 раз(а)
|
|
|
dayw
|
Фото совпадают с темой, указанной выше и в этой теме крупным планом. Если потребуется, выложу свои крупные фото.
http://monitor.espec.ws/section31/post1302982.html
Диод выпаял и проверил - нормальный оказался.
А вот R109 был пробит. Его заменил.
http://monitor.espec.ws/files/5_569_671.jpg
В районе диода D102 как будто бы обугление и пятаки отошли от платы.
Диод выпаял, проверил - работает. Вернул обратно + дорожки продублировал.
Резистор R111 проверил, в норме.
Но питание дежурки скачет 4.4-4.9В. До 5В не доходит.
Как правильно проверить шимку? |
|
|
Джагернаут
|
оптопару замени для начала.
R109 51-56 Om -он точно у тебя пробит? |
|
eduard2
Модератор
Сообщения: 4783
|
Джагернаут, А ты откуда знаешь ,что такой номинал имеет этот резик ,у тебя что схема есть на этот БП? если есть так выложи здесь или залей его в обменник | Цитата: | | -он точно у тебя пробит? | резики не когда не пробиваются (всё пробивается кроме резиков) они обрываются или изменяют свой номинал (ликбез какой то ) | Цитата: | Но питание дежурки скачет 4.4-4.9В. До 5В не доходит.
Как правильно проверить шимку? | dayw В данном разделе ремонтом на занимаются ,или ты закрываешь свою тему как [Pешено] или ты создаёшь отдельную тему в разделе ЛСД и Плазма по поводу своего БП  |
|
|
Джагернаут
|
резики не когда не пробиваются (всё пробивается кроме резиков) они обрываются или изменяют свой номинал (ликбез какой то )
Вот я про тоже,интересно стало.Может у парня погрешность на приборе велика и он 51 Ом звонит,как проволоку. или ошибся и вместо обрыв,написал пробой.
ДОБАВЛЕНО 17/09/2015 22:06
Просто хотел узнать,если прибор так врёт в показаниях,то можно кучу исправных деталей забраковать. |
|
eduard2
Модератор
Сообщения: 4783
|
| Цитата: | | Резистор R111 проверил, в норме | .Это сколько в Омах ( а не в нормах или в литразх) ты что нормометром измеряешь свои сопро ? или вообще чем
| Цитата: | | Но питание дежурки скачет 4.4-4.9В. До 5В не доходит | .- ну вообще то должно быть 5.1 В | Цитата: | | оптопару замени для начала | dayw-там помимо оптопары есть два транзика Q103=3904+Q102=3906 ( хитро так вкл- типа тиристора ) |
|
|
dayw
|
Заменил полевик, шим, оптопару.
Проверил резисторы, обрывов нет, соответствуют номиналам.
Напряжение 5 вольт продолжает скакать.
Причем на лапах ZD101 скачет от 2 до 8 вольт примерно.
Не могу сообразить, почему скачет, что упустить мог еще? |
|