ESpec - мир электроники для профессионалов


холодильник Whirlpool ARG911 ошибка датчика Решено

  Список форумов » Холодильники и кондиционеры

Следующая тема · Предыдущая тема
АвторСообщение
kalambija 
Завсегдатай
Сообщения: 404
kalambija
 
Сообщение #1 От 31/10/2012 21:27 цитата  

На электронном блоке внутри холодильника есть кнопки выставления температур. Периодически срабатывает звуковой алярм и мигают сразу 3 кнопки 5 -6-7. С температурой в холодильнике все хорошо. В холодильнике встроенно 3 датчика температурных. Кабель белого цвета идет на боковую стенку холодильника, куда идут коричневый и черный ?




  Фото0115.jpg  103.21 КБ  Скачано: 477 раз(а)
  Scan.jpg  84.72 КБ  Скачано: 451 раз(а)
kalambija 
Завсегдатай
Сообщения: 404
kalambija
 
Сообщение #2 От 31/10/2012 22:02 цитата  

Возможно весь сыр бор из за того что была повреждена изоляция черного провода и провода могли замыкаться. Не пойму, как это могло 6 лет работать без сбоев?
WARNING 
Завсегдатай
Сообщения: 313
WARNING
 
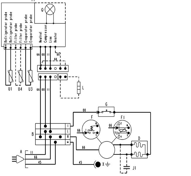
Сообщение #3 От 31/10/2012 22:20 цитата  

kalambija писал:
Кабель белого цвета идет на боковую стенку холодильника, куда идут коричневый и черный ?

ежели поможет - держи схемку старичка

  Безымянный.JPG  42.11 КБ  Скачано: 584 раз(а)
kalambija 
Завсегдатай
Сообщения: 404
kalambija
 
Сообщение #4 От 31/10/2012 22:44 цитата  

Спасибо. Конечно поможет. Пару лет назад уже смотрел такой аппарат, там было только два датчика, а тут кокой-то Filter Probe ?

Перейти: 
Следующая тема · Предыдущая тема
Показать/скрыть Ваши права в разделе

Интересное от ESpec


Другие темы раздела Холодильники и кондиционеры



Rambler's Top100 Рейтинг@Mail.ru liveinternet.ru