| Автор | Сообщение |
|
ElektrikV
|
Дааа, загадочный чёрный ящик. Эх, ренгеном бы его или молотком просветить.
А, просто тестером звонить не пробовал, может какие-то выводы напрямик между собой соединяются? |
|
-20 dB
Фанат форума
Сообщения: 7674
|
I.Cherry, попробуй разобрать кассету ионизатора (она же - электростатический фильтр воздуха, что нехилым шрифтом прописано в мануале к этим устройствам), и потому сравнительно легко разбирается для чистки. У меня - родной братело этого девайса - бытовой (комнатный) воздухоочиститель Супер-Плюс (без "Турбо") ВЭИ-1 (220В, настенное исполнение). Как заядлому курильщику кассету своего фильтра мне каждые две недели с мылом драить приходится, так что знаю, о чем говорю...
Кста, если у твоего девайса никто до сих пор даже не знал, что кассета разбирается - может, там высокое уже по грязи шьёт (а грязи там набирается о-о-о-ой как немало... Пыль, креозот, сушёные током моченые комары...). У меня 8 лет - полёт нормальный. Только трещал пару раз, когда долго фильтр не мыл.
Зарисуй соединение электродов, бум пытаться понять, нах там этот третий вывод - тем более, что у меня только два. Тот провод, что ты красным отрисовал - скорее всего, просто "заземление" экрана умножителя, у меня его вообще нет, и транс вместе с умножителем в эпоксидку залит. Но вывода высокого напряжения у меня всего два. Сегодня пока срисовывать кассету не буду - время позднее, на работу завтра. А вот завтра после работы - постараюсь выложить. |
|
I.Cherry
Фанат форума
Сообщения: 4953
|
| -20 dB писал: | | I.Cherry, попробуй разобрать кассету ионизатора (она же - электростатический фильтр воздуха, что нехилым шрифтом прописано в мануале к этим устройствам, и потому сравнительно легко разбирается для чистки). | Так разбирал.. давно уже ..ссылка выше..или вот http://monitor.espec.ws/download.php?id=35767 |
|
|
ElektrikV
|
I.Cherry, нашёл интересную инфу:
http://www.rlocman.ru/forum/showthread.php?t=3605&page=2
| Цитата: | | Для получения восокого напряжения можно использовать высоковольтные трансформторы предназначеные для питания газоразрядных трубок используемых в рекламе. К ним понадобиться только выпрямитель. Но ,наверное лучще, будет выполнить используя компьютерный блок питания и строчный трансформатор, подключив его НЕПОСРЕДСТВЕННО ВТОРИЧНЫМ К ОБМОТКАМ ТРАНСФОРМАТОРА Б.П. |
Таким методом легко проверить работу ТВС с умножителем(или то что под эпоксидкой). Всё равно блоки от старых компов небось валяются.
Что скажешь? |
|
I.Cherry
Фанат форума
Сообщения: 4953
|
ElektrikV, спасибо. читаю.  |
|
|
ElektrikV
|
-20 dB, ну и где твоя кассета?
| -20 dB писал: | Сегодня пока срисовывать кассету не буду - время позднее, на работу завтра.
А вот завтра после работы - постараюсь выложить. |
|
|
|
ElektrikV
|
I.Cherry, как успехи? Победил Супер-пупер-турбо-плюс?  |
|
I.Cherry
Фанат форума
Сообщения: 4953
|
ElektrikV, да лень какая то.. суббота - целый день то комп то телевизор.. Супруга немного озадачила .. потом снова на лежбище..
Хандра страшная.. ничего не хочется.. хз как это по медицински зовется, кажись - депрессия . |
|
|
Ikar_07
|
| I.Cherry писал: | ElektrikV, Если честно, то я долго смеялся с хозяина этой лабуды
это ж как людей разводят?! Толку от этого аппарата как от моей Мурки в сезон дождей..
Это не фильтр..т.е. там нет никаких войлочных.. сеточных элементов..
там короб пустой |
Какие еще войлочные.. сеточные элементы? этот не такой фильтр
смотрите http://www.youtube.com/watch?v=IvfAE3C1jEg&feature=player_embedded#!
ДОБАВЛЕНО 28/12/2011 21:19
силку скопировать и вставить в новом окне |
|
|
ancarp
|
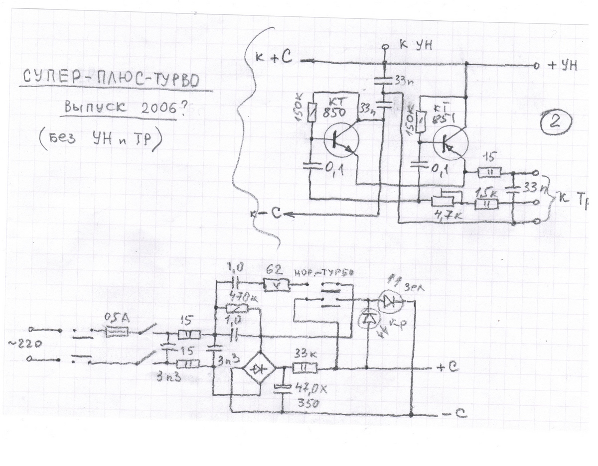
| Добрый день уважаемые форумчане. Наткнулся случайно и обнаружил некоторые ошибки в схеме. Резисторы на входе 15 ом а не 5. У меня валяется где то такое же чудо Орловских кудесников. Схемы конечно нет и нигде не обнаружил. Приходилось чинить. Схема на 2х транзюках 850 и 851 видимо поновее. Непонятно как работала вообще да к тому же провода отвалились от платы к трансу. Может у кого есть схема? |
|
KRAB
Распугиватель клиентов
Сообщения: 21704
|
|
|
ancarp
|
| Разрисовать не проблема, это сделано. Беда в другом, оборваны выводы идущие от платы на заливку по всей видимости транс с умножителем. Входные обмотки две одинаковые по 6-7 ом, одна видимо обратной связи.Начало-конец каждой понятно не помечено (видимо ноу-хау). По элементам проверил все исправно.Запускаться не хочет в различных комбинациях подключения. Транс в заливке без видимых потемнений. |
|
KRAB
Распугиватель клиентов
Сообщения: 21704
|
| ancarp писал: | | Транс в заливке без видимых потемнений. | - типичный подход клиента |
|
|
ancarp
|
| А других мыслей никаких? КРАБ, я другого и не ждал, особенно от тебя. У научного человека только такие подходы. А по существу что-либо будет? Разберусь сам не переживай,не в первое. А спрашивал я схему того что в заливке. Спасибо, разобрался сам, пугай народ и дальше.Помнится с монитором ты здорово помог, особенно с матрацем, который оказался совсем не при делах, Успехов тебе. |
|
|
ancarp
|
Уважаемый КРАБ! Я понимаю Украине сейчас тяжело Россиянам не легче, но вздохнуть можно пока... Схема этого сокровища ниже, я привожу в зарисовке, некогда культурой заниматься. Я обратился на форум после того, как не смог решить этот вопрос с конструктором этого чуда техники из Орла. На вопрос дайте схему что в заливке (хотя это итак понятно) он прислал фото разборки, удаления пружины и смазки....
| 11100 001.jpg |
| Описание: |
|
| Размер файла: |
436.81 КБ |
| Просмотрено: |
687 раз(а) |

|
|
|
БЕЗЫМЯННЫЙ
Бегущий по граблям
Сообщения: 7608
|
| А транзисторы часом местами не попутаны? Вроде транс получается с отводом от части первички. |
|
|
ancarp
|
| Меня тоже этот вопрос долго мучил. Но не рискнул менять местами. Сейчас поменяю. Не видно что паялся. Позвонил в Орел заводчанам и сбросил зарисовку, изобретателю этого чуда техники. Прислали ответ по электронке и 2 схемы БУ-2 и С-П-Т, аналогичной Cherry. Ни одна не соответствует оригиналу, симбиоз какой-то. Отпишусь |
|
|
ancarp
|
| Спасибо, БЕЗЫМЯННЫЙ! Хоть встяхнул чуток, а то уже хотел выбросить, долго валялся, все руки не доходили. А теперь в самую пору будет, лето впереди.Не было запчастей (КТ 850 и 851) сразу вот и лежал, грелись они не хило потому и вылетел лето было жестокое леса горели. В городе вобще мрак был. Все в норме пашет как черт.. |
|
БЕЗЫМЯННЫЙ
Бегущий по граблям
Сообщения: 7608
|
| ancarp, дык ты бы схему исправленную выложил хоть в качестве результата. |
|
Немцов
Завсегдатай
Сообщения: 401
|
Глаза сломал об схему.
Если сорвется генерация (к.з. в трансформаторе), то сквозной ток обеспечен обоим транзисторам..

|
|