| Автор | Сообщение |
|
tarasv
|
| Подскажите, схемку как регулировать ток сварочного т-ра, желательно по первичке и обороты колекторного двигателя с помощю МК PIC16F84.Искал по инете, не нашел.Нужно для полуавтомата. PIC16F84 у меня есть 2 штуки. |
|
vikrys
Завсегдатай
Сообщения: 374
|
|
LESHIY
Леший форума
Сообщения: 3605
|
вот так
симистор vs-1 подобрать по току нагрузки |
|
|
tarasv
|
|
|
tarasv
|
| vikrys, мне бы по проще шото, для того и хочу применить МК. Стабилизация мне не очень нужна. Контролер да симистор вот и все . |
|
RomanRB
Модератор
Сообщения: 31859
|
Купить у разработчика. Сам ты ее не напишешь по данной схеме. Т.к. не знаешь алгоритма. Или конструируй свою схему.  |
|
|
tarasv
|
Вот простая схемка, только PIC не тот. 
reg2222_b.gif 20.95 КБ Скачано: 2805 раз(а)
|
|
БЕЗЫМЯННЫЙ
Бегущий по граблям
Сообщения: 7608
|
| "Вот простая схемка, только PIC не тот...." да и предназначена совсем не для "...регулировать ток сварочного т-ра, желательно по первичке и обороты колекторного двигателя с помощю МК..." а так в обшем-то одно и то же, и прошивок нет как для первой найденной, так и для этой. |
|
|
tarasv
|
| БЕЗЫМЯННЫЙ прошивка есть, если вам нужно, так и скажите. Для регулировки оборотов колекторного двигателя с постоянными магнитами, что мне и нужно, в самый раз. |
|
БЕЗЫМЯННЫЙ
Бегущий по граблям
Сообщения: 7608
|
Че-то я не понимаю, есть две схемы, есть прошивка, чего тогда ишем-то?
Мне собс-но прошивка не нужна, я ПА не увлекаюсь, мне вполне электродов хватает для моих нужд, а в ремонте пока перешивать ничего сварочного не доводилось. |
|
|
tarasv
|
| БЕЗЫМЯННЫЙ,меня не интересует,чем вы увлекаетесь. PIC16F84 у меня есть 2 штуки .vikrys предложил очень хорошую схемку, за что ему спасибо, но мне бы попроще шото, для того и хочу применить МК. Стабилизация мне не очень нужна. Контролер да симистор вот и все. Надыбал сам- Вот простая схемка, только PIC не тот.А я ПА увлекаюсь, потому как завел эту тему. |
|
RomanRB
Модератор
Сообщения: 31859
|
| tarasv, А что в этой схеме сложного? Стоит БП, МК, дешифратор на управление 7-ми сегментным индикатором и преобразователь. Что вас смущает. Если зрительно откинуть БП, то схему можно на "коленках" собрать. |
|
|
tarasv
|
| RomanRB, схемка хорошая, если зрительно откинуть БП, дешифратор на управление 7-ми сегментным индикатором и преобразователь, то получится простая схемка, только PIC не тот. |
|
RomanRB
Модератор
Сообщения: 31859
|
| tarasv писал: | | PIC16F84 у меня есть 2 штуки .vikrys предложил очень хорошую схемку, но мне бы попроще шото, |
 |
|
БЕЗЫМЯННЫЙ
Бегущий по граблям
Сообщения: 7608
|
| tarasv, Извините еще раз встряну: мне до сих пор казалось что у полуавтоматов жесткая характеристика, т е регулировать надо не ток а напряжение. Если неправ, простите великодушно, больше не буду. |
|
RomanRB
Модератор
Сообщения: 31859
|
tarasv, Ну если желаете очень простую схему. Вот, без всяких PIC:
svar_reg.rar 38.52 КБ Скачано: 634 раз(а)
|
|
|
tarasv
|
RomanRB, спасибо вам за схемку, проще не может быть. Вижу по скачиванию, вы помогли не только мне.Я смотрю и цитаты соответствуют людям. БЕЗЫМЯННЫЙ, чтобы вам не казалось, учите закон Ома, у полуавтоматов дествительно жесткая характеристика.
ДОБАВЛЕНО 22/12/2010 21:18
Тему пока не закрываем.

|
|
RomanRB
Модератор
Сообщения: 31859
|
tarasv, Я на этой микре, регулятор для паяльника делал, когда паяльная станция была заоблачной мечтой. До сих пор работает...  |
|
|
tarasv
|
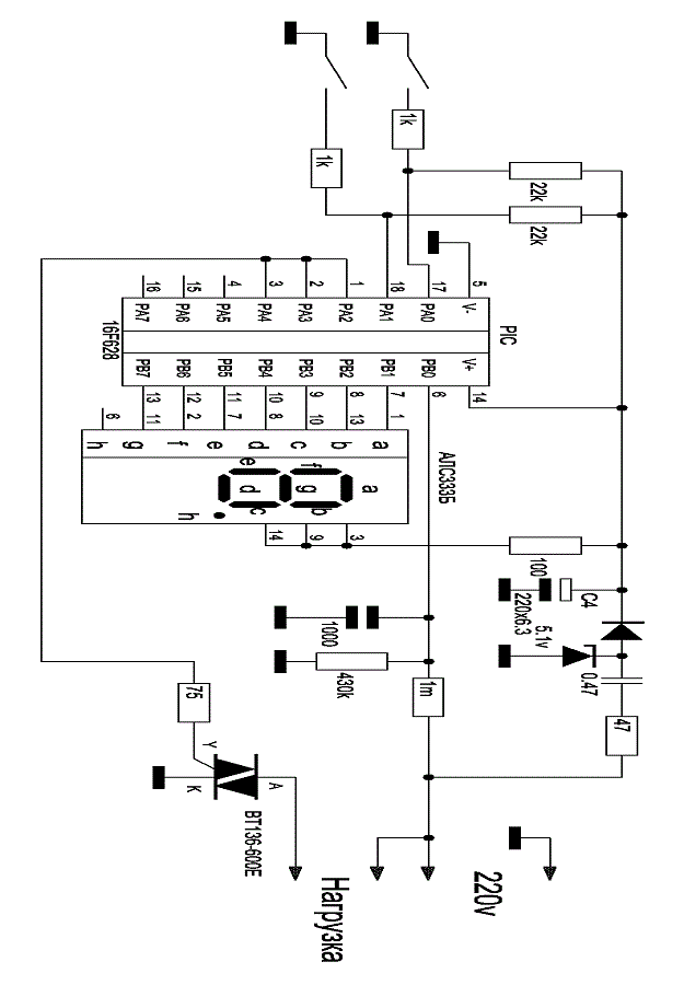
| По этой схеме у меня коммутируется сейчас полуавтомат. Доработки минимальные. |
|
sofrina
Модератор
Сообщения: 4833
|
tarasv, Именно на ПИКе нужен регулятор или пойдет любой другой цифровой? Как вариант посмотри в "Радио №1, 1991 г., стр.60"
ДОБАВЛЕНО 22/12/2010 21:43
Могу конечно ошибаться,но в сварочных аппаратах регулируеся ток и лучший вариант будет конечно магнитный усилитель,если все-же нужен на тиристорах(триаках) и ПИКе,то получается нужна регулировка напряжения не от 0 до 100 % ,а скорее 60....95 % |
|