ESpec - мир электроники для профессионалов


реле сухого хода

  Список форумов » Мастерская Самоделкина
На страницу Пред.  1, 2, 3
Следующая тема · Предыдущая тема
АвторСообщение
РобертНСК 
Завсегдатай
Сообщения: 990
 
Сообщение #41 От 22/07/2010 06:39 цитата  

Немцов, вся проблемма не могу найти отдельно датчик потока.
Немцов 
Завсегдатай
Сообщения: 401
Немцов
 
Сообщение #42 От 22/07/2010 19:08 цитата  

РобертНСК писал:
вся проблемма не могу найти отдельно датчик потока.

Старый счетчик воды, убираешь систему циферблата с шестеренками. Внутри, на крыльчатке находится магнит. Вся арматура из латуни (или с бронзы). Если есть поток воды, магнит вращается. Можно с внешней стороны установить датчик из катушки с П-образными железными пластинами. Дальше электроника или вот попроще, (нужно тебе самому поэкперементировать) на датчик подключаем мост+емкость+герконовое реле.
РобертНСК 
Завсегдатай
Сообщения: 990
 
Сообщение #43 От 27/07/2010 14:02 цитата  

Немцов, усложняем? но где то видел дохлые счетчики найду посмотрю.
Немцов 
Завсегдатай
Сообщения: 401
Немцов
 
Сообщение #44 От 27/07/2010 21:46 цитата  

Куда уж проще для датчика потока. С герконовым реле похоже не выйдет, самодельный микроГЭС не потянет его. Задачу решит электронная приставка к счетчику воды.
Алгоритм такой:
При включении датчика давлении, на пару секунд должен включиться насос вне зависимости, есть вода или нет. При наличии воды система работает в обычном режиме. При отсутствии (после двухсекундного контроля потока выключается насос), включается таймер и цикл повторяется каждые 5...10 минут.
Starik4 
Бывалый
Сообщения: 78
 
Сообщение #45 От 02/08/2010 21:54 цитата  

А со свечой интересно делаешь дырку и режеш резбу диаметр 14 шаг 1,25
нет воды, нет контакта, а сопротивление воды примерно 1 ом, через транс - выпрямитель - реле простейшее управление.
Starik
РобертНСК 
Завсегдатай
Сообщения: 990
 
Сообщение #46 От 03/08/2010 16:32 цитата  

Starik4, дырдочку я уже проковырял,свечу ввернул. чутка освобожусь и -20db номинал резюка подкинет. буду собирать.
-20 dB 
Фанат форума
Сообщения: 7674
-20 dB
 
Сообщение #47 От 07/08/2010 09:47 цитата  

РобертНСК писал:
...и -20db номинал резюка подкинет. буду собирать.

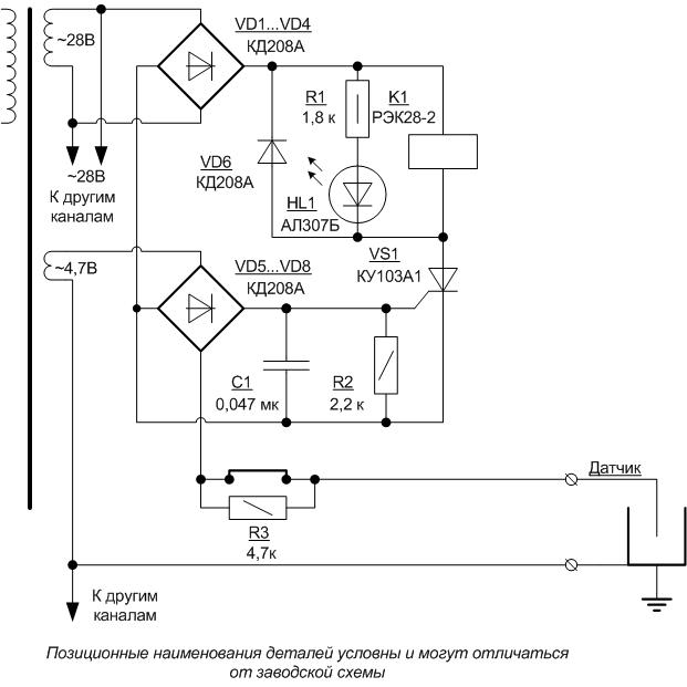
В общем, отчёт о выходе на работу:
РОС-301 (даже раздолбанных) ни в одной мастерской уже не нашлось. Нашлись пара его родных братьев ЭРСУ-3Р.
При анализе выяснилось,то это тот же РОС, только с некоторыми изменениями - все релейные мостики запитаны от одной обмотки 28 В.
Независимые обмотки на каждый электрод так и остались (напряжение каждой - 4,7 В). В мостиках вместо КД105 применены КД208, реле - РЭК28-2.
Номиналы резисторов -
Ограничения тока светодиодов: 1,8 кОм, 0,5 Вт
Шунтирующего УЭ: 2,2 кОм 0,25 Вт (кстати, параллельно ему установлен ещё и плёночный конденсатор 47 нФ, и помнится смутно, что в РОСе эти конденсаторы тоже были)
На входе, зашунтированные перемычками - 4,7 кОм 0,25 Вт (о назначении этих перемычек доки умалчивают, однако, судя по тому, что перемычки в плату впаяны жёстко, рядовому пользователю их назначение знать и не полагалось).
-20 dB 
Фанат форума
Сообщения: 7674
-20 dB
 
Сообщение #48 От 07/08/2010 11:04 цитата  

Вот уже исправленная схема одного канала (передрал собственноручно с платы ЭРСУ-3Р):

  РОС-301.jpg  41.38 КБ  Скачано: 1974 раз(а)
РобертНСК 
Завсегдатай
Сообщения: 990
 
Сообщение #49 От 10/08/2010 15:58 цитата  

-20 dB, БОЛЬШОЕ СПАСИБО!!!
-20 dB 
Фанат форума
Сообщения: 7674
-20 dB
 
Сообщение #50 От 10/08/2010 16:16 цитата  

РобертНСК, да не за что особо... Кстати, за это время и плату когда-то убитого РОС-3М приволокли. Номиналы деталей кроме марок диодов абсолютно те же (включая пропущенный на первой схеме и добавленный здесь конденсатор). Буква М видимо означает установленные мостики КЦ407А вместо мостиков на КД105 в РОС-3 без М. Ну, про питание релюх в РОСе от отдельных обмоток в отличие от ЭРСУ я уже писал - видимо, всё отличие в этом и заключается.
shuv2005 
Заглянувший
Сообщения: 1
 
Сообщение #51 От 08/12/2011 10:12 цитата  

Реле протока и давления в одном лице - BRIO2000.

ДОБАВЛЕНО 08/12/2011 11:15

Может работать без расширительного бачка с диафрагмой.

Перейти: 
Следующая тема · Предыдущая тема
На страницу Пред.  1, 2, 3
Показать/скрыть Ваши права в разделе

Интересное от ESpec


Другие темы раздела Мастерская Самоделкина



Rambler's Top100 Рейтинг@Mail.ru liveinternet.ru