| Автор | Сообщение |
|
maxsaf
|
| Дано: батарея из нескольких 12v аккумуляторов, соединенных последовательно. Задача - зарядить батарею 12-вольтовым зарядным устройством, не производя механического (ручного) переключения зарядника от одного аккумулятора к другому.... Помогите решить задачку.... |
|
agent007
Фанат форума
Сообщения: 4294
|
| скорей всего не получится без переделки зарядного. |
|
мастер-ломастер
Модератор
Сообщения: 9972
|
| maxsaf, акки соединить последовательно через диоды, и все + вместе и -- вместе, тогда нужна мощная зарядка, попробуй. |
|
|
maxsaf
|
| мастер-ломастер писал: | | maxsaf, акки соединить последовательно через диоды, и все + вместе и -- вместе, тогда нужна мощная зарядка, попробуй. | И как вы себе представляете такую схему? (Зарядка 12в достаточной мощности) |
|
-20 dB
Фанат форума
Сообщения: 7674
|
|
БЕЗЫМЯННЫЙ
Бегущий по граблям
Сообщения: 7608
|
| лехко, зарядник на 12хN вольт. |
|
serega-64
Старший модератор
Сообщения: 10180
|
| Строй преобразователь,опять же вопросы - скока аккумов и какая емкость в отдельности? |
|
|
maxsaf
|
| -20 dB писал: |  | Ваша схема наиболее полно соответствует поставленной задачи, за исключением "механических" кнопок и переключателей. можно ли начертить подобное на транзисторах? и завязать на наличие 12в на зарядном устройстве, чтобы при отсутствии этого напряжения аккумуляторы подключались в последовательную батарею, а при наличии 12 в на зарядном- разрывали последовательную цепь, и заряжались параллельно от 12В |
|
serega-64
Старший модератор
Сообщения: 10180
|
| maxsaf писал: | | Ваша схема наиболее полно соответствует поставленной задачи, за исключением "механических" кнопок и переключателей. можно ли начертить подобное на транзисторах? и завязать на наличие 12в на зарядном устройстве, чтобы при отсутствии этого напряжения аккумуляторы подключались в последовательную батарею, а при наличии 12 в на зарядном- разрывали последовательную цепь, и заряжались параллельно от 12В |
Вот енто будет огород!  |
|
n max
Модератор
Сообщения: 17600
|
| на каждый аккум свой транс с двух или однополупериодным выпрямителем подкл постоянно и можно заряжать одним рубильником если котроллер типа пик поисобачить и мешок симмисторв то можно и заряд отслеживать каждого аккума-умный шкафчик выйдет в духе времени |
|
-20 dB
Фанат форума
Сообщения: 7674
|
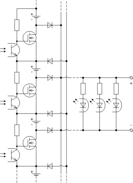
Ну, ПРИБЛИЗИТЕЛЬНО так (переделка прежней схемы на управление MOSFETами)... Именно ПРИБЛИЗИТЕЛЬНО, поскольку накидал влёт, и недочётов тут может оказаться туева хуча. Впрочем, одну лажу и сам вижу: силовое питание на диоды должно подаваться с задержкой относительно светодиодов оптронов, иначе через открытые MOSFETы и диоды будет "утекать" весь ток ЗУ, а светодиоды оптронов не зажгутся никогда. След-но, надо ставить ещё один ключ с задержкой - между светиками оптронов и остальной схемой. В общем - сначала закрыть ключи, потом - подавать силу на диоды... Можно, конечно, ещё покумекать, мабуть и ещё где-то баги есть, но головоломка интересна только до тех пор, пока она - головоломка, а если это практический проект - это дело уже должно окупаться.

Кроки_.jpg 24.81 КБ Скачано: 2454 раз(а)
|
|
n max
Модератор
Сообщения: 17600
|
непризводительные потери энергии будут в этой системе или супертанзисторы ставить с диодами тогда цена девайса............
при большой силе тока это актуально-будет печка в квартире |
|
-20 dB
Фанат форума
Сообщения: 7674
|
ЗЫ: ...да и смысла не имеет - проще избавиться от условия "... 12 В зарядного устройства". Если батарея уж настолько большая, что неохота связываться с высоковольтными источниками, то как вариант - двухтактный полумостовой преобразователь с трансформаторным выходом, и по развязывающему трансформатору с диодом (или мостом) во вторичной обмотке на каждую банку (батарею банок 12 В).
ДОБАВЛЕНО 07/05/2011 1:16 AM
Упс... не успел отправить. Это было ЗЫ к моему предыдущему посту...
 |
|
n max
Модератор
Сообщения: 17600
|
| если акки на 12вольт то и блоки атх подойдут немного доработанные |
|
-20 dB
Фанат форума
Сообщения: 7674
|
| n max писал: | | если акки на 12вольт то и блоки атх подойдут немного доработанные |
Вместо полумоста? В общем-то, да: где-то несколько ранее в этом же разделе обсуждалась переделка БП ATX под зарядное устройство. Но для ОС по току придётся брать какую-то конкретную 12 В секцию. Если взять нижнюю (в смысле - самую отрицательную), то ОС по напряжению (прекращение заряда), возможно, удастся взять делителем со всей батареи. |
|
serega-64
Старший модератор
Сообщения: 10180
|
Че та мы тут пыжимся,а хгде аФтор.Он может забил на ето дело,а нам извилины в кучу!  |
|
n max
Модератор
Сообщения: 17600
|
| перед сном полезно напрячь извилины потом праздники можно и расслабить мозг.Переделка блока для зарядки аакума в журнале была со схемой собирал-работает помоему в радио или в радиоаматоре(украина) |
|
-20 dB
Фанат форума
Сообщения: 7674
|
Во! Нашёл тему, где ATX БП в зарядник превращали: http://monitor.espec.ws/section44/topic140958.html
Вроде, ничего не мешает впихнуть после вторички транса кучу развязывающих трансиков, а ОС взять с одного из них... Впрочем, сильно не разбирался, как это сделать - у нас уже третий час ночи, не сезон для кипения моцка, да и непонятно, каковы цели и дальнейшие планы автора - может, оно ему и не надо... |
|
|
maxsaf
|
| Это чистой воды головоломка, до практического применения тут дело если и дойдет, то лишь чтобы потестировать, теорию проверить на практике.... Насчет зарядки, я думаю, не обязательно заряжать все аккумы одновременно, ибо это вроде как нерациональным признали.... достаточно будет заряжать их поочередно, что-то типа схемы с бегущим "огнем"... |
|
n max
Модератор
Сообщения: 17600
|
| вообщето надо знать ёмкость и силу тока разряда дабы что то спроектировать,а потом прикинуть схемно как это реализовать |
|