| Автор | Сообщение |
Staker
Завсегдатай
Сообщения: 870
|
Jorg63, слесарка-ет к моим коллегам, за стенкой
ДОБАВЛЕНО 25/09/2013 00:02
почему же толку 0?...А опыт? Он бесценный!  |
|
|
DILO
|
| А это уже на усмотрение руководства предприятия. Я работал на одном предприятии - так там ЭЛЕКТРИКИ подключали оборудование только в РП и все .а непосредственно ремонтом самого электрооборудования занимались мы Т.Е.ЭЛЕКТРОМОНТЕРЫ. А каста ЭЛЕКТРОСЛЕСАРЕЙ занималась исключительно сьемом .разборкой-сборкой двигателей |
|
Jorg63
Передовик
Сообщения: 1185
|
| Staker писал: | Jorg63, слесарка-ет к моим коллегам, за стенкой
|
и что в твоей шараге слесаря в электроустановках гайки крутят.
ДОБАВЛЕНО 24/09/2013 23:08
Отвлеклись уж слишком!на электрика со 2 группой допуска.  |
|
|
DILO
|
| Так если ты электромонтер по ремонту эл оборуд. у тебя должна быть 3-я группа до 1000 вольт- кажется раньше так было |
|
Staker
Завсегдатай
Сообщения: 870
|
| Jorg63, не слесаря-электрики а обычные слесаря, занимаются гидравликой, механикой, наладкой и т.д. Мое дело электричество. |
|
Jorg63
Передовик
Сообщения: 1185
|
| DILO писал: | | Так если ты электромонтер по ремонту эл оборуд. у тебя должна быть 3-я группа до 1000 вольт- кажется раньше так было | так оно и счас есть.к.У меня 4 группа допуска.Если это тебе кажется что так было то я представляю как на самом деле у вас организована работа.только в журнале и расписываетесь и никаких проверок знаний.а может и журнала как такового и нет ваще,если выражаетесь так неуверенно-КАЖЕТСЯ!Для электрика это не простительно! |
|
Staker
Завсегдатай
Сообщения: 870
|
| DILO, Я имею дело только с 380/220 и ниже. 1кВ мне нафиг ненадо. |
|
|
DILO
|
| Жорж 63 насчет УЗО- в твоем варианте его использования в качестве защиты от превышения напряж. А как оно себя поведет если на него 380 прийдет? То что оно сработает при открыван.варист.-это понятно. Но даже после срабатывания на его входе всеравно будет присутствовать не 220 а гораздо больше. Не накроется ли это все дело медным тазом? |
|
Jorg63
Передовик
Сообщения: 1185
|
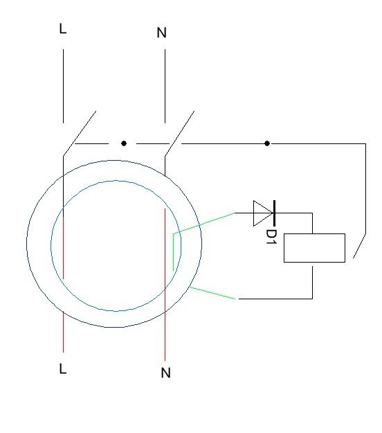
| DILO писал: | | Жорж 63 насчет УЗО- в твоем варианте его использования в качестве защиты от превышения напряж. А как оно себя поведет если на него 380 прийдет? То что оно сработает при открыван.варист.-это понятно. Но даже после срабатывания на его входе всеравно будет присутствовать не 220 а гораздо больше. Не накроется ли это все дело медным тазом? | А чему ему накрываться каким то тазом?При превышении напряжения на варисторе(можно сапрессор использовать на вольт 350-400) выше рабочего банально отключиться контакты УЗО.Схему подключения глянь!с выхода цепочка на фазу подключена!. разорвется контакт,откуда фазе браться?если хочешь проверить как работает то подключи лампочку согласно схемы,мгновенно УЗО отключиться!даже в пол накала лампочка не успеет загореться
ПОВТОРЯЮ! УЗО ДОЛЖНО БЫТЬ ЭЛЕКТРОМЕХАНИЧЕСКОЕ!Ничего там нет электроники кроме диф.токового транса и катушки исполнительного спускового реле которая питаеться от вторичной обмотки диф транса,типа транса тока.,Оно и стоит почти в 2 раза дороже электронного.ЭЛЕКТРОННОЕ СГОРИТ РАНЬШЕ ЧЕМ СРАБОТАЕТ,вернее ваще не отключиться!а как проверить какое УЗО я также написал, Некоторые УЗО срабатывают от 1.5-3 вольтовой батарейки подключаемой на замкнутые контакты.
Вот схема внутренняя эл. мех .УЗО и что в нем повредиться?
схеме эл.мех реле.jpg 16.73 КБ Скачано: 444 раз(а)
|
|
Staker
Завсегдатай
Сообщения: 870
|
|
|
AleksanderG
|
А вы знаете, я с како-то долей уважения отношусь к упорству гражданина Staker. Ведь доведет до конца работу, я так думаю.
Ну ладно это все пафос. Теперь настала моя очередь. Выкладываю свои наработки. Сила - ключи SIEMENS BSM 50GB 100D, мост FUJI GR175G-160. Дроссель Е70 12 витков литцендрат 13мм.кв.
осаго
Скелет
ДОБАВЛЕНО 25/09/2013 10:26
Скелет силы диоды на медную пластину, пластину на радиатор через "Намикон"
осаго
Транс, шунт 300А, соответственно головка.
осаго
Сила в общем
осаго
Ферит Н2000 НМС 1-14 ПУ 0.707.671.ТУ Белая Церковь. Первичка литцендрат 13мм.кв. 16 витков вторичка две по 3.5 витка литцендрат сечение где-то около 70 кв.мм. П-образные сегменты. На фотке размеры. Сердечник собран из 8 сегментов.
осаго
Вид с боку
осаго |
|
Skif
Завсегдатай
Сообщения: 876
|
мда... Еще золотые провода и корпус с инкрустацией бриллиантами. нашо такую комплектуху в свинореза пхать? тем более в первый. Если стрельнет, это ж будет как серпом по яйцам. Это уж другая крайность. Sraker думает как бы дерьмом с помойки обойтись, а тут с точностью до наоборот.
Поберегите такую комплектуху для будущих проектов, а первый соберите на банальных полтинниках |
|
|
AleksanderG
|
| Мне ее что солить? Дай бог насолено у меня за много лет багато. (Типа - усушка,утруска). По поводу стрельнет спасибо гражданину что допекал вас всех, а я читал. Не уверен что все получиться сразу. Но как я уже сказал после Staker я второй на очереди. |
|
oleg1ma
Завсегдатай
Сообщения: 371
|
|
Staker
Завсегдатай
Сообщения: 870
|
AleksanderG, транс, конечно, монстр С такого до 250-270А думаю снять будет можно. Я вот например наоборот стараюсь сделать вес полегче и габариты поменьше т.к. аппарат задумывался как переносной. А компоновка хорошая. Интересно сколько ключики такие стоят... |
|
|
AleksanderG
|
750грн с НДС - один, Моя цель получить не предельно высокие токи, а надежность. Меня вполне устроит рабочий ток до 200А. А больше мне и не надо. Но я честно сомневаюсь что выйду на эту цифру. Все-таки хочется работать в основном 3-кой ну иногда 4-кой. И аргоном балуюсь, а аргоном надо приходится работать непрерывно делая длинные швы соответственно коэфициент непрерывный 100% - 160А меня очень=бы даже устроил.(НАДЕЖНОСТЬ).
К стати СТАКЕР вставлю и свои 5 копеек по поводу сопротивлению проводов. После нагрузки аппарата потрогай "проводочки", какие теплые те на замену большего сечения. И не забываем еще про переходные сопротивления контактов.Тоже потрогай. Где тепло там проблемма. Успехов.
Единственное что меня напрягает,так это теплоотвод от диодов, как они справятся? |
|
|
DILO
|
| Вопрос по поводу УЗО снят с повестки дня-вопросов нет |
|
Staker
Завсегдатай
Сообщения: 870
|
AleksanderG, богатый ты человек ,наверное... раз такие ключи ставишь! А надежнесть зависит не от стоимости коплектухи а от умения ею правильно воспользоватся! Удачи в творчестве  |
|
oleg1ma
Завсегдатай
Сообщения: 371
|
| Если для себя любимого, то почему-бы нет.Хороший аппарат, проф. стоит тоже немалых денег.А то, что ваяеш ты Staker, рядом даже по надежности и с китайцем не поставить. |
|
|
DILO
|
| АЛЕКСАНДЕР? А где раздобыл такие радиаторы? |
|