ESpec - мир электроники для профессионалов


panasonic nv-fj610

  Список форумов » Мастерская Самоделкина

Следующая тема · Предыдущая тема
АвторСообщение
artem11114 
Заглянувший
Сообщения: 1
 
Сообщение #1 От 15/11/2019 21:35 цитата  

всем доброго времени.
суть вопроса такова.
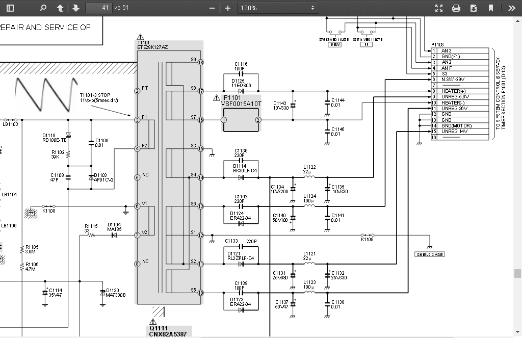
есть видеомагнитофон panasonic nv-fj610. решил использовать его корпус под свои нужды вместе с его бп. и найдя схему, как правило сверил выходное напряжение по пинам.
на схеме указаны одни а в реале четко в 2 раза выше. пробежался по трансу, все ок.
так и должно быть или все таки есть проблема в пб. сам маг работал до разборки. пугает несоответствие напряжения бп к схеме.

  2019-11-15_203354.png  129.24 КБ  Скачано: 196 раз(а)
  2019-11-15_203440.png  58.18 КБ  Скачано: 192 раз(а)
ALEGA 
Завсегдатай
Сообщения: 502
 
Сообщение #2 От 16/11/2019 00:15 цитата  

Шото не так меряете , или тестер врет.Если бы напряжение было бы в два раза больше , то не было бы уже этого БП , электролиты порозрывало бы.
FreddikMerfi 
Автокран Ивановец
Сообщения: 4058
FreddikMerfi
 
Сообщение #3 От 16/11/2019 01:06 цитата  

artem11114, всё очень просто, без нагрузки и тем более электронным китайским мультиметром серии 830 так и будет. Нагрузите выходы блока питания хотя бы лампочками на соответствующее напряжение.
БЕЗЫМЯННЫЙ 
Бегущий по граблям
Сообщения: 7608
 
Сообщение #4 От 16/11/2019 08:20 цитата  

FreddikMerfi, не вводи человека в заблуждение, при живых емкостях как минимум одно напряжение которое унрег 5,6 должно стоять как положено даже без нагрузки. Тестером бы для проверки какое нибудь известное в районе 10-12 в. напряжение измерить.
ALEGA 
Завсегдатай
Сообщения: 502
 
Сообщение #5 От 16/11/2019 11:11 цитата  

FreddikMerfi, стабилизация в БП ШИМ происходит не за счет амплитуды импульса а за счет его длительности(скважности)artem11114, Нагрузить БП можна резисторами 1к на каждых 10в питания , соответственно 500 ом на 5в питания.
FreddikMerfi 
Автокран Ивановец
Сообщения: 4058
FreddikMerfi
 
Сообщение #6 От 16/11/2019 13:30 цитата  

БЕЗЫМЯННЫЙ, ну почему же? Блоки Питания компьютерные без нагрузки на мультиметр к примеру выдают 12, 25 вольт к примеру, а как нагрузиш, то уже падает до 11.75 к примеру. Цифры условные.
ALEGA, а тут по схеме стабилизация не по обратной связи по току сделана?
БЕЗЫМЯННЫЙ 
Бегущий по граблям
Сообщения: 7608
 
Сообщение #7 От 16/11/2019 14:43 цитата  

FreddikMerfi, хоть раз встречал чтобы относительно живой комповый бп без нагрузки выдавал 10в по 5 вольтовому каналу? Откровенный бред не надо нести в массы. Для понять как сделана стабилизация в начале темы схема есть. Стабилизацию по току встречал только в источниках тока, в источниках напряжения не приходилось.
БВК- 
Участник
Сообщения: 199
БВК-
 
Сообщение #8 От 16/11/2019 22:22 цитата  

TL431 и оптопару проверить не надо?
FreddikMerfi 
Автокран Ивановец
Сообщения: 4058
FreddikMerfi
 
Сообщение #9 От 17/11/2019 19:53 цитата  

БЕЗЫМЯННЫЙ, по 5 вольтовой инии нет, а вот по 12 вольтовой линии встречал и часто, но не на столько завышано как Вы описали.

Перейти: 
Следующая тема · Предыдущая тема
Показать/скрыть Ваши права в разделе

Интересное от ESpec


Другие темы раздела Мастерская Самоделкина

111


Rambler's Top100 Рейтинг@Mail.ru liveinternet.ru