| Автор | Сообщение |
|
timer55
|
| Здравствуйте! Как ограничить пиковый ток сглаживающих конденсаторов до ниже 40 А? Конденсаторы 4 штуки по 10000 мкф 220 в. Может использовать сварочный инвентор? Только там напряжение 60 -80 вольт. Как его повысить? |
|
sheva0000
Передовик
Сообщения: 1296
|
| мало информации. При выпрямленном 220В будет 310В постоянки на конденсаторах. Ограничить ток нужно при первом подключении в сеть? Смотрите схемы инверторов, там ставят токоогран. резистор, и параллельно ему реле, которое включают с задержкой или при достижении уровня напряжения на конденсаторах |
|
gsn
Фанат форума
Сообщения: 5650
|
блин, какой "умный" вопрос-запрос на ответ от бомжа, тобишь профиль не заполнен!
на мусорке нашёл?  |
|
paronnikov1
Передовик
Сообщения: 1382
|
Бомж не знает, что такое Ампер! А профиль, не разобрался еще пока человек на сайте  |
|
toto
Фанат форума
Сообщения: 3344
|
timer55,
зачем ограничивать? |
|
Lenchik
Фанат форума
Сообщения: 7937
|
| timer55, Если рельсган собрался делать или гаусс пушку, то специальные схемы есть для зарядки. Типа ШИМ стабилизатор тока. Плавно заряжает и без тепловых потерь. |
|
|
timer55
|
| А реле успеет срабатывать в пол периода, за 0.5 мс? |
|
|
timer55
|
Задача такая, конденсатор работает в пол периоде, 4мс заряжается, 6мс - разряжается. Напряжение
в пределах 225в хочу подать через емкостной делитель. Резистор с реле для первого включения, да.
В дальнейшем его применение, сводит задумку на нет. Расчетный пиковый рабочий ток в пределах 20А.
Мне интересно, чтобы сопротивление зарядки стремилось к нолю.
ДОБАВЛЕНО 23/03/2016 19:52
Расчетное напряжение в конце разряда получается 218в.
При регистрации не было предложено заполнить профиль. Как это делается?
А от сумы и от бомжи ни кто не застрахован.Их, в наше доблестное время,
прибавляется по тысячи ежедневно. А gsnу, советую следить за языком своим.
Не у Фроньки на именинах.
ДОБАВЛЕНО 23/03/2016 20:00
Забыл добавить, все расчеты на один блок, а их четыре в параллели. |
|
БЕЗЫМЯННЫЙ
Бегущий по граблям
Сообщения: 7608
|
timer55, вы бы задумку свою малость приоткрыли, ну картинку какую нибудь, схемку аль чертеж. А то ведь совсем непонятно что и для чего надо.
уж не об альтернативной энергетике или вращении счетчика назад мысли бродят? |
|
Lenchik
Фанат форума
Сообщения: 7937
|
| timer55, чем дальше в лес, тем толще партизаны. Так бы и сказали что надо ограничивать ток каждого периода. Это достигается дросселем включенным после диода (диодов). Пассивный корректор мощности называется. Позволяет потреблять ток из сети в течении почти всего полупериода, а не только на пике. |
|
БЕЗЫМЯННЫЙ
Бегущий по граблям
Сообщения: 7608
|
| Lenchik, погоди, может завеса тайны малость опустится. Там похоже че-то серьезное затевается и ограничение тока это только малая часть проблемы. |
|
gsn
Фанат форума
Сообщения: 5650
|
timer55, знаешь, с твоими познаниями элементарной электротехники, даже не электроники, ты хрен за такое время зарядишь-разрядишь конденсатор заявленой тобой ёмкости!
Разве что создать батарею из 1000штук конденсаторов по 10мкф, и соответственно сложная схема запитки!
В твоём случае, даже при включении ус-ва в больших кондёрах отгорят нахрен подводы внутри, там ток огромный, соизмерим с КЗ!
Заходи к Фроньке на именины!
пс: а насчёт бомжа, я чисто за отсутствие профиля, но проблема поправлена, вижу  |
|
|
timer55
|
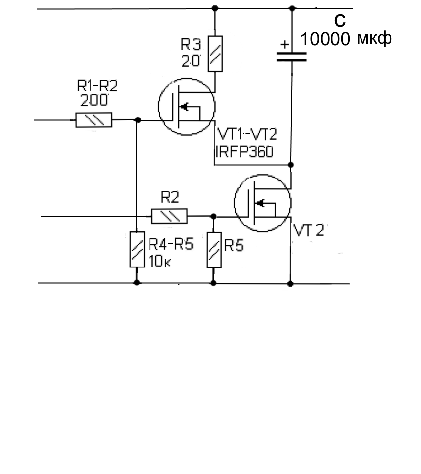
Отправляю, что задумал.А как прикрепить файл?
ДОБАВЛЕНО 23/03/2016 21:38
Вот
.png 89.4 КБ Скачано: 308 раз(а)
|
|
БЕЗЫМЯННЫЙ
Бегущий по граблям
Сообщения: 7608
|
| Хорошая схема, главное что назначение ее сразу понятно. А в вопросах ограничения тока в ней сразятся не на жизнь а на смерть выходное сопротивление источника питания с сопоотивлением открытого канала полевика и внутренним сопротивлением конденсатора. Кстати что то я не вижу анонсированного емкостного делителя постоянного наряжения. Интересно, 10000 мкф за 0,4 мс до 218в и обратно за 0,6 мс это какая средняя мощность получается? |
|
Rom-Zecs
Передовик
Сообщения: 2900
|
| Через 20 ом сколько ампер ДОЛЖНО пойти? |
|
Lenchik
Фанат форума
Сообщения: 7937
|
| Это похоже очередной "вечный двигатель". "Экономайзер" электроэнергии. По мысли теоретиков недоучек, должен сдвигать фазу между током и напряжением на 180 градусов и счетчик перестанет крутится. |
|
|
timer55
|
Некоторые данные по расчетам:
1. U(t раз), где t =0.006 -окончание разряда=218.35в, Uвх=225в,
Uп=225-218.35=6.65в.
2. Iпик=C*du/dt=0.01*6.65/0.004=16.625А.
3. Iзар=16.625*√0.004/0.01/3=6.07А
4. Iраз=11.4*0.006/0.01=6.84А 11.4- ток потребления. Т.ч. два блока сеть потянет.
ДОБАВЛЕНО 24/03/2016 14:14
Интересно, куда делся пост, где говорилось о зарядке ШИМом? Мне и раньше приходила эта мысль, но прошла как-то
вскользь, теперь(с совета автора), я убедился, что она правильная. Большое спасибо, подсказали верное решение!
Если можно, поподробнее. Мой Адрес: . |
|
БЕЗЫМЯННЫЙ
Бегущий по граблям
Сообщения: 7608
|
| timer55, если можно вкратце, что это будет в целом? |
|
Rom-Zecs
Передовик
Сообщения: 2900
|
| Колебание 7в дальше продолжать? |
|
БЕЗЫМЯННЫЙ
Бегущий по граблям
Сообщения: 7608
|
| Rom-Zecs, вы наверное с timer55, заодно и давно знаете что он изобретает. Ну ладно, изобретайте дальше. |
|