| Автор | Сообщение |
Valeriynew
Передовик
Сообщения: 1792
|
| shmula писал: | | и запорными клапанами в данном случае не ,,катит,, |
Схема без клапанов будет выглядеть так. От каждого дома до щитка нужно протянуть один двухжильный силовой (1,5-2,5 мм2) и один трехжильный для кнопок "Пуск-стоп" (1,0-1,5 мм2). От щитка до насоса один трехжильный (два силовых, третий заземление).
-1.jpg 140.34 КБ Скачано: 156 раз(а)
|
|
RomanRB
Модератор
Сообщения: 31879
|
| Valeriynew писал: | | От каждого дома до щитка нужно протянуть один двухжильный силовой (1,5-2,5 мм2) От щитка до насоса один трехжильный (два силовых, третий заземление). |
Добрый вечер мои юные линейщики.
Ну вот опять неправильно говорите.
От дома мы тащим без заземления, а после щитка мы тащим с заземлением.... Оригинально.
Возникает логичный вопрос, а откуда земля возьмётся?
Или вы ещё отдельно контур выравнивания потенциалов решили закопать?  |
|
Valeriynew
Передовик
Сообщения: 1792
|
| RomanRB писал: | От дома мы тащим без заземления, а после щитка мы тащим с заземлением.... Оригинально.
Возникает логичный вопрос, а откуда земля возьмётся?
Или вы ещё отдельно контур выравнивания потенциалов решили закопать?  |
А зачем тащить четыре земли, если достаточно одной от того, у кого будет щиток собран???
Дедушка, ты на солнце не перегрелся, случайно???  |
|
RomanRB
Модератор
Сообщения: 31879
|
| Valeriynew писал: | А зачем тащить четыре земли, если достаточно одной от того, у кого будет щиток собран???
Дедушка, ты на солнце не перегрелся, случайно???  |
Доброе утро, мои юные естествоиспытатели!
А кто говорил, что этот щиток у кого-то будет дома стоять?
И скажите мне, вы уже определились с системой электроснабжения и знаете какая у вас сейчас применена?
| Цитата: | система TN — система, в которой нейтраль источника питания глухо заземлена, а открытые проводящие части электроустановки присоединены к глухозаземлённой нейтрали источника посредством нулевых защитных проводников;
система TN-С — система TN, в которой нулевой защитный и нулевой рабочий проводники совмещены в одном проводнике на всём её протяжении;
система TN-S — система TN, в которой нулевой защитный и нулевой рабочий проводники разделены на всём её протяжении;
система TN-C-S — система TN, в которой функции нулевого защитного и нулевого рабочего проводников совмещены в одном проводнике в какой-то её части, начиная от источника питания;
система IT — система, в которой нейтраль источника питания изолирована от земли или заземлена через приборы или устройства, имеющие большое сопротивление, а открытые проводящие части электроустановки заземлены;
система ТТ — система, в которой нейтраль источника питания глухо заземлена, а открытые проводящие части электроустановки заземлены при помощи заземляющего устройства, электрически независимого от глухозаземлённой нейтрали источника. |
А может ни у кого из соседей нет защитного заземляющего проводника? Что делать будем?
Или может у вас уже есть расчёты по растеканию или замеры сопротивлений на контурах?
Может прежде чем предлагать и говорить, нужно сначала подумать, а прежде чем подумать, умных книжек почитать или умных людей послушать?
И ещё раз повторяю, выражайте ваши мысли точнее. Точные науки требуют точных решений и точных ответов.
Если-бы у меня был такой же подход к делам как у вас (коммутация нуля, пренебрежение защитными проводниками которые препядствуют появлению напряжения прикосновения, исключение блокировок и защит, незнание конструктива...), мои юные естествоиспытатели, то меня бы уже давно уволили....
Вспомнилось, как лет десять назад собирал и налаживал автоматизированную линию по обжигу на предприятии в цехе. Когда горе электрики подключились к фидеру в КТПН по 5-ти проводной схеме и включили, не проверив правильность подключения жил и когда спалили полцеха за пару секунд.... Запомнилось крылатое выражение одного из них: "У них ноль синий!"
 |
|
Valeriynew
Передовик
Сообщения: 1792
|
| RomanRB писал: | | А может ни у кого из соседей нет защитного заземляющего проводника? Что делать будем? |
А если ни у кого нет, то по большому счету, никакая земля здесь и не нужна. Насос находится в воде, вода в земле и какое здесь еще нужно заземление? Из земли в землю?
| RomanRB писал: | | И скажите мне, вы уже определились с системой электроснабжения и знаете какая у вас сейчас применена? |
Да без разницы какая. По последней схеме и "фазы" и "нули" ВСЕ разделены, так что нужно только определить от каждого, где "фаза", а где "ноль". И даже если перепутать "фазу" и "ноль" на вводе, схема всеравно будет работать и никакого замыкания не произойдет.
Так что можно собирать и не бояться, главное на сборке самого щитка ничего не перепутать.
RomanRB по твоим расчетам похоже мы АЭС подключаем, а не обычный насос.
Еще раз оговорюсь, я электронщик, а не электрик, но в электрике разбираюсь. Неоднократно приходилось делать электрику + охр. и пож. сигнализацию в домах, подключать станки и линии на частных предприятиях, даже смолоду в двух российских монастырях (на заре их восстановления) Шамордино и Хотьков электрику делать. И все везде начинало работать с первого раза.
| RomanRB писал: | | Вспомнилось, как лет десять назад собирал и налаживал автоматизированную линию по обжигу на предприятии в цехе. Когда горе электрики подключились к фидеру в КТПН по 5-ти проводной схеме и включили, не проверив правильность подключения жил и когда спалили полцеха за пару секунд.... Запомнилось крылатое выражение одного из них: "У них ноль синий!" |
А в эту сказку не верю. Если на предприятии, то допуск у них был. И при подключении всегда проверяются где фазы, а где ноль (независимо от цветов), так как мало кто и как сделал до этого. |
|
|
shmula
|
| Valeriynew писал: | | shmula писал: | | и запорными клапанами в данном случае не ,,катит,, |
Схема без клапанов будет выглядеть так. От каждого дома до щитка нужно протянуть один двухжильный силовой (1,5-2,5 мм2) и один трехжильный для кнопок "Пуск-стоп" (1,0-1,5 мм2). От щитка до насоса один трехжильный (два силовых, третий заземление). | Waleryinew не нахожу контакторов на 6 груп (3 замкн. 3 разомк,) придется монтировать по 2 паралельно ,может даже лучше ,один будет комутировать фазы, другой ноли .
ДОБАВЛЕНО 10/07/2020 14:55
| RomanRB писал: | | Valeriynew писал: | А зачем тащить четыре земли, если достаточно одной от того, у кого будет щиток собран???
Дедушка, ты на солнце не перегрелся, случайно???  |
Доброе утро, мои юные естествоиспытатели!
А кто говорил, что этот щиток у кого-то будет дома стоять?
И скажите мне, вы уже определились с системой электроснабжения и знаете какая у вас сейчас применена?
| Цитата: | система TN — система, в которой нейтраль источника питания глухо заземлена, а открытые проводящие части электроустановки присоединены к глухозаземлённой нейтрали источника посредством нулевых защитных проводников;
система TN-С — система TN, в которой нулевой защитный и нулевой рабочий проводники совмещены в одном проводнике на всём её протяжении;
система TN-S — система TN, в которой нулевой защитный и нулевой рабочий проводники разделены на всём её протяжении;
система TN-C-S — система TN, в которой функции нулевого защитного и нулевого рабочего проводников совмещены в одном проводнике в какой-то её части, начиная от источника питания;
система IT — система, в которой нейтраль источника питания изолирована от земли или заземлена через приборы или устройства, имеющие большое сопротивление, а открытые проводящие части электроустановки заземлены;
система ТТ — система, в которой нейтраль источника питания глухо заземлена, а открытые проводящие части электроустановки заземлены при помощи заземляющего устройства, электрически независимого от глухозаземлённой нейтрали источника. |
А может ни у кого из соседей нет защитного заземляющего проводника? Что делать будем?
Или может у вас уже есть расчёты по растеканию или замеры сопротивлений на контурах?
Может прежде чем предлагать и говорить, нужно сначала подумать, а прежде чем подумать, умных книжек почитать или умных людей послушать?
И ещё раз повторяю, выражайте ваши мысли точнее. Точные науки требуют точных решений и точных ответов.
Если-бы у меня был такой же подход к делам как у вас (коммутация нуля, пренебрежение защитными проводниками которые препядствуют появлению напряжения прикосновения, исключение блокировок и защит, незнание конструктива...), мои юные естествоиспытатели, то меня бы уже давно уволили....
Вспомнилось, как лет десять назад собирал и налаживал автоматизированную линию по обжигу на предприятии в цехе. Когда горе электрики подключились к фидеру в КТПН по 5-ти проводной схеме и включили, не проверив правильность подключения жил и когда спалили полцеха за пару секунд.... Запомнилось крылатое выражение одного из них: "У них ноль синий!"
 | RomanBB Но китайцы ,,изменили,, все представление о том что советские инженеры ,,разрабатывали,, годами |
|
RomanRB
Модератор
Сообщения: 31879
|
Добрый вечер, мои юные колхозники!
| Valeriynew писал: |
А если ни у кого нет, то по большому счету, никакая земля здесь и не нужна. Насос находится в воде, вода в земле и какое здесь еще нужно заземление? Из земли в землю? |
Яйцо в ларце, игла в яйце... Всё ясно, в общем... Дальше объяснять не стоит.
| Цитата: |
Да без разницы какая. По последней схеме и "фазы" и "нули" ВСЕ разделены, так что нужно только определить от каждого, где "фаза", а где "ноль". И даже если перепутать "фазу" и "ноль" на вводе, схема всеравно будет работать и никакого замыкания не произойдет.
Так что можно собирать и не бояться, главное на сборке самого щитка ничего не перепутать. |
Эту последнюю схему я от тебя добивался целых три страницы, на что были прямые утверждения что типа дорого получится и т.д. и т.п. И ура, свершилось чудо. Только схема похожа ну клубок, ну да фиг с ним, будем считать это издержками производства.
| Цитата: | по твоим расчетам похоже мы АЭС подключаем, а не обичный насос. |
А какая разница, где тебя или соседа прихлопнет наглухо, на АЭС или в насосе? Закон Ома один для всех.
| Цитата: | | Еще раз оговорюсь, я электронщик, а не электрик, но в электрике разбираюсь. |
Я заметил... Можно не продолжать.
| Цитата: | | Неоднократно приходилось делать электрику |
С коммутацией нуля? И кто интересно принимал?
| Цитата: | | + охр. и пож. сигнализацию в домах |
Ух ты! Я тоже люблю за ОПС поговорить. Ещё могу за АПС, АДУ, АПТ, СКУД, СС, УКУТ, АСУТП, РЗА и пр...
Может поговорим, опытом поделимся....
| Цитата: | | А в эту сказку не верю. Если на предприятии, то допуск у них был. И при подключении всегда проверяются где фазы, а где ноль (независимо от цветов), так как мало кто и как сделал до этого. |
Я и не предлагаю верить. С моё поработаешь на промышленной автоматизации, и не такое увидишь....  |
|
Valeriynew
Передовик
Сообщения: 1792
|
| shmula писал: | | не нахожу контакторов на 6 груп (3 замкн. 3 разомк,) |
Так в "Розетке" же есть, выше ссылки скидал. Да и в любом магазине по электрике должны быть. |
|
Valeriynew
Передовик
Сообщения: 1792
|
|
RomanRB
Модератор
Сообщения: 31879
|
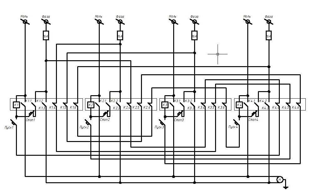
Доброе утро, мои юные проектировщики!
Вот добрался я до дома, компьютера и Автокада, и как и обещал показываю пример начертания принципиальных однолинейных схем.
Далеко не идеал и с таким оформлением мне бы эту схему засунули глубоко и надолго, предварительно скрутив её в трубочку, но за неимением времени и так сойдёт.
Итак первая схема-это управление.
Вторая схема-силовая часть.
Самое простое исполнение. Без задержек и защит. Желательно чтобы фазы были одноимённые.
Задаём вопросы, ищем ошибки, предлагаем варианты.... |
|
Valeriynew
Передовик
Сообщения: 1792
|
| RomanRB, и чем данная схема лучше??? По данной схеме разница только в том, что кнопка "Пуск" стоит паралельно контакту своего реле, а "Стоп" последовательно через все другие реле. В моем случае путь удержания реле намного короче и даже в случае подгорания контактов схема более работоспособна. |
|
RomanRB
Модератор
Сообщения: 31879
|
Valeriynew, Ты опять ничего не понял.... Моя схема не хуже и не лучше твоей. Твоя схема это твой повтор моей схемы на первой странице данной темы. Только ты её извратил до безобразия.
Я показал как строятся и проектируются данные схемы. Не более того.
| Цитата: | | В моем случае путь удержания реле намного короче |
С этого места поподробней. А то я не могу уловить ход ваших мыслей....  |
|
Valeriynew
Передовик
Сообщения: 1792
|
Твоя схема хуже, так как в случае подгорания контактов нужное реле не будет удерживаться в нажатом состоянии и нужно пересмотреть все остальные три реле, чтобы найти выновника, а если бы реле было 10, 20 или еще больше. По моей схеме, при неудержании в рабочем состоянии, выновником будет только лишь свое реле.
Моя схема никак не повторяет твою на первой странице, так как там вообще не понятно, как она должна срабатывать и работать.
| RomanRB писал: | Я показал как строятся и проектируются данные схемы. Не более того.
| Цитата: | | В моем случае путь удержания реле намного короче |
С этого места поподробней. А то я не могу уловить ход ваших мыслей....  |
Вот набросал по принцыпу твоего построения цепь управления одного реле (только контакты обозначил уже согласно своей схемы (чтобы не путаться)), остальные реле подключаются по той же схеме.
И в данной схеме для удержания реле через кнопку "стоп" задействован всего лишь один контакт (независимо от количества реле), тогда как у твоей схеме нужное реле удерживается контактами ВСЕХ реле.
Надеюсь доходчиво объяснил?
-1.jpg 44.34 КБ Скачано: 141 раз(а)
|
|
RomanRB
Модератор
Сообщения: 31879
|
Valeriynew, Японский трансформатор!
В общем твой клубок вообще тогда неправильный!
Допустим, по твоей схеме: Я потребитель номер 1, нажимаю кнопку Пуск у меня пускатель залипает, и залипает намертво, т.к. кнопка Стоп с самблоком стоит в обход блокировок.
Ты сосед номер 2, к примеру, болеешь с бодуна и тебе нужно много воды, а я тут такой красивый уже как два часа качаю себе водичку что-бы огурчики полить.
Ты походишь к щитку, и тыкаешь отвёрткой в пускатель, а так-как с бодуна, то не понимаешь куда тыкнуть и тыкаешь в любой из отключенных. Что произойдёт?
Конечно произойдёт встреча при разноимённых фазах. А это уже аварийный режим и отказ системы.
Твоя блокировка работает только на момент включения, от аварийных режимов во время эксплуатации она не спасает и не спасёт.
Я доходчиво объяснил? Перерисовывай!
ДОБАВЛЕНО 16/07/2020 11:53
И да, там нет таких токов, что-бы контакты подгорали. Они подгорают только на момент включения, в момент "О"
А запас по сечению контактов там настолько высокий, что твои внуки ещё пользоваться будут.
ДОБАВЛЕНО 16/07/2020 12:10
| Valeriynew писал: | | а если бы реле было 10, 20 или еще больше. |
Если бы было 20-ть и больше, я бы не парился, и поставил контроллер и написал под него программку, т.к. с экономической точки зрения это дешевле получится. И управлял бы не насосом , а клапанами. Там токи меньше и можно обойтись одним пускателем и встроенными реле контроллера.  |
|
Valeriynew
Передовик
Сообщения: 1792
|
При залипании реле и при тыкании отверткой будет тоже самое в обоих случаях и таже встреча фаз. Поэтому щит собирается в одном месте и нечего к нему ходить.
ДОБАВЛЕНО 16/07/2020 12:15
Все я иду работать. |
|
RomanRB
Модератор
Сообщения: 31879
|
| Valeriynew писал: | | При залипании реле и при тыкании отверткой будет тоже самое в обоих случаях и таже встреча фаз. |
Нет не будет.
| Цитата: | | Все я иду работать. |
Иди...
ДОБАВЛЕНО 16/07/2020 12:31
Может я не корректно выразился, извиняюсь.
Не залипания, а самблок. Это немного разные вещи.
А от залипания, есть ещё такая штучка, называется она модуль механической блокировки.
https://principale.ru/p390371374-mehanicheskaya-blokirovka-dlya.html
Но об этом в следующих сериях, мои дорогие друзья. |
|
power1
Передовик
Сообщения: 1240
|
Включи по GSM - GPS и гемороя с проводами нет..

|
|
Valeriynew
Передовик
Сообщения: 1792
|
| RomanRB писал: | Я потребитель номер 1, нажимаю кнопку Пуск у меня пускатель залипает, и залипает намертво, т.к. кнопка Стоп с самблоком стоит в обход блокировок.
Ты сосед номер 2, к примеру, болеешь с бодуна и тебе нужно много воды, а я тут такой красивый уже как два часа качаю себе водичку что-бы огурчики полить.
Ты походишь к щитку, и тыкаешь отвёрткой в пускатель, а так-как с бодуна, то не понимаешь куда тыкнуть и тыкаешь в любой из отключенных. |
Сосед номер 2 будет только рад поливу огурчиков, так как даже к кнопке не нужно идти (вода то в кране есть), не то что к щитку. И сосед номер 3, и сосед номер 4 будут рады, что не нужно кнопку "Пуск" жать (свою электрику жечь), пока сосед номер 1 поливает огород, ведь вода у всех есть (клапанов то нет).
Так что здесь, "старый" ты наш наставник, опять пальцем в небо попал...  |
|
RomanRB
Модератор
Сообщения: 31879
|
Valeriynew, Всё оправдания своему незнанию предмета ищешь? Я думал, что клапана мы по умолчанию ставим. Ибо без них вся схема теряет свой смысл....  |
|
|
sasaa
|
| RomanRB писал: | вся схема теряет свой смысл....  |
это давно уже понятно.Клапана ничего не решают-морды бить будут друг другу,по причине невозможности пользоваться водой в нужный момент Только счётчики,другого ещё не придумано при коллективном общежитии  |
|

|