| Автор | Сообщение |
Valeriynew
Передовик
Сообщения: 1792
|
| RomanRB писал: | [Не у всех..... У многих уже стоят ТТ нулевой последовательности.
И опять же правила. |
Вот и нужно изучить все исходные данные. Замерять напряжение между своей фазой и соседскими (вдруг там одна и та же фаза и это упростило бы схему намного). Один ли ноль у всех.
Я пока выхожу из темы, так как к другу на день рождения на 15.00 нужно ехать (50 лет исполнилось), а сейчас уже 14.20. Если нужно будет, то набросаю схему по фазам, но уже не сегодня. |
|
|
shmula
|
| Еще раз переспрошу, какое оборудование лучше и надежнее для данной реализации проекта? |
|
RomanRB
Модератор
Сообщения: 30947
|
| shmula писал: | | Еще раз переспрошу, какое оборудование лучше и надежнее для данной реализации проекта? |
Именно по этой принципиалке я ничего не буду советовать. При пробое нуля в контрольном кабеле на землю у вас могут включится все пускатели. На свой страх и риск сами подбирайте.  |
|
|
sasaa
|
| RomanRB писал: | | но Ваших познаний в энергетике и автоматизации явно не достаточно для реализации данного проекта. Поэтому предлагаю найти специалиста, который за определённую денюжку вам это всё сделает. |
Вот может нужно сначала определится-а каков,собственно, бюджет этого проекта?
А то может не стоит и копья ломать?  |
|
RomanRB
Модератор
Сообщения: 30947
|
sasaa, Шкаф ШМП, четыре пускателя второй величины (мощность двигла помпы я думаю не 20 кВт), четыре головы, четыре релюхи, кабель(длины надо считать), кнопки (можно без кнопок, автоматы однополюсные, четыре)
Тысяч 20 в рублях-оборудование/материалы(дешёвый вариант на ИЭК) Плюс работа. Сколько у вас за монтаж и ПНР берут я не знаю.
Если вариант подороже (Шнайдер, АВВ, Легранд....), то к 35-40 в рублях. Ну и так-же плюс работа. |
|
|
sasaa
|
| RomanRB, ну и вот.Осталось узнать мнение ТС по этому поводу . |
|
RomanRB
Модератор
Сообщения: 30947
|
| sasaa писал: | | RomanRB, ну и вот.Осталось узнать мнение ТС по этому поводу . |
У меня вся комплектуха для этой фиговины в принципе есть. В гараже и сарайчике надо пошукать.
Жили-бы в одной стране, сделал бы подешевле. По братски, так сказать.
Можно, как и говорил, поставить программируемое реле, одну штуку. На выходе только силовые релюшки воткнуть.
Но опять-же, надо термо-шкаф с обогревом ставить, если зимы холодные и влажность большая.
ДОБАВЛЕНО 05/07/2020 18:02
и ещё, если кабелистика в земле будет, надо ещё и трубу ПНД или тяжёлую гофру покупать, по длине кабеля. |
|
|
shmula
|
Тысяч 20 в рублях-оборудование/материалы(дешёвый вариант на ИЭК) Плюс работа. Сколько у вас за монтаж и ПНР берут я не знаю.
монтаж сделаем сами , 20т.р это 7,5 т.г, сумма на фоне скважины глубиной в 46м. плюс водопровод общ.длинной 100м. виглядит небольшой, но ..................................... |
|
Valeriynew
Передовик
Сообщения: 1792
|
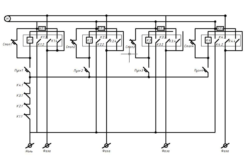
Я уже вернулся (выпивший конешно, но соображающий). Все это оборудование (по моей схеме), по нашим ценам, можно вложиться примерно в 2 т. гр. Неоднократно делал подобные схемы и еще ни разу пользователи с точностью до сотых не нажимали кнопки. У станках, по подобному принцыпу, запускаются операции, но еще ни один станок не отказался работать.
ДОБАВЛЕНО 05/07/2020 22:01
Кстати, предложите более работоспособную схему, чем моя (при условии, что у всех фазы разные, а ноль один)...
ДОБАВЛЕНО 05/07/2020 22:12
shmula, делай по этой схеме (без всяких реле времени) и я очень сомневаюсь, что Вы, с соседом, в сотые доли секунды одновременно нажмете кнопку "Пуск"...
-1.jpg 95.14 КБ Скачано: 142 раз(а)
|
|
Valeriynew
Передовик
Сообщения: 1792
|
| И даже, если в "СОТЫЕ ДОЛИ СЕКУНД" кто-то тоже нажмет, то сработает стандартный автомат отсечения или УЗО... |
|
RomanRB
Модератор
Сообщения: 30947
|
| Valeriynew писал: | Кстати, предложите более работоспособную схему, чем моя (при условии, что у всех фазы разные, а ноль один)...
|
Так вот же, на первой странице этой интеллектуальной темы.
По этой логике
| Цитата: | shmula, Схема первого контактора: К2.1, К3.1, К4.1
Второго: К1.1, К3.2, К4.2
Третьего: К1.2, К2.2, К4.3
Четвёртого: К1.3, К2.3, К3.3 |
И заметьте, исключены какие либо возможности отказа схемы. Даже при пробое нуля или фазы в кабеле на землю.
| Цитата: | | И даже, если в "СОТЫЕ ДОЛИ СЕКУНД" кто-то тоже нажмет, то сработает стандартный автомат отсечения или УЗО... |
А если не сработает? Кто проверял цепи "петля фаза-ноль"? Кто проверял, что там автоматы стоят? Может преды
или пробки? Или вообще гвоздь воткнули, на 250?
И не забывайте, что вы имеете дело с длинномерами и их коммутацией на переменном токе. А переменка на таких длинах кабелей себя очень нехорошо ведёт. Это вам не оперток на постоянке.
В общем ладно... Вы тут кубатурьте на тему: "Как не надо делать или спали дом соседа..."
А я поехал на работу... Мне до 10-го надо "свечной заводик" очередной запустить.... |
|
Valeriynew
Передовик
Сообщения: 1792
|
| RomanRB писал: | | Valeriynew писал: | Кстати, предложите более работоспособную схему, чем моя (при условии, что у всех фазы разные, а ноль один)...
|
Так вот же, на первой странице этой интеллектуальной темы. |
По этой схеме на одни и те же контакты реле цепляются разные фазы (она работоспособна, если у всех одна и та же фаза). И как контакты на разрыв соединять, если по той схеме на каждом реле его контакт на разрыв нужно отдельно выносить? И как такая схема будет работать? |
|
Valeriynew
Передовик
Сообщения: 1792
|
Схема с клапанами.
-1.jpg 98.04 КБ Скачано: 149 раз(а)
|
|
|
юрий911
|
| 1)не понятно зачем коммутировать нуль через контакты пускателей если приходящие ноли обьеденены на общий нуль 2)кнопку стоп надо ставить послеловательно с пусковой чтобы исключить послеловательного вкл катушек и обмоток двигателей или других потребителей 3)надо разделить автоматами оперативные цепи и силовую 4) клапан я бы подключил паралельно катушки пускателя |
|
Valeriynew
Передовик
Сообщения: 1792
|
юрий911, 1) приходящий ноль при срабатывании реле будет разорван (чтобы не смогла сработать другая кнопка "Пуск"); 2) а она и стоит последовательно и общим контактом подсоединена к реле; 3) автоматы можно доставить по желанию, но здесь не такая уж большая нагрузка; 4) можно параллельно, но тогда кнопка "стоп" будет иметь дополнительную нагрузку и будет иметь место подгорание контактов (если контакты в кнопок мощные, можно поставить параллельно, но так как в контакторе есть лишний контакт, то можно пустить через него (как в схеме)).
ДОБАВЛЕНО 06/07/2020 19:52
Хотя по входу каждой фазы в щиток не помешает поставить четыре одиночные автоматы на 16 А. |
|
|
юрий911
|
| 1)стоп кнопка ставится между пусковой и к1 2) посмотри на на контакт к1,2 он блокирует все твои блокировки и пусковую. кнопку |
|
Valeriynew
Передовик
Сообщения: 1792
|
| юрий911 писал: | | 1)стоп кнопка ставится между пусковой и к1 2) посмотри на на контакт к1,2 он блокирует все твои блокировки и пусковую. кнопку |
Так она так и стоит. А если ее поставить перед контактом К1.2, то все контакторы вместе сработают. Если не согласен, то нарисуй, как по-твоему должна работать схема. Контакт К1.2 никак не блокирует пусковую кнопку, так как он замкнется лишь после нажатия кнопки "Пуск". |
|
RomanRB
Модератор
Сообщения: 30947
|
| Valeriynew писал: | | По этой схеме на одни и те же контакты реле цепляются разные фазы (она работоспособна, если у всех одна и та же фаза). И как контакты на разрыв соединять, если по той схеме на каждом реле его контакт на разрыв нужно отдельно выносить? И как такая схема будет работать? |
Из цикла: Нихера не понял, но очень интересно....
А это я для чего писал?
| Цитата: | Схема первого контактора: К2.1, К3.1, К4.1
Второго: К1.1, К3.2, К4.2
Третьего: К1.2, К2.2, К4.3
Четвёртого: К1.3, К2.3, К3.3 |
И это надо применить для моей схемы...
| Цитата: | | И как контакты на разрыв соединять, если по той схеме на каждом реле его контакт на разрыв нужно отдельно выносить? |
А вот это я вообще не понял....
| Цитата: | | И как такая схема будет работать? |
Будет работать....ещё как будет.
В общем, думаем дальше....
 |
|
Valeriynew
Передовик
Сообщения: 1792
|
| RomanRB писал: | Из цикла: Нихера не понял, но очень интересно.... |
На той схеме К3.1, К4.1 подключены на две разные фазы.
Нарисовал бы полностью схему и тогда можно было обсудить работоспособность схемы. |
|
|
юрий911
|
| Valeriynew - схема все правильно просто я посчитал что пуск 1 пуск2 пуск 3 пуск 4 это автоматы а не пуск кнопка но все равно отдели нулевой провод двигателя и клапанов от контактов пускателей и сделай наглухо к вводному нулевому проводу плюс контур заземления добавь все таки вода |
|