| Автор | Сообщение |
Valeriynew
Передовик
Сообщения: 1792
|
Схема с учетом пожеланий. Так будет понятней.
-1.jpg 123.41 КБ Скачано: 127 раз(а)
|
|
Brightshadow
Завсегдатай
Сообщения: 471
|
| А не лучше ли поставить отдельный электросчетчик на помпу, через который мог бы запитывать любой из вас, а суммупопросту делить на всех поровну? |
|
Valeriynew
Передовик
Сообщения: 1792
|
Тоже вариант. Поставить счетчик (можно б/у) на месте подключения насоса от того хазяина, что запитан насос, чтобы не заморачиваться с регистрацией нового счетчика. Только сумму, на мой взляд, нужно делить на количество жителей. В одном доме, например, 2 человека, в другом - 8, в третьем - 3 и в четвертом - 5. Вместе - 18 человек.
Намотали, например, на 360 грн. Делим на 18 и получаем 20 грн.
1 дом сплачивает 40 грн, 2 - 160 грн, 3 - 60 грн и 4 - 100 грн тому, от кого запитан счетчик. |
|
|
юрий911
|
| если уж совсем хорошо то автомат на 16 а с нуля выкинуть обязательно особенно если все таки фазы будут разные и добавить автомат на 2 а в цепь блокировок по нулю |
|
|
sasaa
|
Рой схем.Но что то думается-что из этого роя-не выйдет ни...чего Не на такие расходы рассчитывал ТС,а точнее ни на какие не рассчитывал...А вот с счётчик-рулит.Только к электрическому на насос --пусть каждому на ввод магистрали водяной счётчик поставит. Расчёты станут прозрачные и все довольны и экономны  |
|
RomanRB
Модератор
Сообщения: 31579
|
| Valeriynew писал: | | Нарисовал бы полностью схему и тогда можно было обсудить работоспособность схемы. |
А смысл? Неужели из того куска, что я дал ничего не понятно? Ну тогда я вообще не знаю, о чём ещё можно говорить.... И я показал логику и пример, как нужно делать. Ты показал, как делать не надо.
А что выберет ТС, одному Всевышнему известно.  |
|
Valeriynew
Передовик
Сообщения: 1792
|
| RomanRB писал: | | Неужели из того куска, что я дал ничего не понятно? ...Ты показал, как делать не надо. |
Из того куска нарисованного совсем непонятно, так как фазы и нули как приходят, так и уходят неизвестно куда. Между ними только включены реле и контакты те же самые с одновременным подключением на разные фазы.
Я показал полностью работоспособную схему, по которой можно сделать данную задачу, вложившись в бюджет 2-3 тыс. грн. И никаких проблем в работе не будет.
Если делать разрыв по фазам, то бюджет увеличиться где-то в 3 раза... |
|
RomanRB
Модератор
Сообщения: 31579
|
| Valeriynew писал: |
Из того куска нарисованного совсем непонятно, так как фазы и нули как приходят, так и уходят неизвестно куда. |
Это принцип построения релейных схем. Так делали, делают и будут делать.
| Цитата: | | Между ними только включены реле и контакты те же самые с одновременным подключением на разные фазы. |
Я вроде логику дал.... Опять непонятно. Не люблю повторяться.
| Цитата: | Я показал полностью работоспособную схему, по которой можно сделать данную задачу, вложившись в бюджет 2-3 тыс. грн. И никаких проблем в работе не будет.
Если делать разрыв по фазам, то бюджет увеличиться где-то в 3 раза... |
Ты дал клубок, где в кучу смешал и силу и оперативные цепи. Причем грубо нарушил правила. О чём я писал выше.
Ты дома тоже ноль на освещении коммутируешь?
И никаких трёх раз не будет. Достаточно поставить на пускатели допмодули с допконтактами. И всё это обвязать проводом ПВ-3 или как сейчас модно говорить проводом ПУГэВ.
Объяснять электронщикам принцип работы простейшей схемы на четырёх контакторах это как минимум смешно, как максимум глупо .
Мне никто и никогда не разжёвывал и готовое решение не выкладывал. Бывали такие ТЗ, типа вот этого:
| Цитата: | Общие:
1. Система заполнена водой постоянно под давлением.
2. Пожарные краны в зданиях оборудованы кнопками сигнализации.
3. При пожаре запускаем всегда 2 насоса (одну группу).
4. Изменения входов (согласно 1165/07-01-088-ПТ лл.22-30) должны быть записаны контроллером в «журнал» (log).
Также отдельный «журнал» (log) аварий.
5. Çаполнение/ опорожнение системы производить, переведя контроллер в «ручной» режим (DI4.0, DI4.1). «Ручной»
режим - предназначен для сервиса (опробование, ПНР и т.п.).
6. Кнопка «сброс аварии» одновременно сбрасывает аварии и переводит систему в обычный режим (дежурный)
7. Под группой понимаются насосы одного резервуара.
8. Уставки см. л. 11 (перечень точек контроля).
9. Перечень аварий оборудования приведен на лл. 23-28. Все аварии, в т.ч. генерируемые программно (например, выход
за пределы уставок, таймеров и т.п.) отобразить в журнале аварий и выдать на обùий выход DO2.6.
Обычный режим (дежурный):
1. Датчик давления PT1-1 контролирует давление в системе (уровни см. на л.11).
2. При падении давления в системе вследствие утечек (или по причине порыва) любой из 4-х насосов (организовать
поочер¸дный пуск насосов для равномерной выработки ресурса) включается и поднимает давление в системе до
требуемого. В случае, если параметр давления не выйдет на треб. уровень в теч. определенного периода (предусмотреть
таймер. Уставку определить при ПНР) и не нажата одна из кнопок SB1..SB6, SB7..SB12 - генерируется сигнал аварии. В
случае, если давление не выходит на заданный уровень после отработки таймера и нажата одна из кнопок SB1..SB6,
SB7..SB12 - переход на п.1. раздела " Режим "Пожар".
3. Уровнемеры LE1-1 и LE2-1 контролируют уровень воды в резервуарах (3 ур.)
- низший - авария по уровню;
- средний - открытие затвора LV1 (LV2) и заполнение резервуара 1 (2) через водомерный узел;
- высший - закрытие затвора LV1 (LV2) - резервуар наполнен .
Предусмотреть таймер наполнения (от момента поступления сигнала на открытие затворов LV1 (LV2)), после отсчета
которого, будет сгенерирован сигнал «аварии заполнения резервуара» (если не достигнут высший уровень LE1-1 (LE2-1)).
4. Любая авария генерирует соответствуюùий сигнал на вых. DO2.6. Статус аварии может быть сброшен только вручную
нажатием кнопки «Сброс аварии».
Режим «Пожар»:
1. При поступлении сигнала с кнопок SB1..SB6, SB7..SB12 (либо в случае, описанном в п.2 разд. "Дежурный режим"),
запускается одна из групп насосов (запуск 2-х насосов одновременно). Открывается затвор LV3 и LV1 (LV2) - в
зависимости от используемого резервуара;
2. В случае падения уровня LE1-1 (LE2-1) ниже низшего, останавливаются насосы опустошенного резервуара и
производится запуск насосов след. резервуара. При ýтом затворы открыты на заполнение пустого резервуара и
открывается затвор на заполнение того, из которого идет разбор. Далее группы насосов переключаются по кругу по
мере опустошения резервуаров.
4. После установления режима «Пожар» насосы могут быть остановлены только по сигналу низшего уровня воды в
резервуарах, либо при перегреве насосов (при ýтом запускается след группа).
5. Любая авария генерирует соответствуюùий сигнал на вых. DO2.6. При ýтом система должна продолжить работу
согласно алгоритму, если ýто, конечно, возможно.
6. В случае аварии одного из насосов в работу вводится следуюùая группа насосов. |
Усрись, но сделай. Но делал и делаю, тупо включаю логику и применяю многолетние знания и опыт в построении данных схем.
А теперь попробуй сделай свой "клубок" согласно данному алгоритму? Что интересно получится? |
|
Brightshadow
Завсегдатай
Сообщения: 471
|
| Valeriynew, Ну да. Зачем вам его регистрировать. Он же не официально будет. Насчет количества жителей логично. Собери всех и предложи. |
|
|
sasaa
|
| Brightshadow писал: | | Valeriynew, Насчет количества жителей логично. Собери всех и предложи. | Да-да,предложи Ты знаешь состав семьи каждого участника водозабора ? А если у ТС большая семья?Но маленький огород?А у остальных одиноких пенсионеров-садочки_огородики
Только индивидуальные водсчетчики спасут... |
|
Valeriynew
Передовик
Сообщения: 1792
|
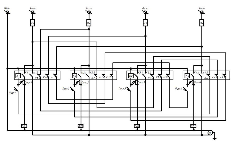
RomanRB, вот набросал схему по "фазам", чтобы не смущало. Только сюда уже совсем другие контакторы нужны.
-1.jpg 133 КБ Скачано: 130 раз(а)
|
|
Valeriynew
Передовик
Сообщения: 1792
|
А здесь еще каждый со своим "нолем". Если не получится найти контакторы такого типа (советские когда-то такие были), то можна поставить по два (один с нормально разомкнутыми контактами, а второй с нормально замкнутыми), а катушки соединить параллельно.
-1.jpg 157.53 КБ Скачано: 136 раз(а)
|
|
БЕЗЫМЯННЫЙ
Бегущий по граблям
Сообщения: 7608
|
Не знаю как у автора темы, но у нас бу рабочие водосчетчики можно найти почти даром, в квартире поменяли в прошлом году, 4 штуки в гараже лежат. Но проблема перевода кубометров воды по счетчикам в реальные деньги может оказаться сложнее задачи в заголовке темы  |
|
|
sasaa
|
БЕЗЫМЯННЫЙ, не не,отдельный элсчётчик на насос+4 водосчётчика.И чё там считать?А будет сложно-ещё одну тему можно замутить.  |
|
Valeriynew
Передовик
Сообщения: 1792
|
| Киловаты переводятся в деньги. Показания всех водосчетчиков плюсуются. Деньги делим на общие кубометры и получаем цену одного кубометра воды. Расчет с хозяином электросчетчика согласно показаниям своего водосчетчика. |
|
RomanRB
Модератор
Сообщения: 31579
|
|
RomanRB
Модератор
Сообщения: 31579
|
| А в следующей серии, я вам покажу и кратко расскажу принципы и правила построения принципиальных схем релейной защиты и автоматики, на примере данной темы. Так уж и быть, выделю один день для этого. Но это будет немного попозже. Надо сначала домой приехать. |
|
Valeriynew
Передовик
Сообщения: 1792
|
|
|
shmula
|
| sasaa писал: | Рой схем.Но что то думается-что из этого роя-не выйдет ни...чего Не на такие расходы рассчитывал ТС,а точнее ни на какие не рассчитывал...А вот с счётчик-рулит.Только к электрическому на насос --пусть каждому на ввод магистрали водяной счётчик поставит. Расчёты станут прозрачные и все довольны и экономны  | все сообщения внимательно перечитал, действительно ,,рой схем,, с счетчиками и запорными клапанами в данном случае не ,,катит,, расходы по среднего качества материалам (монтаж своими силами) по нашим Украинским ценам не такие уж большие ,согласно схемы WaleryiNew комутации фаз, составит примерно в среднем $100 |
|
RomanRB
Модератор
Сообщения: 31579
|
| Valeriynew писал: | Здраствуй, дедушка.
Другие, так как те что раньше в личке оговаривали на самую первую схему не подойдут.
|
Доброе утро, мои юные автоматизаторы и интеграторы!
С кем оговаривали в личке?
Ну во первых: Со мной никто и ничего не оговаривал...
А во вторых: Почему были утверждения, что стоимость поднимется втрое?
В следующий раз старайтесь излагать ваши мысли точнее.
Ну в общем подводя итог констатирую факт, что первая темы был усвоена в полном объёме,
качественно и без потери информации.
| shmula писал: | | составит примерно в среднем $100 |
Чую, что будет больше. Т.к. забыл кабелистику и не учёл способы прокладки.
Видимо вы плохо просчитали экономическую часть проекта.
Могу за отдельную оплату начитать курс по сметному делу и правильности составления ТКП.  |
|

|